Witam.
Z elektroniki jestem zielony, tyle tytułem wstępu.
Teraz sprawa wygląda tak:
Mam głośniczki Creative 5.1 do komputera. Wyjąłem głośnik basowy z subwoofera i użyłem innego głośnika - ze starej, nieużywanej już kolumny mojego taty. W zasadzie użyłem też tej skrzynki. Po prostu na krótko podpiąłem głośnik basowy do wzmacniacza w subwooferze.
Oryginalny głośnik miał 4 Ohmy, domyślam się, że tyle ma też wzmacniacz.
Głośnik taty ma 8 Ohmów.
I tak to jechało półtora roku, aż w końcu przeszukując piwnicę znalazłem drugą taką samą kolumnę. Wyjąłem z niej basowy głośnik (ma przekątną 30 cm, 8 Ohm i 100W dwa ostatnie parametry są na magnesie napisane).
Wpadłem na genialny pomysł stworzenia subwoofera, w którym w jednej takiej skrzyni są dwa basowce. Zamówiłem nową płytę wierzchnią i przykleiłem ją, zamiast starej.
Pierwotna kolumna na obrazku oznaczona jest nr. 1, nowa - nr. 2.
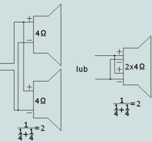
Teraz pytanie, jak je podłączyć? Gdzieś czytałem, że podłączenie równoległe ma obniżyć ich oporność, a szeregowe zwiększyć..? Tylko o ile, żeby tego nie popalić?
Na Gronie, zalecono mi podłączenie osobno minusa z każdego głośnika do portu w kolumnie, a plusa z portu do pierwszego głośnika i z pierwszego do drugiego. Martwi mnie tylko, czy oporność zestawu nie wzrośnie do 16 Ohmów, a wtedy 4 Ohmowy wzmacniacz mógłby mieć chyba problemy z pociągnięciem tego.
I drugie pytanie - w kolumnie nr. 2 planuję ustawić bassreflex z boku (kolumna nie mieści mi się na półce - będzie leżała głośnikami do góry, BR ustawię w stronę publiki). Bassrefleksy mam po 8 cm średnicy i 16 cm długości. Kolumna ma 80 litrów. Będzie ok, czy nie zalecane jest ustawienie bassreflexu prostopale do głośnika? (z boku obudowy)?
Niżej zejdzie kolumna z bassreflexem, czy bez?
Z elektroniki jestem zielony, tyle tytułem wstępu.
Teraz sprawa wygląda tak:
Mam głośniczki Creative 5.1 do komputera. Wyjąłem głośnik basowy z subwoofera i użyłem innego głośnika - ze starej, nieużywanej już kolumny mojego taty. W zasadzie użyłem też tej skrzynki. Po prostu na krótko podpiąłem głośnik basowy do wzmacniacza w subwooferze.
Oryginalny głośnik miał 4 Ohmy, domyślam się, że tyle ma też wzmacniacz.
Głośnik taty ma 8 Ohmów.
I tak to jechało półtora roku, aż w końcu przeszukując piwnicę znalazłem drugą taką samą kolumnę. Wyjąłem z niej basowy głośnik (ma przekątną 30 cm, 8 Ohm i 100W dwa ostatnie parametry są na magnesie napisane).
Wpadłem na genialny pomysł stworzenia subwoofera, w którym w jednej takiej skrzyni są dwa basowce. Zamówiłem nową płytę wierzchnią i przykleiłem ją, zamiast starej.
Pierwotna kolumna na obrazku oznaczona jest nr. 1, nowa - nr. 2.
Teraz pytanie, jak je podłączyć? Gdzieś czytałem, że podłączenie równoległe ma obniżyć ich oporność, a szeregowe zwiększyć..? Tylko o ile, żeby tego nie popalić?
Na Gronie, zalecono mi podłączenie osobno minusa z każdego głośnika do portu w kolumnie, a plusa z portu do pierwszego głośnika i z pierwszego do drugiego. Martwi mnie tylko, czy oporność zestawu nie wzrośnie do 16 Ohmów, a wtedy 4 Ohmowy wzmacniacz mógłby mieć chyba problemy z pociągnięciem tego.
I drugie pytanie - w kolumnie nr. 2 planuję ustawić bassreflex z boku (kolumna nie mieści mi się na półce - będzie leżała głośnikami do góry, BR ustawię w stronę publiki). Bassrefleksy mam po 8 cm średnicy i 16 cm długości. Kolumna ma 80 litrów. Będzie ok, czy nie zalecane jest ustawienie bassreflexu prostopale do głośnika? (z boku obudowy)?
Niżej zejdzie kolumna z bassreflexem, czy bez?