logo elektroda
logo elektroda
X
logo elektroda
REKLAMA
REKLAMA
Adblock/uBlockOrigin/AdGuard mogą powodować znikanie niektórych postów z powodu nowej reguły.

[ATMEGA8] sterowanie PWM'em kontrastu i jasnośći LCD

P-o-l 30 Gru 2008 21:43 9241 12
REKLAMA
  • #1 5926029
    P-o-l
    Poziom 18  
    Witam,

    Konstruuje układ, który będzie sterował kontrastem i jasnością podświetlenia wyświetlacza(HD44780) cyfrowo. Czy wystarczy podpiąć linie LED'a i kontrastu przez oporniki 10k ohm i pod wyjście OC?
  • REKLAMA
  • #2 5926100
    skynet_2
    Poziom 26  
    daj jeszcze kondensator z rezystorem rozładowywującym pomiędzy wyświetlacz a masę.
  • REKLAMA
  • REKLAMA
  • Pomocny post
    #5 5926514
    karlos79
    Poziom 33  
    Witam
    Ja bym wstawił tranzystor NPN, do jego bazy podłączył bym port kontrolera, emiter do masy, kolektor do podświetlenia i rezystor podciągający do VCC.
    Chodzi tu o poprawienie wydajności prądowej portu kontrolera.
    Pozdrawiam
  • #6 5927064
    skynet_2
    Poziom 26  
    Dokładniej

    [ATMEGA8] sterowanie PWM'em kontrastu i jasnośći LCD

    pojemność C1 zależy od częstotliwości PWM.
    rezystancja R2 zależy od wyświetlacza i rezystancji R1.

    na R1 i R2 masz dzielnik napięcia, kondensator tylko stablizuje.

    Pozdrawiam.
  • #7 5930847
    P-o-l
    Poziom 18  
    Zdecydowałem użyć samego podświetlenia do regulacji. Czy ktoś wie jaka częstotliwość jest optymalna żeby ekran "nie mrygał"?
  • #8 5931865
    wojtek2112
    Poziom 13  
    Witam.
    Aby zlikwidować zjawisko migotania podświetlenia lcd
    optymalna najniższa częstotliwość sygnału PWM powinna
    wynosić około 60Hz.Ostatnio zrobiłem takie sterowanie do
    LCD graf. 128x64 (kontrast plus jasność ) i działa poprawnie.
    Żeby nie obciążać portu mikrokontrolera musisz zastosować
    tranzystor kluczujący w katodzie leda podświetlającego (do
    masy).Pozdrawiam.
  • #9 5932176
    P-o-l
    Poziom 18  
    Czyli można zastosować zwykły tranzystor polowy BS170(źródło - masa; bramka - pin uC; dren - minus LED'a) podpinając do uC zastosować rezystor 100 ohm, a do plusa LED'a przez rezystor 10k?
  • REKLAMA
  • #10 5934428
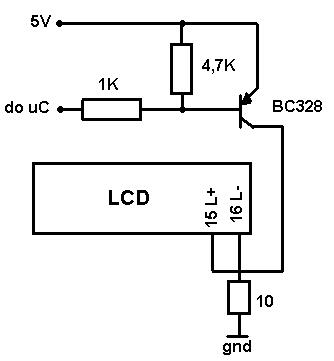
    wader_669
    Poziom 28  
    To jest schemat z ksiazki "programowanie mikrokontrolerow AVR w jezyku bascom" sluzy do sterowania podswietlenia lcd. Pin oczywiscie musi isc do jakiegos pwm atmegi8
    [ATMEGA8] sterowanie PWM'em kontrastu i jasnośći LCD
  • #11 5934564
    P-o-l
    Poziom 18  
    [ATMEGA8] sterowanie PWM'em kontrastu i jasnośći LCD

    a myślałem że tak będzie dobrze
  • #12 5935159
    bolcio
    Poziom 12  
    @P-o-l, podobne rozwiązanie (z tranzystorem BS170) zastosowałem w niedawno opublikowanym przeze mnie układzie i muszę stwierdzić, że działa bez zarzutu. Nie dawałem nawet żadnego rezystora między sterowaniem (w moim przypadku był to układ PCF8574) a bramką tranzystora. Oto link do tego urządzenia: https://www.elektroda.pl/rtvforum/topic1180682.html
  • #13 5936790
    wojtek2112
    Poziom 13  
    Uważam że układ z tranzystorem w masie jest lepszy dlatego
    że jest prostszy (mniej elementów),należy jednak dodać
    rezystor ograniczający prąd ponieważ zmniejsza to obciążenie portu mikrokontrolera.Oczywiście wartość rezystora należy dobrać tak żeby uzyskać pełny zakres regulacji.W przypadku zbyt dużej wartości nie
    będzie możliwe osiągnięcie wartości maksymalnej.
REKLAMA