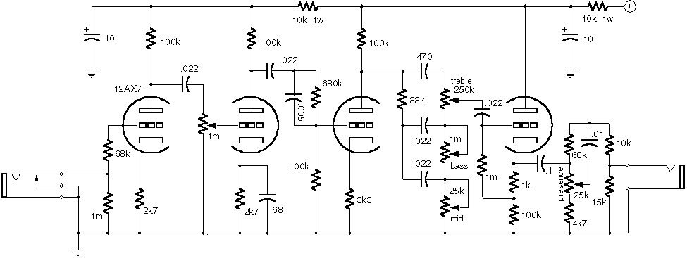
Witam. Mam do zaprezentowania projekt lampowego przedwzmacniacza gitarowego wzorowanego po części na modelu Marshall JCM800. Załączony schemat zawiera tylko obwód przedwzmacniacza, natomiast na płytce PCB przewidziane są także miejsca na elementy zasilacza anod oraz żarzenia. Wszystkie elementy opisane są na schemacie montażowym. Czerwone linie symbolizują zwory. Stabilizator 78S12 w zasilaczu żarzenia wymaga radiatora. W załączniku - projekt PCB do wydruku w dwóch wersjach: z odbiciem lustrzanym i bez. Układ był uruchamiany i działa poprawnie.


Fajne? Ranking DIY
