logo elektroda
logo elektroda
X
logo elektroda
REKLAMA
REKLAMA
Adblock/uBlockOrigin/AdGuard mogą powodować znikanie niektórych postów z powodu nowej reguły.

Ramka cyfrowa na mikrokontrolerze

mi_ma 09 Sty 2009 07:24 10238 8
REKLAMA
  • Ramka cyfrowa na mikrokontrolerze

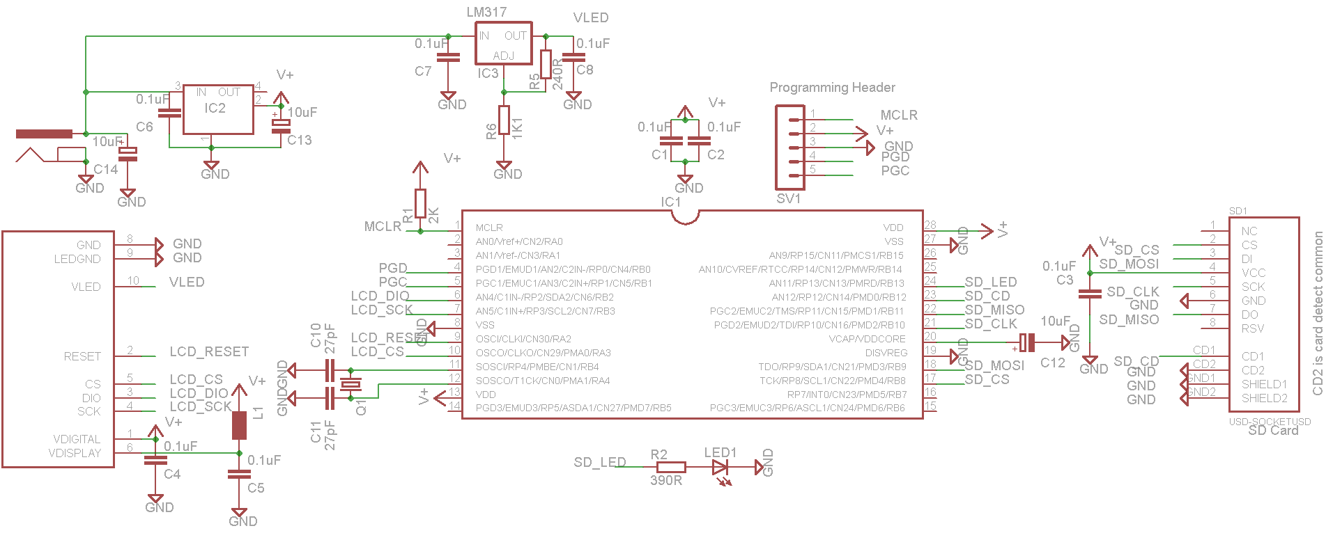
    Na internecie można znaleźć tony opisów budowy ramek cyfrowych. Niestety większość z nich, to projekty wykorzystujące stare wysłużone komputery przenośne, których ekrany i wnętrzności ukryte są w obudowie ramki. Co za tym idzie, są energożerne, ciężkie i niewygodne. Na Hackaday pojawił się opis budowy w 100% sprzętowej ramki cyfrowej. Projekt oparty jest o mikrokontroler PIC i wykorzystuje ekran LCD z 12bit głębia kolorów. Zdjęcia przechowywane są na karcie pamięci microSD z systemem plików typu FAT. Szczegóły budowy znajdziecie na stronie internetowej.

    Ramka cyfrowa na mikrokontrolerze
    Ramka cyfrowa na mikrokontrolerzeRamka cyfrowa na mikrokontrolerze

    Źródło http://hackaday.com/2009/01/08/how-to-digital-picture-frame-100-diy/#more-7561

    Fajne? Ranking DIY
    O autorze
    mi_ma
    Tłumacz Redaktor
    Offline 
    Specjalizuje się w: elektronika wojskowa
    mi_ma napisał 831 postów o ocenie 809. Mieszka w mieście Wrocław. Jest z nami od 2006 roku.
  • REKLAMA
  • #2 5975362
    Miotacz
    Poziom 11  
    Fajne wykorzystanie wyświetlacza. Mam pytanie: Te kondensatory elektrolityczne na ile volt mają być, bo pisze tylko ich wartość?
    P.S. Mam wyświetlacz z Siemensa S55 czy mógłbym go zastosować do tego schematu? Pozdro4all.
  • REKLAMA
  • #3 5975964
    sheeeep
    Poziom 25  
    Nie ma to kompletnie znaczenia na jakie napięcie. Wystarczą na tyle ile jest zasilanie.
    S55, wątpię
  • #4 5977076
    Brutus_gsm
    Poziom 25  
    sheeeep napisał:
    wątpię
    Ja jestem pewien, że nie. Każdy wyświetlacz steruje się inaczej. Mógłbyś prawkopodobnie wykorzystać ten wyświetlacz, ale program wymagalby gruntownej przeróbki, jeśli nie potrzeby napisania od zera.
  • REKLAMA
  • #5 5979190
    krzykoz
    Poziom 12  
    Cytat:
    Mógłbyś prawkopodobnie wykorzystać ten wyświetlacz, ale program wymagalby gruntownej przeróbki, jeśli nie potrzeby napisania od zera.

    Czym że jest napisanie obsługi jakiegoś wyświetlacza w porównaniu z obsługą systemu plików FAT?
    Jeśli ktoś pisał program z głową, to każdy moduł ma osobną część i pewnie siedzi w oddzielnym pliku. Przeróbka nawet całej obsługi wyświetlacza nie jest gruntowną przeróbką programu, a już na pewno nie wymaga pisania go od zera.

    BTW, te wszystkie wyświetlacze z komórek obsługuje się bardzo podobnie:
    - inicjalizacja
    - przesłanie całej mapy bitowej
    - wyświetlenie
    - czasem tylko update pojedynczego obszaru...

    ...nic trudnego.
  • #6 5980574
    deska202
    Poziom 14  
    Jak nic trudnego to może kolega by się pokusił i przerobił program?
  • #7 5996579
    krzykoz
    Poziom 12  
    Cytat:
    Jak nic trudnego to może kolega by się pokusił i przerobił program?


    Zobaczcie... W pliku LCD_driver.c oraz LCD_driver.h są zaimplementowane wszystkie funkcje potrzebne do obsługi wyświetlacza:
    void LCD_command(unsigned char data)
    Funkcja odpowiedzialna za wysyłanie rozkazu.
    void LCD_data(unsigned char data)
    Funkcja odpowiedzialna za wysyłanie danych.
    void LCD_init(void)
    Funkcja odpowiedzialna za inicjalizację wyświetlacza.
    void pset(unsigned char color, unsigned char x, unsigned char y)
    Funkcja odpowiedzialna za ustawienie pozycji startowej - kolumny i rzędu - oraz koloru.
    void fillBox(unsigned char x, unsigned char y)
    Funkcja odpowiedzialna za tworzenie ograniczonego boxa - kawałka wyświetlacza - do której przekazuje się współrzędne wierzchołka (x,y), a jego wielkość jest ograniczona do granic wyświetlacza.

    W pliku nagłówkowym są zadeklarowane wszystkie stałe wykorzystywane w w/w funkcjach. Jak widać, możliwa jest obsługa wyświetlacza EPSON i PHILIPS
    Tak na prawdę, to co stoi na przeszkodzi w przerobieniu kodu pod swój wyświetlacz? Przecież one wszystkie są podobne. Różnice mogą występować jedynie w timingach, w inicjalizacji ilości linii (tu problemem może być niewystarczająca liczba portów) czy sposobie wysyłania danych.

    Jeśli posiadacie jakieś inne wyświetlacze, to przeglądnijcie dokładnie ich specyfikacje i zaimplementujcie ich obsługę...

    Pozdro!
  • #8 8676022
    juka46
    Poziom 10  
    Jedno pytanko czy może ktoś podać więcej linków takich opisów budowy i schematów takich ramek??:D
  • REKLAMA
  • #9 9230553
    mateuszrjzr
    Poziom 17  
    A czy da sie z takiej ramki zrobić wyświetlacz interaktywny??
REKLAMA