logo elektroda
logo elektroda
X
logo elektroda
REKLAMA
REKLAMA
Adblock/uBlockOrigin/AdGuard mogą powodować znikanie niektórych postów z powodu nowej reguły.

Weeboy - przenośna konsola

sornell 13 Sty 2009 14:12 5341 9
REKLAMA
  • Weeboy - przenośna konsola

    Weeboy - czyli coś pomiędzy Wii i Gameboy'em Nintendo. Celem tego projektu było udowodnienie, że przenośną konsolę do gier można zbudować w rozsądnej cenie. Cały koszt urządzenia zamknął się w 70$.

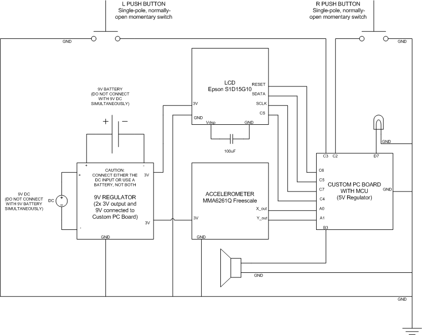
    W drewnianej obudowie umieszczono akcelerometry, kolorowy wyświetlacz LCD, elektronikę opartą na mikrokontrolerze ATMega32, głośnieczek oraz dwa przyciski do sterowania. Układ zasilany jest z baterii 9V. Na dzień dzisiejszy dostępne są 3 gry na tę konsolę. Na swojej stronie, autor udostępnił całą dokumentację. Dobrze skomentowany kod w C na pewno będzie przydatny osobom, które potrzebują chociażby procedur do obsługi wyświetlacza kolorowego.

    Weeboy - przenośna konsolaWeeboy - przenośna konsolaWeeboy - przenośna konsolaWeeboy - przenośna konsola

    Źródło: http://instruct1.cit.cornell.edu/courses/ee47...7/cmm98_jl478/cmm98_jl478/index.html#ap-media

    Fajne? Ranking DIY
    O autorze
    sornell
    Tłumacz Redaktor
    Offline 
    sornell napisał 103 postów o ocenie 8. Jest z nami od 2003 roku.
  • REKLAMA
  • #2 5996553
    szymonzi
    Poziom 12  
    Szacunek za wkład pracy (zwłaszcza tej od strony programowania, sam układ nie jest zbyt skomplikowany).

    Moim zdaniem przerost formy nad treścią. Naprawdę nie widzę praktycznego zastosowania takiego "urządzenia". W erze miniaturyzacji autor projektu wpakował miniaturowy wyświetlacz do do nieporęcznej skrzyni. Za 70$ to mogę kupić telefon komórkowy z podobnym wyświetlaczem, na którym też można sobie pograć. Nie wiem też w jaką grę można grać za pomocą jedynie 2 przycisków.

    Ludziom, którzy biorą się za takie projekty sugerowałbym albo łączenie kilku wyświetlaczy żeby ekran miał jakiś sensowniejszy wymiar, albo wyprowadzania z układu sygnału tak, żeby obraz/dźwięk można było podpiąć do TV.
  • REKLAMA
  • #3 5996609
    byrrt
    Poziom 21  
    Grałeś kiedyś na iPhone? Tam nie ma żadnych przycisków (ok jest jeden ale nie w tym rzecz) - gra się za pomocą akcelerometrów..
    A co do praktyczności - niestety mam podobne zdanie - wielkie nieporęczne i beznadziejnie nudne ;) Telefon za 100zł ma więcej bajerów niż to i możliwość wgrania gier z internetu..
  • #4 5998272
    raczek3
    Poziom 22  
    Już chociaż można było zrobić w SMD i wsadzić w 3x mniejszą obudowę, a tak połowa to procek.
  • #5 5998512
    szymonzi
    Poziom 12  
    @byrrt: owszem, grałem na iphonie tyle że ten projekt nie ma z iphonem nic wspólnego. jeżeli jedynym środkiem komunikacji z up są 2 przyciski.. to za 40 zł czy coś w ten deseń można kupić starego poczciwego game boy color;)
  • REKLAMA
  • #7 5999326
    szymonzi
    Poziom 12  
    rzeczywiście. masz rację byrrt, zwracam honor. Sterowanie w takim razie niczego sobie. Ale dalej pozostaje problem wyświetlacza i dużej obudowy...
  • #8 6001055
    misiupan
    Poziom 35  
    Ja myślę ,że to jest prototyp ,a autor ,,nie wytrzymał'' i pokazał co udało mu się zbudować , zapewne kolejny projekt oparty na tym będzie już zmontowany jak należy , oglądając zdjęcia nie można dojść do innego wniosku. Zastosowanie akcelerometru dwu osiowego jest tu pewną nowością , nie spotkałem jak dotąd konstrukcji własnych z wykorzystaniem tego układu , jedynie w konstrukcjach fabrycznych laptopy czy coraz powszechniej telefony komórkowe.
  • REKLAMA
  • #9 6014156
    polprzewodnikowy
    Poziom 26  
    Konsola trochę duża i ciężka oraz bardzo mało poręczna (tzn. ciężko ją gdziekolwiek zabrać). Osobiście wstydził bym się ją pokazać np. kolegom.
  • #10 6014870
    Jacek31
    Warunkowo odblokowany
    A ja pochwalę projekt. Co z tego że duża skrzynka, cała filozofia to zrobić takie urządzenie samemu i je oprogramować. A to takie proste nie jest. Proponuję kolegom którym się tak wydaje napisać sobie choćby na PASCALU w DOS, takie niby głupie kółko-krzyrzyk na planszy 5x5, aby sensownie można było grać z komputerem. Co do telefonów. co z tego że gry na nie są jak sterowanie na malutkiej klawiaturce i tak jest do bani. Próba grania w strzelanki mija się tu z celem. Jedyne dobre gry w jakie grałem na komurce to Worsmy i Tomb Riader undergrand (no ten w 3D).
REKLAMA