O tak, taka jest idea tego rozwiązania.
Też "rysowałem" na studiach w Tcad, ale bardzo tego nie lubilem i wyslugiwałem się kolegami (pracowaliśmy w grupach). Minęło parę lat i nie korzystam z Tcad dlatego podaję tylko idee.
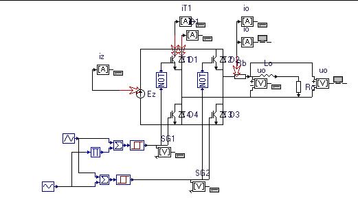
Tranzystory po jednej przekątnej muszą być sterowane z jednego punktu, a tranzystory na drugiej przekątnej muszą być blokowane, czyli sterowane przez bramkę NOT. Oczywiście sterowanie się zmienia i w jednym okresie otwarte są tranzystory 1 oraz 4(2 oraz 3 są blokowane), a drugim okresie jest odwrotnie.
Na odbiorniku raz masz + z prawej strony (otwarte 1 i 4), a drugim pólokresie + masz po lewej stronie (otwarte 2 i 3).
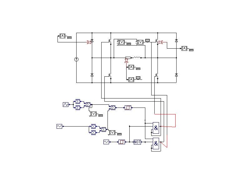
Dla łatwiejszego zrozumienia problemu upraszcza się takie schematy poprzez zastępywanie ikon tranzystora ikonami łącznika i nawet tak je nazywając. Diody na Twoim schemacie służą do ograniczania przepięć (są w tym przypadku niezbędne). Na moim schemacie nie umieściłem diod gdyż dla idei są one zbędne.
Poprawilbym Twój schemat ale nie mogę go otworzyć w paint.
