logo elektroda
logo elektroda
X
logo elektroda
REKLAMA
REKLAMA
Adblock/uBlockOrigin/AdGuard mogą powodować znikanie niektórych postów z powodu nowej reguły.

Automatyczne zapalanie łuku do spawania

Defenestrator 21 Sty 2009 13:33 9805 14
REKLAMA
  • Automatyczne zapalanie łuku do spawania

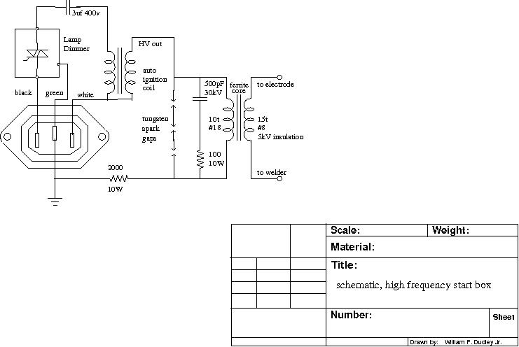
    Podczas spawania prądem zmiennym wielokrotnie zachodzi potrzeba zapalenia łuku poprzez drapanie jednego z łączonych elementów elektrodą. Niektóre spawarki mają wbudowane coś takiego jak stabilizator łuku lub "starter wysokiej częstotliwości", lecz większość urządzeń jest pozbawiona takiego udogodnienia i spawacz musi radzić sobie sam. Opisywana konstrukcja rozwiązuje ten problem, podając na elektrodę na przemian wysokie napięcie z urządzenia i niskie ze spawarki. Wysokie napięcie jonizuje powietrze tworząc "ścieżkę" dla dużego prądu ze spawarki, który dzięki temu może swobodnie przepływać. Jedyna wadą prezentowanego urządzenie jest trudność zakupienia niektórych części.

    Źródło
    Pełny tekst artykułu

    Automatyczne zapalanie łuku do spawania Automatyczne zapalanie łuku do spawania

    Fajne? Ranking DIY
    O autorze
    Defenestrator
    Poziom 14  
    Offline 
    Defenestrator napisał 148 postów o ocenie 99. Jest z nami od 2007 roku.
  • REKLAMA
  • #2 6032651
    Konto nie istnieje
    Poziom 1  
  • REKLAMA
  • #3 6033356
    pawelloo3
    Poziom 14  
    Hm to moje skromne początki na elektrodzie, ale wydaje mi się że diody powinny załatwić sprawę prawda? Interesujący projekt chciałby go skopiować tylko poczekam, aż ktoś doświadczony wypowie się na temat powyższego projektu!
  • #4 6033875
    ZBIQ
    Poziom 17  
    Jedno mnie martwi, czy ten czarny przewód (ten do nawinięcia trafa) wytrzyma natężenie pow 130A . Ja takim prądem najczęściej spawam.
    Według mnie powinien być to przewód powyżej 25mm^2, + jeszcze gruba izolacja, żeby nam to 5kV nie przeskakiwało.
    Ciężko znaleźć tak duży rdzeń ferrytowy.

    Co do reszty elementów, na serwisach aukcyjnych trafiają się ruskie kondensatory 500pF i ok 20-30kV.
    Cewka zapłonowa i oporniki to już nie duży problem.

    pozdrawiam
    Mateusz
  • #5 6033935
    lechoo
    Poziom 39  
    Jonizatorów nie stosuje się przy spawaniu metodą MMA. Jeśli jest kłopot z zajarzaniem i utrzymaniem łuku, to problemu należy szukać w umiejętnościach spawacza lub jakości użytego sprzętu.
  • REKLAMA
  • #6 6036164
    shadow0013
    Poziom 34  
    Przy spawaniu zawsze można było sie poparzyć, teraz jeszcze może porazić wysokim napięciem, może zamiast tego wynalazku może by się dało użyć elektronicznego pastucha?
  • #7 6036316
    qba3
    Poziom 12  
    a chciałem zapytać kolegi "lechoo" z jakich powodów się nie stosuje takiego rozwiązania przy spawaniu elektrodą? bo ja chciałem sobie coś takiego złozyć jest parę schematów w sieci

    zbiq coś mi sie zdaje ze nie do końca przeczytałeś 1 post:D
  • REKLAMA
  • #8 6036460
    lechoo
    Poziom 39  
    Jak sobie wyobrażasz wyłączanie jonizatora przy każdej zmianie elektrody? Bliskie spotkanie z impulsami wysokiego napięcia do przyjemnych nie należy. Nigdy nie spotkałem się aby fabryczna spawarka elektrodowa posiadała taki obwód - ze względów bezpieczeństwa.
    Lepiej dołóż prostownik do posiadanej spawarki i dławik, albo dodatkowy obwód prądu pilotującego. Schematy znajdziesz w dziale Energoelektronika.
  • #9 6037437
    qba3
    Poziom 12  
    a o tym nie pomyślałem, no ale w sieci można nawet nabyć takie jonizatory i ludzie którzy to sprzedają ciężko twierdza ze można stosować w spawarkach mma
  • #10 6037630
    ZBIQ
    Poziom 17  
    Ano można . Tylko czy jest taka potrzeba ??
    Jeśli masz straszne problemy z zajarzeniem łuku ,to może być pomocne.

    Jeszcze nigdy nie widziałem spawarki mma z jonizatorem, a już trochę spawam .
  • #11 6037637
    _milcek_
    Poziom 19  
    Jedyny sposób to najlepiej 2 włączniki(trzeba wcisnąć 2 ze względów bezpieczeństwa) zasilania jakiegoś małego generatora prostokątnego dla trafa WN. Wtedy włączamy generator tylko przy zapłonie łuku. Włączniki wtedy muszą być dobrej jakości i najlepiej włączane przez gumową błonę, ponieważ w warsztatach mogą się dostać opiłki i inne brudy do włączników.
    Tak w ogóle to ktoś z waz spojrzał na zdjęcie układu, gdzie jest pokazany włącznik chyba sterowany nogą??? On chyba jest od chwilowego załączenia układu zapłonu.
  • #12 6037683
    lechoo
    Poziom 39  
    Jonizatory owszem stosuje się, ale do TIG-a.
  • #13 6038962
    Konto nie istnieje
    Konto nie istnieje  
  • #14 6040050
    Konto nie istnieje
    Poziom 1  
  • #15 6056567
    pitt82
    Poziom 13  
    Witam
    Pracuję w branży spawalniczej i moje zdanie - do elektrody nie stosuje się jonizatora, tylko do tig-a. Jak się wcześniej kolega wypowiedział jest tzw, hot-start przy elektrodzie. Podczas hot startu możesz ustawić napięcie rzędu 80v, w zależności od spawarki. W transformatorowych także jest hot-start ale nie masz możliwości jego regulacji. W inwerterowych masz możliwośc regulacji hot-staru w granicach 50V - 80V. Jeśli masz problemy z zajarzeniem sprawdź napięcie wychodzące ze spawarki, może jest za niskie jak spawarka kupiona w markecie za grosze lub robiona w garażu.
REKLAMA