logo elektroda
logo elektroda
X
logo elektroda
REKLAMA
REKLAMA
Adblock/uBlockOrigin/AdGuard mogą powodować znikanie niektórych postów z powodu nowej reguły.

Kolumny + wzmacniacz do 1500zł

krys_93 24 Sty 2009 02:54 1786 8
REKLAMA
  • #1 6045557
    krys_93
    Poziom 12  
    Witam,

    Chciałbym zrobić kolumny podłogowe i kupić do nich wzmacniacz lub końcówkę mocy. Na ten cel chce przeznaczyć około 1500zł(głośniki + zwrotnice + wzmacniacz, wygłuszenie i wykończenie liczmy osobno) ( jeśli będzie to konieczne to mogę trochę dołożyć). Wiec tak kolumny będę używał w pokoju około 14m^2 i od czasu do czasu jakieś małe imprezy okolicznościowe u znajomych lub w rodzinie myślę że pomieszczenie na którym by grały nie przekraczało by 90 m^2.chciałbym żeby kolumny miał wystarczającą moc do nagłośnienia takich pomieszczeń i wystarczający spl. W tej chwili posiadam subwoofer na głośniku Stx GDN -32-450 -4 sc napędzam go wzmacniaczem około 320W RMS.
    Co do jakości dźwięku nie musi być ona idealna ale żeby była przyzwoita Wink. Muzyka jakiej słucham to głównie Techno, trochę rapu i innych piosenek.
    Myślałem nad przetwornikami stx'a i tonsil'a ale nie mam pojęcia jakie, mogą być również głośniki innych marek.
    Bardzo proszę o jakieś propozycje.


    Z góry dziękuję za pomoc, Pozdrawiam Krys Wink
  • REKLAMA
  • Pomocny post
    #2 6045732
    przemo-lukas
    VIP Zasłużony dla elektroda
    krys_93 napisał:
    ...Myślałem nad przetwornikami stx'a i tonsil'a ale nie mam pojęcia jakie, mogą być również głośniki innych marek...


    Kolego, więc posłuchaj kogoś z nieco większym doświadczeniem.
    Wybierz. Czy chcesz sprzęt do 90m² czy 14m². Za taką kwotę można zrobić coś przyzwoitego. Jednak nie będzie się to nadawało do obu pomieszczeń.

    P.s.
    Zaraz pajawią się głosy: no jak to, a zeus? :D - to się akurat nie nadaje do niczego.
    No chyba, że szukasz tego typu "sprzętu"? Tu masz obszerny temat:
    https://www.elektroda.pl/rtvforum/topic1087628-0.html
  • #3 6049506
    krys_93
    Poziom 12  
    Przeanalizowałem cały temat i pomimo wad Altusów 300 myślę że będą dobre na moje pierwsze kolumny, oczywiście z kilkoma zmianami.

    Wiec głośniki jakich będę potrzebował w oryginalnej wersji to:
    niskotonowy GDN 30/100/11
    średniotonowy GDM 18/80
    wysokotonowy tubowy GDWT 9/100 FP

    Czytając tamten temat dowiedziałem się że po wprowadzeniu pewnych modyfikacji można poprawić jakość dźwięku.
    W związku z tym moje pytania brzmią:
    *Które głośniki zmienić,
    *Jaki litraż obudowy(komory na głośnik niskotonowy oraz komory na średnio i wysokotonowy),
    *Jaką zastosować Zwrotnice.

    Z góry dzięki za pomoc, pozdrawiam
  • REKLAMA
  • #4 6050155
    mczeslaw
    Poziom 36  
    Kolumny + wzmacniacz do 1500zł
    Kolumny + wzmacniacz do 1500zł
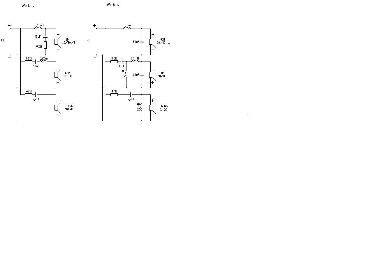
    Dwie wersje zwrotnic z różnymi średniotonowymi, za 30/80/2 może być 30/100/11, ale ten starszy (30/80/2)pomimo mniejszego wychyłu ma wyższy SPL, i niższe zejście basu o około 2 Hz+.
    Jest to 66 dm3 netto dla głośnika niskotonowego. Br φ 10 cm i długośc 17 cm dla GDN30/80/2, oraz 21cm dla GDN30/100/11
  • #5 6054386
    krys_93
    Poziom 12  
    Projekt mi się podoba i chyba taki zrobię tzn tą 2 wersję. A jakim wzmacniaczem zasilić te kolumny??

    Pozdrawiam
  • REKLAMA
  • REKLAMA
  • #7 6064661
    krys_93
    Poziom 12  
    Znalazłem takie 4:
    TECHNICS SU-V85A
    TECHNICS SU-VX700
    Kenwood KA-5020
    TECHNICS SU-V570
    Który z nich będzie najlepszy? Czy może lepiej końcówkę + przedwzmacniacz lub jakie inne wzmacniacze?

    Pozdrawiam

    Moderowany przez przemo-lukas:

    Proszę nie zamieszczać numerów aukcji. Wykasowałem.

  • #9 6069467
    krys_93
    Poziom 12  
    Ok dziękuje za pomoc ;)

    Pozdrawiam
REKLAMA