logo elektroda
logo elektroda
X
logo elektroda
REKLAMA
REKLAMA
Adblock/uBlockOrigin/AdGuard mogą powodować znikanie niektórych postów z powodu nowej reguły.

Kalkulator na ATMEGA8

Piotrek992 26 Sty 2009 17:18 3848 16
REKLAMA
  • #1 6057544
    Piotrek992
    Poziom 16  
    Witam. Chciałbym zrobić kalkulator na mikroprocesorze ATMEGA8. Oprogramowanie napisałbym w C++ ( bo jest dość prosty ). Jestem kompletnie w tym "zielony", ponieważ dotąd robiłem zwykłe, proste rzeczy ( np. wzmacniacze itp. ). Jak zrobić klawiaturę, jak wyjścia do programowania przez RS-232, jak połączyć wszystko ze sobą ?
  • REKLAMA
  • Pomocny post
    #2 6057558
    Konto nie istnieje
    Konto nie istnieje  
  • Pomocny post
    #3 6057564
    elektryk
    Poziom 42  
    Hmm, C++ i prosty? Ja bym powiedział że to są antonimy. Poza tym z jakiej cechy C++ chcesz korzystać w kalkulatorze? Jakieś obiekty do liczb zespolonych czy do macierzy?

    A co do innych rzeczy to skorzystaj z wyszukiwarki forum.
  • REKLAMA
  • #4 6057585
    Piotrek992
    Poziom 16  
    No... Bascom i Asembler chyba bardziej są skąplikowane... :)

    Dodano po 2 [minuty]:

    Może wyraże sie jaśniej: chodzi mi o jakiś układ testowy, żebym mógł się pobawić w programowanie, a przy okazjii mogło by to posłużyć jako kalkulator i zegarek :)

    Dodano po 12 [minuty]:

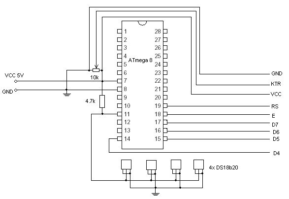
    Wiem jedynie, że tak musi być podłączony wyświetlacz:
    Kalkulator na ATMEGA8
  • Pomocny post
    #5 6057814
    Konto nie istnieje
    Konto nie istnieje  
  • REKLAMA
  • Pomocny post
    #6 6057829
    Konto nie istnieje
    Konto nie istnieje  
  • #7 6057847
    Piotrek992
    Poziom 16  
    Mógłbyś mi "zapodać" jakiś schemat ?
  • Pomocny post
    #8 6057867
    Konto nie istnieje
    Konto nie istnieje  
  • #9 6057943
    Piotrek992
    Poziom 16  
    Hehe.. :) Żebym jeszcze wiedział co to wszystko oznacza (wiem tylko: GND-masa,VCC-zasilanie)...
    Kalkulator na ATMEGA8

    Dodano po 1 [minuty]:

    A czy ma ktoś schemat programatora ?
  • Pomocny post
    #10 6057959
    Konto nie istnieje
    Konto nie istnieje  
  • REKLAMA
  • #11 6057967
    Piotrek992
    Poziom 16  
    Cytat:
    Jeśli chodzi o diody to musisz ściągnąć sobie z google Datasheet ATmegi i zobaczyć jak rozmieszczone są porty. Później podłączasz zasilanie i peryferia (diody, microswitch-e itp.) i piszesz program.



    Mógłbyś mi rozrysować kilka połączeń tych diód ?
  • Pomocny post
    #12 6057974
    djkomprez
    Poziom 21  
    Wszystko w datasheecie :) tylko nie mów ze angielskiego
    nie kojażysz :)

    Co do programowania ... może najpierw zacznij od bascoma (ja tak robiłem ) ale później przerzutka na c++ jest bolesna ...
    wiem bo właśnie to teraz mam :/

    Dodano po 4 [minuty]:

    Cytat:

    Mógłbyś mi rozrysować kilka połączeń tych diód ?



    np do portu PB0 podpinasz sobie diodę (teraz zależy już czy anoda czy katoda od programu jak będziesz sterować portem)

    Oczywiście rezystor ok 500ohm między diodą a portem bo lepiej nie obciążać portu ...

    wszędzie gdzie słowo VCC dajesz +5V
    wszędzie gdzie GND to masa

    Później to już tylko program i zaprogramować :)
  • #13 6058043
    Piotrek992
    Poziom 16  
    Dobra, poczytam jeszcze o tym, zaczne sie uczyć BASCOM'a i będę coś próbował. Na razie DZIĘKI :)
  • Pomocny post
    #14 6058055
    Konto nie istnieje
    Konto nie istnieje  
  • #15 6058073
    Piotrek992
    Poziom 16  
    Właśnie nie mam, dlatego chodziło mi o jakąś płytkę testową, żebym mógł na bierząco sprawdzać postępy w programowaniu, bez przepinania procka.
  • Pomocny post
    #16 6058117
    Konto nie istnieje
    Konto nie istnieje  
  • #17 6058123
    Piotrek992
    Poziom 16  
    Albo zrobie taki prosty na LPT:
    Kalkulator na ATMEGA8

    Dodano po 5 [minuty]:

    Wielkie dzięki kolego, bardzo mi pomogłeś ;)
REKLAMA