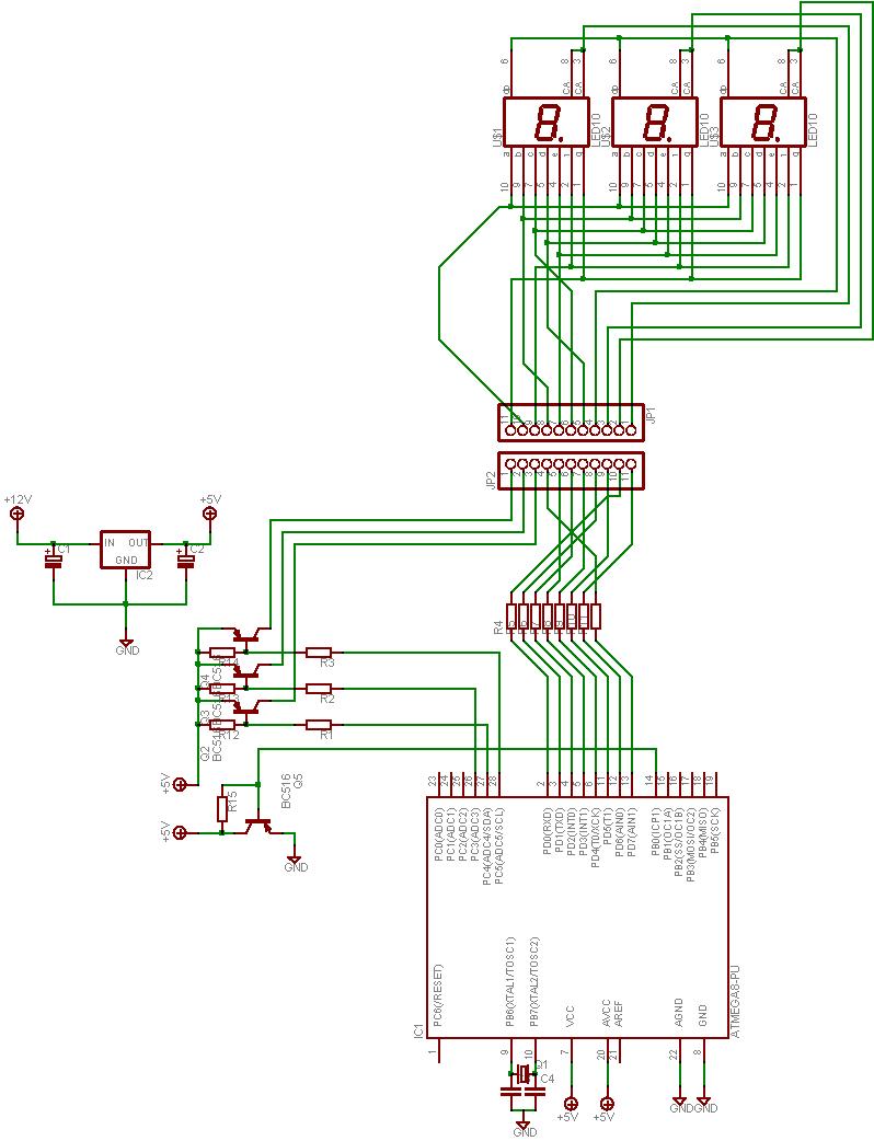
Proszę o wyjaśnienie mi pewnej kwestii a mianowicie: zrobiłem płytkę na której zamieściłem atmega8 (ma to być termometr cyfrowy do golfa )
układ wyprowadzeń jak na schemacie.
Element Q5 będzie wymieniony na termometr dallas.
Jak skonfigurować port c tego mikrokontrolera aby działał jako wyjścia. Robiąc to w ten sposób:
nie jestem w stanie zapalić żadnego z segmentu. Układ zrobiony jest poprawnie bo gdy podłączam na krótko (przy wyjętym uc) w odpowiednie miejsca podstawki dając mase zapalają mi się poszczególne częsci segmentów.Dodam jeszcze że układ pracuje na wewnętrznym oscylatorze rc. Po podłączeniu do oscyloskopu widać że zmieniany jest stan na końcówkach portu d a na koncówkach portu c pin5 i pin4 jest stan wysoki i ten stan się nie zmienia.
układ wyprowadzeń jak na schemacie.
Element Q5 będzie wymieniony na termometr dallas.
Jak skonfigurować port c tego mikrokontrolera aby działał jako wyjścia. Robiąc to w ten sposób:
Config Portd = &OUTPUT
Portd = &B00000001
Twcr.2 = 0
Config Portc = &B1111
Portc = &00001
Do
Waitms 200
Rotate Portc , Left
Waitms 20
Rotate Portd , Left
Loop
Endnie jestem w stanie zapalić żadnego z segmentu. Układ zrobiony jest poprawnie bo gdy podłączam na krótko (przy wyjętym uc) w odpowiednie miejsca podstawki dając mase zapalają mi się poszczególne częsci segmentów.Dodam jeszcze że układ pracuje na wewnętrznym oscylatorze rc. Po podłączeniu do oscyloskopu widać że zmieniany jest stan na końcówkach portu d a na koncówkach portu c pin5 i pin4 jest stan wysoki i ten stan się nie zmienia.
