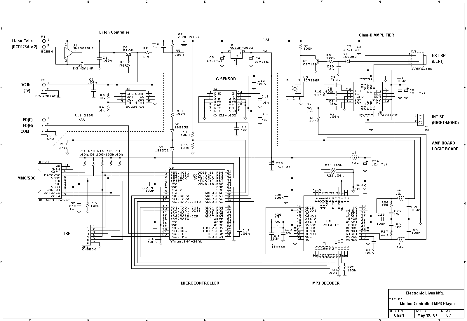
Ten mały odtwarzacz mp3, to prawdziwe dzieło sztuki. Jest nie tylko bardzo starannie wykonany, ale sposób jego obsługi jest także bardzo pomysłowy. Urządzenie jest kontrolowane za pomocą ruchu. Prawdopodbnie wiele urządzeń takich jak telefony komórkowe, czy odtwarzacze mp3, posiada taką funkcję, ale naprawdę milo jest popatrzeć na takie urządzenie, które zostało zbudowane praktycznie od podstaw. Jak widać na zdjęciach urządzenie, nie ma praktycznie żadnego przycisku do obsługi, tak więc trzeba zdać się na zabawę z obracaniem i stukaniem kostki.

Źródło http://elm-chan.org/works/cube/report.html
