logo elektroda
logo elektroda
X
logo elektroda
REKLAMA
REKLAMA
Adblock/uBlockOrigin/AdGuard mogą powodować znikanie niektórych postów z powodu nowej reguły.

Schemat ideowy - kto mi objaśni?

404Ad 31 Sty 2009 18:57 1163 3
REKLAMA
  • #1 6082700
    404Ad
    Poziom 10  
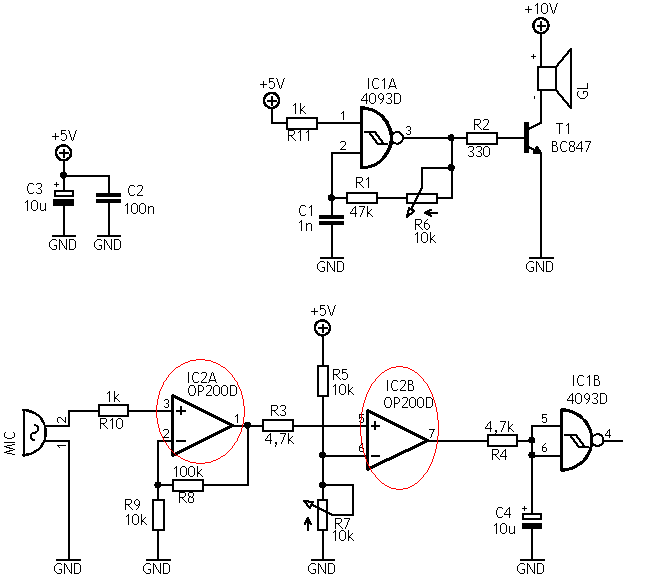
    Witam, niedawno znalazłem na forum elektroda.pl taki schemat :
    (z: https://www.elektroda.pl/rtvforum/topic601666.html podziękowania dla autora:) )
    Schemat ideowy - kto mi objaśni?

    Czy ktoś może mi objaśnić co to jest (zaznaczone elementy),
    z tego co mi się wydaje to są wzmacniacze operacyjne, ale gdy szukam ich
    w google.pl to nie moge znaleść ofert sprzedaży i jeszcze jedno jak to się pisze przez O czy 0?
    Z góry thx za pomoc.

    P.S. jeśli zły dział to sorry ale nie wiedziałem gdzie to umieścić.
  • REKLAMA
  • REKLAMA
  • #3 6083152
    404Ad
    Poziom 10  
    Thx

    Dodano po 11 [minuty]:

    Jeszcze jedno pytanie wiem że może zabrzmieć głupio. Czy te układy scalone trzeba programować? (IC1B, IC1A :4093D)

    Dodano po 1 [minuty]:

    I czy są tańsze zamienniki dla : OP200 ?
    Thx za wyrozumiałość i odpowiedz.
  • #4 6083491
    mariann
    Poziom 38  
    Witam
    Nic nie trzeba programować.
    Pozdrawiam
REKLAMA