Witam wszystkich
Mam takie dziwne pytanie. Czy w µC z tematu można zrobić coś takiego że powiedzmy klikając na przycisk mikrokontroler zrobi między swoimi innymi nogami obwód zamknięty, czyli generalnie klikam przycisk z obrazka a obwód powiedzmy czerwony zamyka się, klikam 2 raz obwód zielony zamyka się.
A może opisze mój problem i podpowiecie mi jakieś inne rozwiązanie bo to które wymyśliłem waszym zdanie to ślepa uliczka.
A więc tak.
Chciałbym sobie zrobić taki mały "pilot-joystick" na podstawie klawiatury komputerowej. Klawiatura w środku ma mała płytkę z nastoma wyprowadzeniami. Różne kombinacje połączenia tych wyprowadzeń daje różne klawisze z klawiatury. Ja bym chciał np mieć strzałka góra-dół, prawo-lewo oraz enter-esc + klawisz Mode, czyli razem 7 klawiszy. Naciśnięcie klawisza Mode zmienia ustawienie całości czyli powiedzmy zamiast strzałek pod te same klawisze podpięte jest Q-W, A-S, Z-X, ponowne kliknięcie mod przywaraca ustawienia pierwotne. Czyli za pomocą 7 klawiszy obsługuję 12 różnych klawiszy klawiatury (Mode się nie liczy).
Dodano po 9 [minuty]:
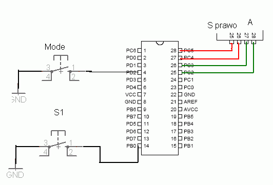
Może jeszcze obrazek poglądowy. Klikam S1 jest strzałka w prawo, klikam Mode i ten sam S1 to już literka A.

Mam takie dziwne pytanie. Czy w µC z tematu można zrobić coś takiego że powiedzmy klikając na przycisk mikrokontroler zrobi między swoimi innymi nogami obwód zamknięty, czyli generalnie klikam przycisk z obrazka a obwód powiedzmy czerwony zamyka się, klikam 2 raz obwód zielony zamyka się.
A może opisze mój problem i podpowiecie mi jakieś inne rozwiązanie bo to które wymyśliłem waszym zdanie to ślepa uliczka.
A więc tak.
Chciałbym sobie zrobić taki mały "pilot-joystick" na podstawie klawiatury komputerowej. Klawiatura w środku ma mała płytkę z nastoma wyprowadzeniami. Różne kombinacje połączenia tych wyprowadzeń daje różne klawisze z klawiatury. Ja bym chciał np mieć strzałka góra-dół, prawo-lewo oraz enter-esc + klawisz Mode, czyli razem 7 klawiszy. Naciśnięcie klawisza Mode zmienia ustawienie całości czyli powiedzmy zamiast strzałek pod te same klawisze podpięte jest Q-W, A-S, Z-X, ponowne kliknięcie mod przywaraca ustawienia pierwotne. Czyli za pomocą 7 klawiszy obsługuję 12 różnych klawiszy klawiatury (Mode się nie liczy).
Dodano po 9 [minuty]:
Może jeszcze obrazek poglądowy. Klikam S1 jest strzałka w prawo, klikam Mode i ten sam S1 to już literka A.
