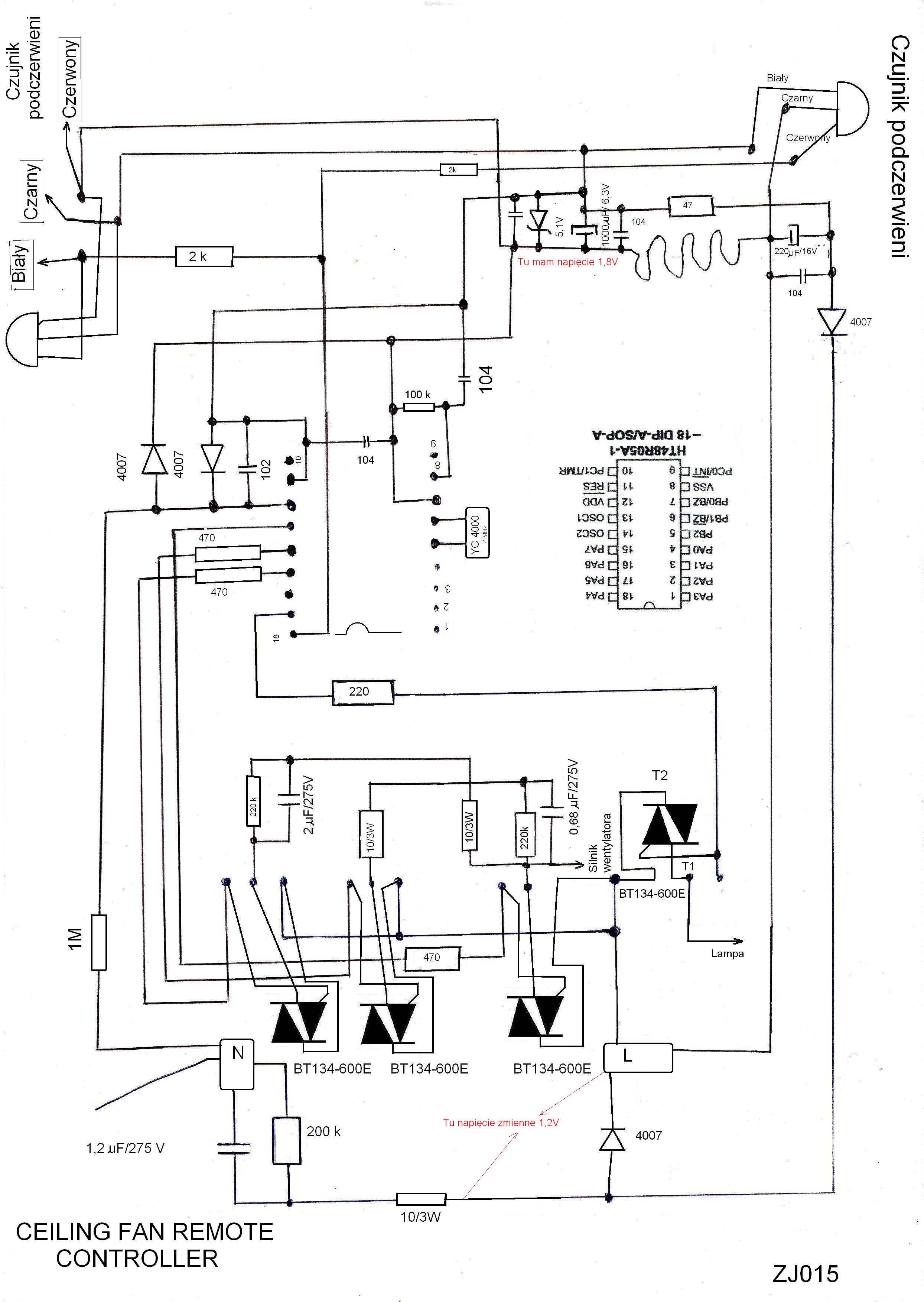
Witam, kupiłem taki nietypowy wentylator sterowany z pilota i tu problem wysiadło sterowanie ( ceiling fan remote controller Model: ZJ015 ) Sprawdzałem i podstawiałem kondensatory ( oprócz tych wysokonapięciowych ), wylutowałem scalaka i dalej mam chyba za małe napięcie na elku 100µF/6,3 V , nie można załączyć wentylatora, ani lampy. Czy takie napięcie wystarczy żeby sterowanie działało? Rozrysowałem schemat. Proszę o pomoc.
HTML:
<img src="https://obrazki.elektroda.pl/86_1233611433.jpg">
Tradycyjny link:
https://obrazki.elektroda.pl/86_1233611433.jpg
Chyba odwrotnie ponumerowałem nóżki scalaka ( to jest od strony druku ), ale głównie chodzi mi o zasilanie. Czy zmiejszenie rezystora 1M coś pomoże, czy uszkodzi go na amen?
Po wymianie kondensatora 1,2µF/ 275V wszystko działa.
HTML:
<img src="https://obrazki.elektroda.pl/86_1233611433.jpg">
Tradycyjny link:
https://obrazki.elektroda.pl/86_1233611433.jpg
Chyba odwrotnie ponumerowałem nóżki scalaka ( to jest od strony druku ), ale głównie chodzi mi o zasilanie. Czy zmiejszenie rezystora 1M coś pomoże, czy uszkodzi go na amen?
Po wymianie kondensatora 1,2µF/ 275V wszystko działa.