logo elektroda
logo elektroda
X
logo elektroda
REKLAMA
REKLAMA
Adblock/uBlockOrigin/AdGuard mogą powodować znikanie niektórych postów z powodu nowej reguły.

monitor lcd ibm model 9419-hb7 - sterownik zasilacza

romi37 04 Lut 2009 20:02 8046 10
REKLAMA
  • #1 6102960
    romi37
    Poziom 11  
    Oderwany kawałek obudowy scalaka w zasilaczu a zatem brak oznaczenia, oznaczenie na płycie to u101 model zasilacza pwi 1704 sg. Model monitora IBM 9419-HB7 może ktoś ma schemat lub może podać jaki to scalak dziękuje.
  • REKLAMA
  • #2 6108250
    lisek
    Serwisant RTV
    IBM 9419-hb7 = IBM Thinkvision L191p

    Może będzie prosciej jak napiszesz (patrząc na płytkę )
    -ile pinów ma scalak i jak obudowa
    -który pin. na masę / który na zasilanie
    -który pin. na sterowanie polowego/ lub bipolarnego
    -.....?
  • REKLAMA
  • #3 6108700
    romi37
    Poziom 11  
    Obudowa i wygląd samego scalaka to dla przykładu tda2003 6nóg tyle ze nogi 2,3,4,5, nie są na środku względem 1i6 są bardziej przesunięte w lewą stronę pomiędzy 5 i 6 nogą jest przerwa większa tak mogę go opisać słowami jest nie izolowany nie ma tranzystora polowego są trzy diody zenera 1i 5noga zwarte do nich podczepiony elektrolit 47/35v 6noga bezpośrednio do trafa przetwornicy ale nie wiem czy to pomoże co podałem. Zdjęcie mogę wysłać zasilacza jeżeli pomoże.

    Dodano po 5 [minuty]:

    Noga 4 do masy razem z kondesatorem 100/450v i nogą mostka prostowniczego zapomniałem dodać.
  • #4 6134280
    lisek
    Serwisant RTV
    Załacz zdjęcie fragmentu zasilacza!
  • REKLAMA
  • #5 6135957
    romi37
    Poziom 11  
    Zdjęcie
    monitor lcd ibm model 9419-hb7 - sterownik zasilacza
  • #6 6136520
    lisek
    Serwisant RTV
    Czy możesz to zdjęcie zrobic jako rzut z góry
    -co jest napisane na nalepce z kodem paskowym
    - i z lewej strony nalepki (pod trafkiem)
  • REKLAMA
  • #7 6141307
    romi37
    Poziom 11  
    Na nalepce napisane jest: SEC S/N:CN08BN4400106ASK28Y5BF111 REV:1.3
    Obok trafka na płytce nadrukowane jest MODEL :PWI1704SG(A)(B)(C)(D) Rev1.3 Powernet Technology
  • #8 6162658
    lisek
    Serwisant RTV
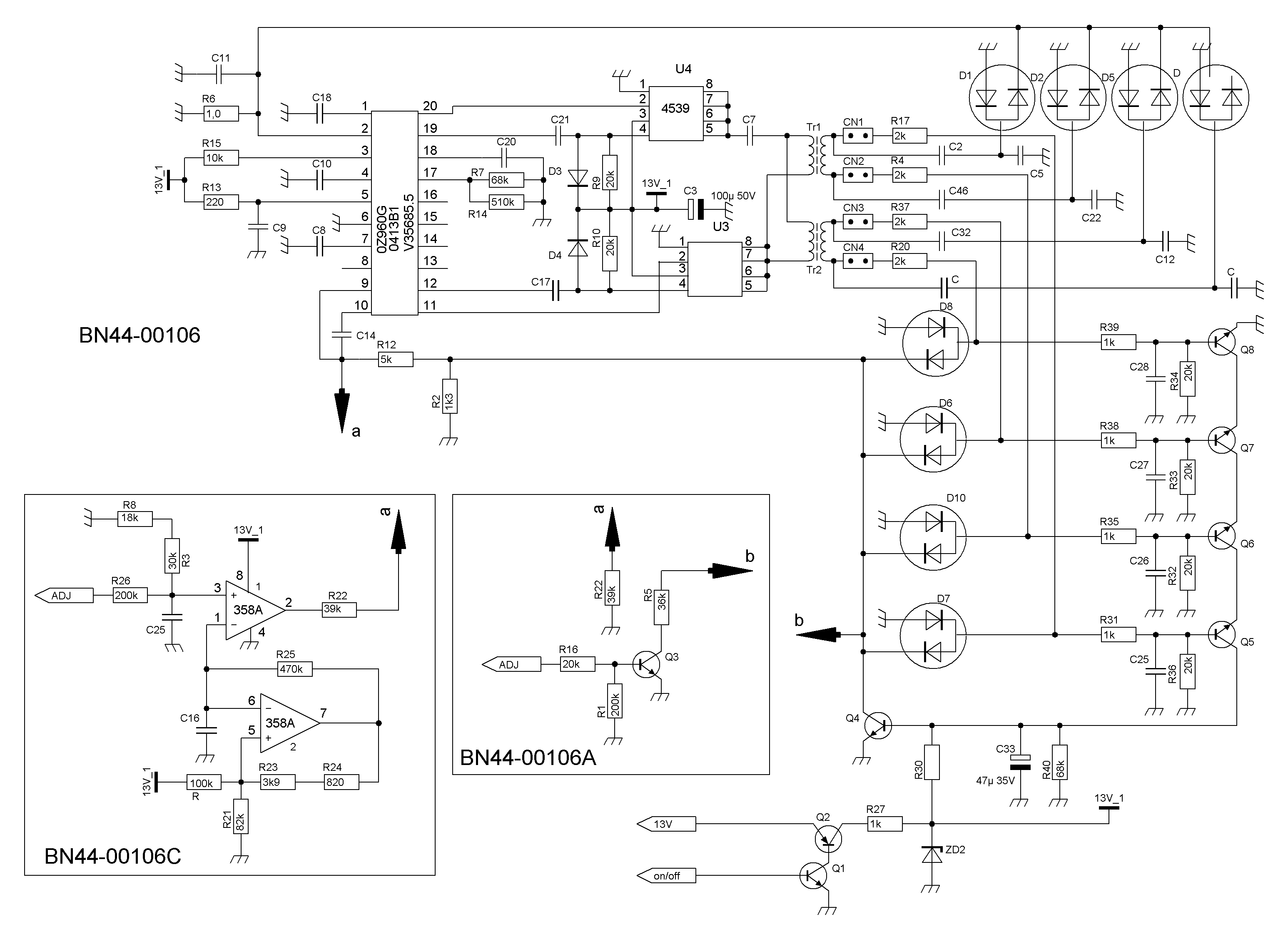
    Tutaj znalazłem schemat zasilacza płytka opisana jako BN4400106
    taki sam jest w SAMSUNG 710V
    model gs17vss/edc.
    Inwertor na OZ960
    -zamiast lamp wluyuj na czas naprawy opory 100k lub kondki 39pF/2kV
    monitor lcd ibm model 9419-hb7 - sterownik zasilacza
  • #9 6165555
    romi37
    Poziom 11  
    Oznaczenie się zgadza ale to nie ten schemat to jest schemat inwertera a ja szukam pierwotnej części zasilacza schematu monitora IBM model 9419-hb7. Dzięki za chęci.
  • #10 6173779
    lisek
    Serwisant RTV
    Na czym jest "zrobiona" ta właściwa cz. zasilacza
    -jaki scalak /tranzystory
    Napisz i wrzuć foto.
  • #11 6228393
    romi37
    Poziom 11  
    Może się komuś przyda jest to układ TOP 246YN zakupiłem drugi monitor ze sprawnym zasilaczem. Koledze liskowi dziękuje za zainteresowanie i chęć pomocy.
REKLAMA