logo elektroda
logo elektroda
X
logo elektroda
REKLAMA
REKLAMA
Adblock/uBlockOrigin/AdGuard mogą powodować znikanie niektórych postów z powodu nowej reguły.

Pomoc przy projekcie zwrotnicy

kknd99 17 Lut 2009 09:41 2222 11
REKLAMA
  • #1 6161763
    kknd99
    Poziom 10  
    Witam wszystkich

    W związku z moją pierwsza konstrukcją kolumn chciałem poprosić ekspertów o pomoc w zaprojektowaniu zwrotnicy. Mój zestaw ma się opierać na przetwornikach (na jedną kolumnę) tj: 2x ARN 188/05/4 ohm oraz VISATON SC10N. Wzmacniacz który posiadam to Yamaha ax 700 Kolumny mają wymiar jak na obrazku:


    Pomoc przy projekcie zwrotnicy



    Uprzejmie proszę o jakieś sugestie, pomysły schematów. Zaznaczam , że może się to wydać śmieszna dla innych ale naprawdę nie mam nawet urządzeń do pomiarów a co dopiero wiedzy na temat projektów zwrotnic.


    Z góry dzięki za pomoc
  • REKLAMA
  • #2 6163356
    mczeslaw
    Poziom 36  
    Z 2×ARN150 średnica jest ledwo wystarczalna, z 2×ARN188 będzie jej totalny brak. Chyba że puścisz je do końca naturalnego swojego spadku ch-ki bez zwrotnicy, ale do tego szkoda będzie pchać bardzo przyzwoitego Vitka.
    Oj radzę wejść w lepiej grające ARN150 i to z podobną efektywnością co sporo większe ARN 188.
    Albo zrobić 3-way na 2×ARN226 w 60 litrach clozet.

    Z ARN 188 to by to musiało tak wyglądać:
    Pomoc przy projekcie zwrotnicy
  • #3 6163851
    kknd99
    Poziom 10  
    Wzorowałem się na tym projekcie (praktycznie mam zamiar zrobić taki sam) : https://www.elektroda.pl/rtvforum/topic581707.html


    Mówisz ,że nie będzie słychać średnich tonów :( Z tego co piszą o tych kolumnach i zastosowanych przetwornikach wszystko jest ok. Autor wyraża się pozytywnie o tej konstrukcji. Sam już nie wiem każdy ma inne koncepcje :) a ja naprawdę nie znam się jeszcze na pomiarach zwrotnic parametrach głośników itp. Nawet dokładnie nie wiem jak stroi się przetworniki w winisd pomimo przeczytania kilkunastu tutoriali (chodzi mi o to , że niektórzy piszą że głośnik "x" w obudowie BR 60l a inny mówi że 40 closed itp.) - nie mam wiedzy i doświadczenia aby stwierdzić jaki wybór i strojenie jest najlepsze.


    Jeśli uważacie, że to lipny pomysł aby kopiować ten projekt i za tą kasę można zrobić np 3-way albo coś innego to bardzo bym prosił o zestawienie głośników + wymiary (litraż obudowy).

    Jeszcze raz zaznaczam jestem zielony jak na razie ale też nie chcę się zrażać do DIY z powodu kiepskiej kolumny skoro można zrobić taką abym był :D :D :D :D
  • #4 6164956
    mczeslaw
    Poziom 36  
    W zasadzie to tam mało co pisze o brzmieniu, a zwłaszcza o neutralności brzmienia, tylko o super wyglądzie, który jest naprawdę bardzo dobry. Ale może dla autora właśnie konturowe brzmienie odpowiada, czyli upośledzające tony średnie. Poza tym kolumny bardzo ładne.
    A jeszcze jedno, zauważ że nie ma do nich schematu zwrotnic. Jest to konfiguracja rzadko kopiowana. A jaki masz budżet (na kolumny). I jak u ciebie ze stolarką ?
  • REKLAMA
  • #5 6165464
    kknd99
    Poziom 10  
    Ze stolarką 0 problemu, nawet mam dostępność do maszyn stolarskich bo mój wujek jest stolarzem, zresztą sam mogę się pochwalić zdolnościami w "dłubaniu w drewnie" Tak w ogóle to dzięki za sugestie co do zmiany mojego planu. Gdybyś mógł mi podać zestawienie głośników pod tamten wymiar kolumn i schemat zwrotnicy to byłbym naprawdę wdzięczny !!! :)


    Co do funduszy to jeszcze nie wiem ile zainwestuję. Muszę to rozbić na raty tzn na razie zrobić paczki a potem kupić głośniki. Może się tak zdarzyć że później będę miał większy przypływ gotówki i będę mógł zainwestować więcej kasy. Zastanawiałem się nad Teslami bo ponoć są w miarę dobre i tanie. Potem przeskok jest już rzędu koło 200 zł za głośnik niskotonowy- więc sporo.... Myślałem że na początek wystarczy tesla + visaton ale może są jakieś inne kompozycje w miarę niskiej cenie??

    Co do tych konturów to jestem przeciw!!! Chcę aby moje głośniki grały dynamicznie i naturalnie bez żadnych konturów tak jak to się robi w g..nianych kolumnach po to żeby "lepiej grały" potencjometry na wzmacniaczu od basu trebles itp mają być na 0 a kolumna ma dawać czadu ( w pozytywnym słowa znaczeniu :) )

    Chciałbym przypomnieć , że wzmacniacz który posiadam to Yamaha ax 700
  • #6 6166997
    mczeslaw
    Poziom 36  
    To może 2×ARN150+SC10N, a jak za mało dynamiczne to może bardzo neutralna konstrukcja 3-way na 2×ARN226 + ARP150 (ARX 150) +ARV104 (Tonsil GDWK 10/80/7, ewentualnie SC10N Vitka):

    Pomoc przy projekcie zwrotnicy

    Pomoc przy projekcie zwrotnicy

    Przy czym ARP jest głośnikiem dość głośnym, ale ma już swoją obudowę, ja stosoawłem ARX 150, ale trzeba dla niego zrobić odrtodę około 2-3 dm3
    Co do zastosowania głośników wysokotonowych wybór należy do ciebie.
  • #7 6167358
    kknd99
    Poziom 10  
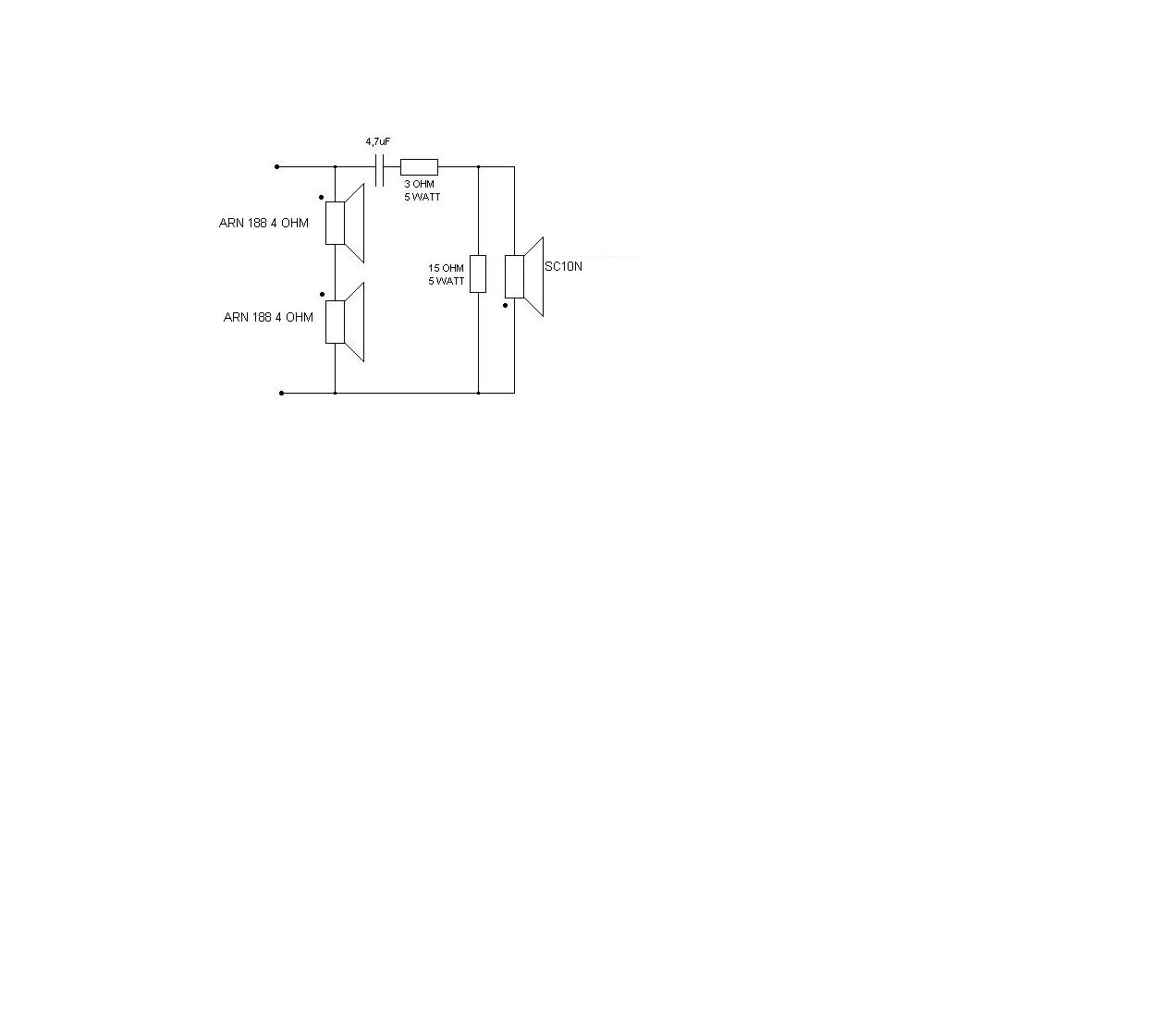
    1) Czy propozycja 2×ARN150+SC10N nada się pod tą obudowę którą ja zaprojektowałem i pod zwrotnice którą ty zaproponowałeś?? tj:

    Pomoc przy projekcie zwrotnicy

    oraz zwrotka:

    Pomoc przy projekcie zwrotnicy


    2) Jeśli chodzi o propozycję 3-way to bardzo mi się podoba :) Poważnie się zastanawiam nad nią... Mam rozumieć , że to obudowa typu - closed bez BR ??

    Czy belki usztywniające na twoim rysunku mają odgradzać części kolumny (szczelnie) czy tylko mają służyć jako rozpórki??

    P.s Dzięki za ten projekt
  • REKLAMA
  • #8 6167498
    mczeslaw
    Poziom 36  
    Obudowa clozet, jaro rozpórki. Chyba widać bo rysunek jest w rzutach prostopadłych.

    Nie kłam że to twój projekt obudowy, bo jak to twój to powiedz ile ma pojemności netto dla głośników niskotonowych.
    A jak dalej twierdzisz że to twoja, to zaprojektuj sobie dla ARN150 nową o Vb netto 15-16 litrów. No chyba wiesz o co chodzi jak ta od WOSZA jest twoim projektem - to musisz się orientować w podstawowych zasadach projektowania obudów.
    Ta nie nada się so ARM-ów 150, bo jak pisałem Vb musi być dla dwóch około 15-16 litrów.
  • #9 6167793
    kknd99
    Poziom 10  
    Napisałem , że moja w sensie , że miałem ją skopiować. Masz tu cytat z mojej powyższej wypowiedzi :
    Cytat:
    Wzorowałem się na tym projekcie (praktycznie mam zamiar zrobić taki sam) : https://www.elektroda.pl/rtvforum/topic581707.html] więc nie musisz się nie potrzebnie denerwować , że plagiatuje czyjeś konstrukcje :)


    Poza tym dziękuję jeszcze raz za pomoc mczeslaw -wie. Myślę że skuszę się na twoją propozycję 3 -way. Jak zrobię projekt w 3-d (cati v14) to się pochwalę a ty jeśli będziesz mógł to skomentujesz co jest źle a co dobrze.
  • REKLAMA
  • #11 6171975
    kknd99
    Poziom 10  
    Cytat:
    Przy czym ARP jest głośnikiem dość głośnym, ale ma już swoją obudowę, ja stosoawłem ARX 150, ale trzeba dla niego zrobić odrtodę około 2-3 dm3 Co do zastosowania głośników wysokotonowych wybór należy do ciebie.



    Jaki dokładnie ma być ten ARX który stosowałeś zamiast ARP ?? Czy był to ARX 150-23/8 ???

    Cytat:
    ale trzeba dla niego zrobić odrtodę około 2-3 dm3



    Mam rozumieć , że trzeba wydzielić przegrodę o pojemności 2-3 dm³ ???
REKLAMA