logo elektroda
logo elektroda
X
logo elektroda
REKLAMA
REKLAMA
Adblock/uBlockOrigin/AdGuard mogą powodować znikanie niektórych postów z powodu nowej reguły.

Jak zmienić konfigurację timer'a i oscylatora?

SirKamil90 20 Lut 2009 12:46 1458 2
REKLAMA
  • #1 6177806
    SirKamil90
    Poziom 14  
    Witam serdecznie,
    mam problem który polega na dostosowaniu programu działającego na AT90S8535P do Atmega8. Dokładniej problem polega na tym że Atmega8 nie posiada wyjść tosc1/2. Poradzono mi aby sam uC pracowal na wewn. układzie RC a zegar na zewnetrznym oscylatorze.

    Szukałem info na temat zmiany konfiguracji ale nie mogę wymyśleć co zmienic w kodzie źródłowym, w ogole nie wiem do czego dokładnie słyży oscylator na pinach tosc12/tosc2.

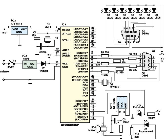
    Zamieszczam początek kodu źródłowego z programu na mikrokontroler AT90S8535P:

    Rem * * * * * Deklaracja Rezonatora Kwarcowego * * * * *
    $crystal = 8000000
    
    Rem * * * * * Deklaracja Zmiennych * * * * *
    
    Dim Napis As String * 35
    Dim Czas As String * 8
    Dim Litera As String * 2
    Dim G As String * 1
    Rem - - - - - - - - - - - - - - - - - -
    Dim Wskaznik As Word
    Dim Zak_wskaznika As Word
    Dim I As Word
    Dim Index As Word
    Rem - - - - - - - - - - - - - - - - - -
    Dim Nr_napisu As Byte
    Dim Adres_napisu As Byte
    Dim Predkosc_napisu As Byte
    Dim Kod_litery As Byte
    Dim Dane(245) As Byte
    Dim J As Byte
    Dim Segment As Byte
    Dim Przesuw As Byte
    Dim Klit As Byte
    Dim Dl_okna As Byte
    Dim Dl_slowa As Byte
    Dim Zwloka As Byte
    Dim Address As Byte
    Dim Command As Byte
    Rem - - - - - - - - - - - - - - - - - -
    Dim Ustaw As Bit
    Dim Timer_start As Bit
    Dim Zegar As Bit
    Dim Rolowanie As Bit
    
    Rem * * * * * Deklaracja procedur * * * * *
    
    Declare Sub Napisy
    Declare Sub Dzwiek
    Declare Sub Opoznienie
    Declare Sub Czytaj_czas
    Declare Sub Zapisz_napis
    Declare Sub Czytaj_napis
    
    Rem * * * * * Zmiana Nazwy Portu * * * * *
    
    Bzyczek Alias Portd.1
    
    Rem * * * * * Zezwolenie na przerwania * * * * *
    
    Enable Interrupts
    On Timer1 Przesuw_napisu
    On Int1 Fotodioda
    
    Rem * * * * * Konfiguracja Portu , Zegara , Rc5 * * * * *
    
    Config Clock = Soft
    Config Portb = Output
    Config Pind.1 = Output
    Config Rc5 = Pind.2
    Config Timer1 = Timer , Prescale = 8                        '0,5 s opóźnienia
    
    Rem * * * * * Założenia początkowych wartości zmiennych * * * * *
    Sound Bzyczek , 800 , 10
    Waitms 100
    Set Bzyczek
    Ustaw = 0
    Time$ = "12:01:15"
    Czas = ""
    Rem - - - - - - - - - - - - - - - - - -
    Rolowanie = 0
    Timer_start = 0
    Zegar = 1
    Rem Dl_okna = 56
    Predkosc_napisu = 1
    Rem - - - - - - - - - - - - - - - - - -
    Readeeprom Zwloka , 0
    Waitms 10
    If Zwloka = 255 Then
                    Zwloka = 50
                    End If
    Readeeprom Dl_okna , 1
    Waitms 10
    If Dl_okna = 255 Then
                    Dl_okna = 56
                    End If
    Rem - - - - - - - - - - - - - - - - - -
    Wskaznik = Dl_okna
    Napis = "u HELLO u   "
    Nr_napisu = 0
    Adres_napisu = 3
    Call Zapisz_napis
    Rem - - - - - - - - - - - - - - - - - -
    Enable Timer1
    Stop Timer1
    Call Czytaj_czas
    Dl_slowa = 56
    Rem - - - - - - - - - - - - - - - - - -
    Enable Int1



    Schemat ideowy układu (jest to wyświetlacz widmowy):

    Jak zmienić konfigurację timer'a i oscylatora?



    Pozdrawiam

    Pytania dotyczące mikrokontrolerów proszę zadawać w dziale Mikrokontrolery.
    Post przeniosłem z działu Programowanie początkujący.
    [Dr.Vee]
  • REKLAMA
  • Pomocny post
    #2 6181780
    Konto nie istnieje
    Poziom 1  
  • #3 6181998
    SirKamil90
    Poziom 14  
    Ok, dziekuje bardzo za pomoc!
REKLAMA