Mam kilka pytań odnośnie budowy na tym głośniku subwoofera.
Głośnik zamierzam napędzać pojedynczą kością tda 7294 (w przyszłości mostek)
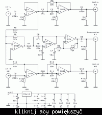
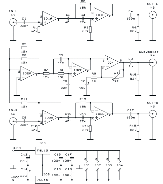
Myślę o filtrze aktywnym, ale jaki był by najlepszy do tego głośnika, o jakim podziale, myślałem o kicie NE125, ale ponoć nie jest za dobry, bym prosił o jakiś schemat filtra który jest w miarę dobry i nie skomplikowany, bo się w ogóle na filtrach nie znam.
Budę chce zrobić na 35 litrów i Bas ref lex 72mm i długości 16-16.5cm
Grać to będzie razem ze space86 w pokoju 20m2.
Subwoofer ma służyć do słuchania muzyki.
Proszę też o jakieś podsunięcia, co mogę ew. zmienić.
Głośnik zamierzam napędzać pojedynczą kością tda 7294 (w przyszłości mostek)
Myślę o filtrze aktywnym, ale jaki był by najlepszy do tego głośnika, o jakim podziale, myślałem o kicie NE125, ale ponoć nie jest za dobry, bym prosił o jakiś schemat filtra który jest w miarę dobry i nie skomplikowany, bo się w ogóle na filtrach nie znam.
Budę chce zrobić na 35 litrów i Bas ref lex 72mm i długości 16-16.5cm
Grać to będzie razem ze space86 w pokoju 20m2.
Subwoofer ma służyć do słuchania muzyki.
Proszę też o jakieś podsunięcia, co mogę ew. zmienić.
