logo elektroda
logo elektroda
X
logo elektroda
REKLAMA
REKLAMA
Adblock/uBlockOrigin/AdGuard mogą powodować znikanie niektórych postów z powodu nowej reguły.

Zmana opornści - kolumny na głośnikach Tonsili

Nicolas26 04 Mar 2009 20:35 2519 22
REKLAMA
  • #1 6236666
    Nicolas26
    Poziom 12  
    Pytanie moje polega na tym że chcę zbudować dwie kolumny podłogowe trzy-drożne. oparte na głośnikach Tonsil a więc po kolei;
    GDWK 11/100 8ohm Wysokie tony
    GTC 16/40/1 8ohm Średnie tony
    2x GDN 20/80/2 8ohm Niskie tony
    Problem polega na tym iż wszystkie mają oporność 8ohm, a Mi by zależało aby kolumny miały 4ohm. Więc co mam zrobić???? Pomocy
  • REKLAMA
  • Pomocny post
    #2 6236753
    januss73
    Poziom 32  
    Połączyć GDN'y równolegle.
    A czemu ci tak na tym zależy?
  • Pomocny post
    #3 6236790
    mczeslaw
    Poziom 36  
    GDN16/40/1 na średnie? Lepiej już GDM16/80 jak chcesz głośnik tej wielkości. No chyba że tor niskotonowy ma przenosić tylko do 200 - 300 Hz maksymalnie. No to wtedy już niskośredniotonowy wchodzi w rachubę.
    Dwa głośniki niskotonowe połączone równolegle w tym przypadku sprawią że impedancja wypadkowa zestawu wyjdzie ci 4Ω.
  • #4 6236866
    Nicolas26
    Poziom 12  
    Właśnie ten gtc16/40/1 będzie spełniał role niskośredniotonowego. No a co z opornością Gtc16/40/1 i wysokotonowym 11/100? Czy zwrotnica to skoryguje?

    januss73 bo Mój amplituner woli 4ohmowe kolumny a przy okazji zyska trosze więcej na mocy.
  • REKLAMA
  • Pomocny post
    #5 6237115
    januss73
    Poziom 32  
    Mczeslaw ma rację, ten średnioniskotonowy ma spl 90dB, czyli tyle co niskotonowy. Byłaby zagadka co zrobić ze średnimi jak 2 równoległe niskie wyrobiłyby 93dB. Chyba że GDNy pracowałby do momentu gdzie ich SPL nie jest jeszcze tak wysoki. Powinieneś tak dopasować zestaw aby 2xGDN miały podobny SPL jak jeden średni, i tu chyba na średni lepiej wybrać coś z GDM.
    Weź też pod uwagę, że w konstrukcji 3-way niskośredni pracuje w obudowie zamkniętej, co go siłą rzeczy trochę od dołu ogranicza.
    Nie tyle zwrotnica uwzględni oporność średniego co ty to zrobisz konstruując zwrotnicę.
  • #6 6237297
    Nicolas26
    Poziom 12  
    Problem jest również z tym że głośniki już zakupiłem. A co do tego 16/40/1 to w instrukcji głośnika jest napisane że jego SPL wynosi 91dB. No nic, pozostanie "kombinowanie z zwrotnicą" Dziękuje bardzo za wszystko
  • #7 6238532
    mczeslaw
    Poziom 36  
    Nie ma co kombinować tylko zrobimy monitorek na GDN16/40/1 (to to samo co GTC16/40/1), z GDWK 11/100 w około 10 litrach a z 2× GDN 20/80/2 zrobi sią wspomagający go subwoofer w jednej obudowie. To impedancja toru niskotonowego świadczy o impedancji kolumny, reszta głośników noże być 8Ω.

    No ale kolumna będzie sporych rozmiarów.
    Ze zwrotnicą też coś poradzimy.
  • #8 6239883
    Nicolas26
    Poziom 12  
    mczeslaw
    Co do wielkości to nie jest mi aż tak straszna. W tej chwili stoją u mnie ponad 75litrowe Scherzo 350 więc troszkę większe również się zmieszczą. Pokój również to przeżyje bo ma 20mkw i poza kolumnami,stolikiem RTV i fotelem nic nie ma. Co do zwrotnicy ciekawi mnie jaki by był ich koszt??
  • REKLAMA
  • #9 6240008
    mczeslaw
    Poziom 36  
    Na początek małe sprostowanie samego siebie; GTC 16/40/1 to oczywiście GDN16/50/6.

    Kolumna by miała około 1100mm / 240mm / 390mm.
    Odseparowane dwie obudowy około 10 litrów dla GTC, który wraz z GDWK10/100 przenosił by od około 250 Hz w górę.
    Niższymi rejestrami zajmą się dwa GDN20/80/2, w około 60 litrach z BR nastrojonym na około 40Hz ( rura φ 10cm i 17,5 cm długości ). To nam zagwarantuje zejście F6 na poziomie 38 Hz co jest bardzo przyzwoitym wynikiem, zwłaszcza że będzie to kolumna jakby nie patrzeć trójdrożna.

    Co do zwrotnicy to nie powinno być mocna drogo, bo tor niskotonowy o impedancji 4Ω, sprawi że nie będziemy potrzebowali cewki o tak dużej impedancji, a kondensatory o wielkiej pojemności można zastąpić tańszymi elektrolitycznymi bipolarnymi do torów elektroakustycznych, ale ja ich się wole wystrzegać.
  • #10 6240217
    Nicolas26
    Poziom 12  
    Co do rozmiarów to tak mniej więcej mam zaplanowane.

    A co do zwrotnicy to chyba nie ma co za bardzo oszczędzać na najtańszych. Można coś lepszego dać. Jakieś propozycje??

    Proszę poprawić tytuł w pierwszym poście.
    Regulamin p.11
    [Art]
  • #12 6244945
    Nicolas26
    Poziom 12  
    mczeslaw
    No coś pięknego.
    Tylko myślałem o tym aby niskotonowe 20/80/2 były ciut wyżej a mianowicie od razu pod GDWK11/100 i bass refleks z przodu. Czy można by było w taki sposób? Czy ma to wielkie znaczenie? Martwi mnie bardziej konstrukcja samej zwrotnicy.
  • Pomocny post
    #13 6245354
    mczeslaw
    Poziom 36  
    Częstotliwość podziału poniżej 300 Hz zmusza nas aby pomiędzy centrami akustycznymi niskośredniotonowym, a niskotonowym była odległość minimum 550 mm. Nie będę tłumaczył teraz dlaczego. Poczytaj sobie;
    http://www.akustyk.com.pl/projekty/HX3.html
    Dla mnie jedno z lepszych rozmieszczeń głośników.

    Ale jeśli chcesz koniecznie coś ala MAESTRO II 180, to wtedy zmienia nam całkiem koncepcje. Zwiększamy pierwszą częstotliwość do około 0,8 - 1,0 kHz, za GDN 16/50/6 wsadzamy GDM16/80 (oczywiście Tonsila), głośniki ustawiamy tak jak w Maestro II 180, ale z jak najmniejszymi przerwami, i zmniejszamy wielkość kolumny bo GDM 16/80 w wysokim pierwszym cięciu zadowoli się już 3 - 4 litrami.
    W tym przypadku BR może być i z przodu tylko że zmieści się nam jedynie w przestrzeni pomiędzy GDWK11/100 a GDN20/80/2.
    Jeśli masz duży pokój to przy odsunięciu kolumn minimum 0,5 metra od ściany, br z tyłu po odbiciu się od ściany spisuje się lepiej niż by był z przodu.
    To już jest koncepcja wyższych lotów :idea:
    Tam już jest wszystko uwzględnione, po odjęciu objętości jakie zajmują głośniki, wzmocnienia oraz tunel BR, - 60 dm3 dla głośników GDN20/80/2 oraz dla GDN 16/50/1 około 11 dm3.

    Nie martw się o zwrotnicę, też będzie.
  • #14 6248508
    Nicolas26
    Poziom 12  
    mczeslaw
    Co do głośników to nie będziemy zmieniać a więc zostaje Twój pomysł i według niego będziemy dalej pracować.
    Oprócz tego muszę się przyznać że Te kolumny będą pracować w systemie kina domowego na frontach. Mam więc kolejne pytanie czy kolumny "tylne" mogą być zbudowane na dwóch GTC16/40/1 i jednym GDWK11/100 oczywiście aby w sumie miały 4ohm?? I jaka ich budowa by pasowała do Frontów?
  • #15 6249277
    mczeslaw
    Poziom 36  
    Oczywiście że tak ale satelitki wystarczą z jednego GTC. Można je kupić w wersjii 4 Ohm, a jak będą w wersji 8 Ohnmto też nie przeszkadza. Central będzie można na dwóch GTC + GDWK11/100.
    I dobrze jak sie decydujesz na w/p projekt. Subwoofera już w zasadzie nie będzie potrzeba, zwrotnica już tuż tuż.
    W kinie domowym i tak wyrównuje sie efektywności L+P CENTER, SAT P+L, także nie musi być wszystkich kolumn impedancja identyczna.
  • #16 6249701
    Nicolas26
    Poziom 12  
    O subwooferze nawet w ogóle nie myślałem. Centralny raczej wpadł mi do głowy na dwóch GDN 13/40/2 i jednym GDWK11/100(tylko jeszcze tych głośników nie zakupiłem). Co do satelit to raczej wolał bym aby zostało na dwóch GTC16/40/1+GDWK11/100( głośniki już kupione o oporności 8ohm) A więc basowe trzeba w szereg. Może jakiś naprowadzenie co do rozmieszczenia samych przetworników w tych satelitach.
  • Pomocny post
    #17 6250026
    mczeslaw
    Poziom 36  
    Satelity zrób jako monitorki 8 Ω - owe typu zamkniętego o pojemności około 13 dm3 netto, a central zrób jako 4 Ω z pozostałych i nie pchaj się już w 13-stki.
    I zauważ że wszędzie pasmo niskośredniotonowe będzie przetwarzane z tych samych GTC16/40/1 (GDN16/50/6). Bardzo dobre rozwiązanie.
    Central musi być mocniejszy od satelit.
    Tu masz gotowe projekty.
    Zmana opornści - kolumny na głośnikach Tonsili
    Zmana opornści - kolumny na głośnikach Tonsili
  • #18 6252693
    Nicolas26
    Poziom 12  
    mczeslaw
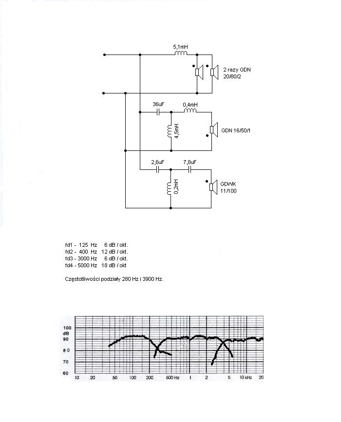
    Dzięki wielkie za wszelką pomoc oraz projekty(oczywiście będę budował wszystko według nich) Mam jeszcze jedno pytanie. W jednym z postów napisałeś że "zwrotnica tuż tuż" Czyżby miałbyś dla mnie jakiś schemat dla moich "frontów"???
  • #20 6253576
    Nicolas26
    Poziom 12  
    mczeslaw
    Jeszcze raz dziękuje. Jestem twoim dłużnikiem. Projekty będą wcielane w miarę możliwości(tzn.czasu).Oczywiście odezwę się jak będzie gotowe. Oraz zdjęcia znajdą się na Elektrodzie.Pozdrawiam
  • #21 6255903
    Nicolas26
    Poziom 12  
    No zapomniałem jeszcze zapytać jakie najlepsze będą cewki do tych zwrotnic oraz jakie kondensatory????
  • REKLAMA
  • Pomocny post
    #22 6256888
    mczeslaw
    Poziom 36  
    Elementy do zwrotnic zakupisz na www.polink.com.pl. Cewki szeregowe z drutu minimum 1,2 mm2, te o dużych indukcyjnosciach najlepiej by były powietrzene ale to duża kasa. Mogą być rdzeniowe , te o mniejszych indukcyjnosciach powietrzene. Cewki równoległe wystarczy im drut 0,7-0,8 mm2.
    Kondensatory,- najlepiej MKP, ale duże pojemności są drogie, można je zastąpić elektrolitami, ale nie polecam.
    Wszystko jest w polinku.
  • #23 6259856
    Nicolas26
    Poziom 12  
    Po raz kolejny Dziękuje.
REKLAMA