logo elektroda
logo elektroda
X
logo elektroda
REKLAMA
REKLAMA
Adblock/uBlockOrigin/AdGuard mogą powodować znikanie niektórych postów z powodu nowej reguły.

Przekaźnik oświetlenia wnętrza

dskora 07 Mar 2009 00:36 27032 9
REKLAMA
  • #1 6246750
    dskora
    Poziom 10  
    Mam takie pytanie, gdzie znajduje się przekaźnik odpowiedzialny za zapalanie światła oraz gaszenie wewnątrz pojazdu. Prawdopodobnie znajduje się obok bezpieczników we wnętrzu auta. Takie są moje przypuszczenia, ale nie wiem, bo na zewnątrz też są jakieś przekaźniki. Może znalazłby ktoś czas i spróbował na otwartych drzwiach powypinać przekaźniki aż trafi na odpowiedzialny za tą funkcję w aucie. Wielkie dzięki za pomoc i wszystkie sugestie.

    A tak w ogóle to wszystko zaczęło się od tego, że przepaliła mi się żarówka. Chcąc ją wymienić zauważyłem przetarte kable wymieniając kable zwarłem je do kupy i wywaliło bezpiecznik. Po wymianie bezpiecznika przy otwartych drzwiach świeci się tylko kontrolka na desce a oświetlenie na podsufitce nie. Gdy przełączę na lampie w pozycje <ON> lampka świeci. Sprawdzałem miernikiem i nie dochodzi faza do lampki.
  • REKLAMA
  • #2 6246775
    Pawel wawa
    VIP Zasłużony dla elektroda
    Wróżki na urlopie, np w syrence takiego nie ma a w mercedesach jest. Jak zdradzisz jakie masz auto bedziemy mogli pomóc.
  • REKLAMA
  • #3 6246833
    dskora
    Poziom 10  
    Sorki
    Mitsubishi Lancer 8 2005rok
  • #4 6247057
    dskora
    Poziom 10  
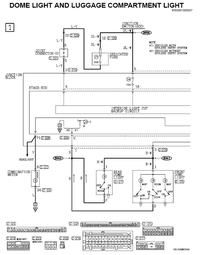
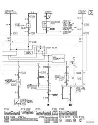
    Znalazłem schematy nie wiem czy to napewno to ponieważ nie znam się za bardzo na elektronice a tym bardziej angielskim. może ktoś będzie potrafiz z tych schematów odczytac który to jest przekaźnik??
    Przekaźnik oświetlenia wnętrza
    Przekaźnik oświetlenia wnętrza
    Przekaźnik oświetlenia wnętrza
  • REKLAMA
  • #5 6247351
    milejow
    Poziom 43  
    Jesli lampka swieci w pozycji ON to zasilanie jest ok.Do twojej lampki dochodzi 3kable-+12V i dwie masy,jedna stala(podajac ja,wlaczasz swiatlo w pozycje ON)a druga pojawia sie z modulu sterujacego(JUNCTION BLOCK) w momencie otwarcia drzwi.Sprawdz ten kabel i nie miernikiem tylko probnikiem zarowkowym podpietym do stalego plusa
  • #6 6248337
    dskora
    Poziom 10  
    Jest tak wiadomo minus z karoserii, na jednym jest masa, a na drugim nie dochodzi masa. Tylko mam problem, ponieważ nie wiem gdzie znajduje się ten moduł sterujący a nie chcę pruć wszystkich paneli podążając za kablami
  • #7 6248429
    milejow
    Poziom 43  
    Po lewej stronie,pod kierownica.Jest zintegrowany ze skrzynka bezpiecznikow
  • REKLAMA
  • #8 6248592
    dskora
    Poziom 10  
    Morze zawracam dupe głupotami<za co wielkie PRZEPRASZAM>ale chodzi Tobie o to ?
    Przekaźnik oświetlenia wnętrza
  • #9 6253834
    milejow
    Poziom 43  
    Dokladnie to zlacze na czerwono(pin5),zwierajac kable mogles puscic z dymem sterowanie oswietleniem z modulu.Tam bylo pewnie oswietlenie wygaszane czasowo i stopniowo,co?Trzeba rozgrzebac modul,wyjscie jest na tranzystorze,czesto(predzej zawsze)jest po nim dioda separujaca.Pewnie poleciala bo nie wytrzymala zwarcia z plusem
  • #10 6255651
    dskora
    Poziom 10  
    tak właśnie było po przekręceniu kluczyka gasło po woli. Ale to już raczej nie na mój łeb robota patrzyłem tam i to jest zabudowane a pyzatym dostęp do tego jest strasznie utrudniony, ale wielkie dzięki za pomoc
REKLAMA