logo elektroda
logo elektroda
X
logo elektroda
Adblock/uBlockOrigin/AdGuard mogą powodować znikanie niektórych postów z powodu nowej reguły.

[ATmega8][Bascom]Płytka testowa

dziczek125 12 Mar 2009 15:38 2376 4
  • #1 6271809
    dziczek125
    Poziom 10  
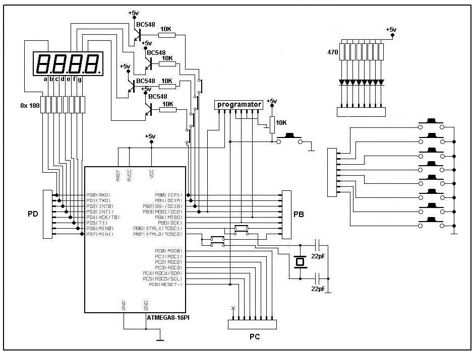
    Narysowałem schemat ideowy płytki testowej na ATmega8 .Bardzo proszę o sprawdzenie .Z góry dziękuje.
    https://obrazki.elektroda.pl/7_1236868615.jpg
  • Pomocny post
    #2 6272535
    bishop
    Poziom 16  
    Jak "projektowałem" taką płytkę to robiłem aref na potencjometrze do + i do - aby można było regulować napięcie referencyjne
    Szczerze mówiąć do nauki i testów mam płytkę testową z AVT i jest świetna i dopracowana.
  • Pomocny post
    #3 6272732
    _Robak_
    Poziom 33  
    Kondensatory 100nF pomiedzy VCC i GND. Jak podepniesz sobie napiecie do Vref to nie bedziesz mogl skorzystac z wewnetrznego. Dlatego zrob tak, dlawik 10uH w szereg na AVCC (do tego kondensator oczywiscie). I bedziesz mogl wybrac sobie napiecie na potencjale AVCC albo jakies wewnetrzne :)
  • #4 6273216
    dziczek125
    Poziom 10  
    Dzięki za pomoc !
  • Pomocny post
    #5 6273358
    Konto nie istnieje
    Poziom 1  
REKLAMA