logo elektroda
logo elektroda
X
logo elektroda
REKLAMA
REKLAMA
Adblock/uBlockOrigin/AdGuard mogą powodować znikanie niektórych postów z powodu nowej reguły.

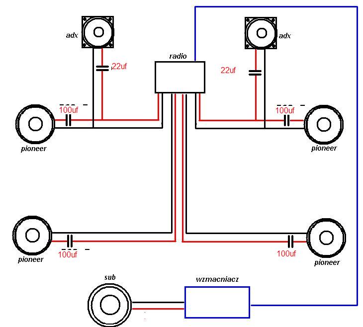
Jakie kondesatory do głosników ??

lyndzik 14 Mar 2009 20:44 1157 15
REKLAMA
  • #1 6282032
    lyndzik
    Poziom 18  
    Witam posiadam radio Pioneer deh4000ub i mam taki problem ze w drzwiach mam głośniki 4x16cm które graja całym pasmem i ostatnio zakupiłem subwoofer do bagażnika i chciałbym odciąć niskie tony na tych głośnikach we drzwiach ponieważ basu mi wystarczy z suba
    I moje pytanie brzmi czy kondensatory muszą być Bipolarne czy mogą być zwykłe elektrolity z polaryzacja
    Wartość dobiorę doświadczalnie
  • REKLAMA
  • #2 6282214
    powalla
    Moderator CarAudio
    Po co kombinujesz jak na pokładzie masz HPF? Ustawiasz na tyle ile chcesz i po sprawie .
  • #3 6282246
    lyndzik
    Poziom 18  
    nie chodzi oto żeby sub grał muszę dać dużo basu na radiu a drzwi mam niewygłuszone i mi strasznie dudnią te we drzwiach a jak odetnę im trochę basu to będzie git tak żeby grały średnimi i wysokimi tonami

    Dodano po 4 [minuty]:

    Mysle nad takim czyms
    Jakie kondesatory do głosników ??
  • #4 6282279
    Konto nie istnieje
    Poziom 1  
  • #5 6282316
    lyndzik
    Poziom 18  
    Tak będę kombinował aż znajdę to czego szukam tylko chodziło mi czy elektrolity będą czy radiu nie zaszkodzą.
    Czy jest jakaś zasada co do tych kondensatorów? czy można wlutować normalnie w szereg i nic się niestanie
  • REKLAMA
  • #6 6282377
    Konto nie istnieje
    Poziom 1  
  • #7 6282396
    powalla
    Moderator CarAudio
    Słuchaj , a nie możesz podkręcić po prostu Gain na wzmacniaczu dla suba?

    PS: Radio podbija bas na ok 100Hz , więc ustaw HPF na 120 i z głowy masz kombinacje z filterkami . Drugą sprawą jest fakt ,że stosując filtr 1 rzędu musiałbyś obciąć pasmo woferków chyba na 300Hz , żeby podbijając na radiu częstotliwość 100Hz nie wpływało to na głośniki w drzwiach ... jeśli już to zastosuj filtr 2 rzędu , tylko po co jak masz go w radiu ?
  • #8 6282422
    lyndzik
    Poziom 18  
    Pokombinuje z radiem jest tam dużo opcji
    a co do tej polaryzacji to jak ma ona być (może się przyda w przyszłości)
  • REKLAMA
  • #9 6282428
    Konto nie istnieje
    Poziom 1  
  • REKLAMA
  • #10 6282443
    wasylwek
    VIP Zasłużony dla elektroda
    Bzdura z tą polaryzacją, jeżeli ma być zgodnie z "sumieniem" daj 2 szt elektrolitycznych zwróconymi jednakowymi elektrodami do siebie.
  • #11 6282456
    Konto nie istnieje
    Poziom 1  
  • #12 6282485
    lyndzik
    Poziom 18  
    Jak dwa to żeby było 20uf muszę dać dwa po 10uf w szereg ?
    -------------------------------------------------------------------------------
    edit S
    Nie, żeby mieć 110µF musisz mieć 2 szt 220µF .
  • #13 6282529
    wasylwek
    VIP Zasłużony dla elektroda
    Kondensator to kondensator dawać takie kombinacje nic wielkiego nie dają ale... zwykłe "elektrolity" nie za bardzo są "halo" do zastosowań audio (zwrotki) są one troche innej odmiany bodaj bipolarne się na nie mówi, przez takie zabiegi "teoretycznie" oszukuje się trochę choć uwazam, że to lekki przerost całokształtu.
    Przy średniej klasie sprzętu mozna już spokojnie "odczuć różnicę" między brzmieniem zwykłych elektrolitycznych a Jantzenami , że o Mundorfach nie wspomnę ;) .
  • #14 6282544
    Konto nie istnieje
    Poziom 1  
  • #15 6284072
    lyndzik
    Poziom 18  
    aha dwa szeregowo o tej samej wartości dadzą wartość o połowę mniejsza
    Jeszcze jedno patrzyłem na opcje radia i nie mogę znaleźć tego HPF
  • #16 6284084
    Konto nie istnieje
    Poziom 1  
REKLAMA