logo elektroda
logo elektroda
X
logo elektroda
REKLAMA
REKLAMA
Adblock/uBlockOrigin/AdGuard mogą powodować znikanie niektórych postów z powodu nowej reguły.

Wntylatory, diody zenera

jaros10 24 Mar 2009 16:22 1887 4
REKLAMA
  • #1 6326245
    jaros10
    Poziom 11  
    Witam,

    Proszę o pomoc - jaką diode zenera dodać aby obniżyć napięcie 4 czterech wentylatorów 12V 0,8 A = 12 V 3,2 A

    Myślę, że napięcie w granicy 5 do 6 V będzie OK

    Ps : W obwodzie jest termostat z przekaźnikiem i w momencie zagrzania zwierał by te diody tak , że na FAN poszło by 12 V
  • REKLAMA
  • #2 6326369
    kamel_w
    Poziom 19  
    Dioda Zenera tutaj nie wystarczy, musiałby to być uklad z tranzystorem na którego bazę wpięta jest dioda. Zostaje tylko problem rozwiązania problemu ,,zwierania", Można też wytworzyć układ na wzm. operacyjnym, do którego wpięty jest termistor regulujący napięcie na wentylatorach w zalezności od temperatur.
  • REKLAMA
  • #3 6326436
    fuutro
    Poziom 43  
    Diodę Zenera można wzmocnić tranzystorem mocy i zapakować go na radiator, bo trzeba będzie pozbyć się koło 20W strat w cieple.
  • REKLAMA
  • #4 6326660
    ajpier
    Poziom 36  
    Problemu zwierania też nie widzę z racji zastosowania przekaźnika i przełączania się pomiędzy układami. No chyba że jest to przekaźnik z jednym stykiem NO.
  • #5 6328160
    jaros10
    Poziom 11  
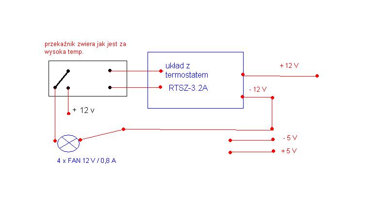
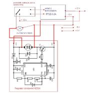
    Dziękuje za poważne podejście do sprawy. Postanowiłem moją wizje amatorsko zilustrować.
    Wntylatory, diody zenera

    Będzie to podpięte do zasilacza PC - a może jakiś pomysł ktoś ma na wykorzystanie 5 V ? ewentualnie proszę o jakiś link bądź schemat opcji z tranzystorem.

    W skrócie idea jest taka, żeby wentylatory pracowały powoli i cicho a zaczynały pracować na 100% jak temperatura wzrośnie (bez opcji wolnych obrotów uruchamiały by się co chwile).


    A jak by to tak zrobic ? działało bu to czy spalił by sie ten układ albo cos innego ?
    Wntylatory, diody zenera
REKLAMA