logo elektroda
logo elektroda
X
logo elektroda
REKLAMA
REKLAMA
Adblock/uBlockOrigin/AdGuard mogą powodować znikanie niektórych postów z powodu nowej reguły.

[Atmega] Atmega 16 + diody schemat.

BąQ 28 Mar 2009 13:25 2861 10
REKLAMA
  • #1 6344102
    BąQ
    Poziom 11  
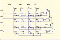
    Witam zaczynam swoją przygodę z Mikrokontrolerami dlatego też jeszcze nie do końca jestem pewien swoich schematów...
    Dlatego chciałbym się zapytać czy tak podłączone diody mają w ogóle rację bytu z tego podglądałem na innych schematach powinno być ok, ale jednak wolę się upewnić. Jeżeli coś jest nie tak to poprosiłbym o jakieś wskazówki co poprawić.

    [Atmega] Atmega 16 + diody schemat.
  • REKLAMA
  • #2 6344134
    maxiu25
    Poziom 16  
    Jak dla mie to powinoo to działać.
  • REKLAMA
  • #4 6345077
    janbernat
    Poziom 38  
    To powinno działać.
    Ale prąd wpływający do procesora nie powinien przekroczyć
    200mA.
    Oblicz.
    No i oporniki w bazach- jak napisał Robak-1-47kOhm
  • REKLAMA
  • #5 6346061
    hotdog
    Poziom 26  
    no chyba nie te tranzystory. Masz NPN, a w tym układzie powinieneś zastosować PNP (Emiter w twoich powinien być do GND). I poza tym tak jak koledzy piszą na bazy rezystorki 1k. No i diodki nie będą świecić jednakowo (jak będzie jedna się palić w rzędzie będzie jaśniej niż jak 4). A przynajmniej tak mi sie wydaje ;p

    pozdrawiam
  • REKLAMA
  • #6 6346139
    Konto nie istnieje
    Poziom 1  
  • #7 6346558
    BąQ
    Poziom 11  
    dzięki :)

    czyli radzicie żeby układ wyglądał tak jak w dołączonym schemacie??
    czy coś źle zrozumiałem?

    dzięki za linka o diodach na pewno przestudiuje :)

    A tak właściwie to dlaczego nie może być tak jak wcześniej? bo wydaje mi się że wtedy właśnie diody świeciłyby równomiernie niezależnie od ilości zaświeconych

    //Edit
    A co myślicie o tym żeby połączyć te 2 schematy ?? żeby były i tranzystory pnp npn ?? wtedy świeciłoby tak jak należy ??

    [Atmega] Atmega 16 + diody schemat.
  • #8 6346786
    hotdog
    Poziom 26  
    nie no teraz to wstawiłeś tranzysotry pnp, ale GND źle podłączyłeś.

    Albo zamień tranzystory na npn i zrób odbicie lustrzane względem osi Y. tj zamień emiter z kolektorem (na emiterze - to ta ze strzałką obrazującą kierunek w jakim prąd płynie, czyli powinna wskazywać na GND, umowny kierunek w jakim płynie prąd)

    albo zostaw te tranzystory zamiast GND Daj VCC, też zrób odbicie lustrzane, zamień odwróć wszystkie diody (zamień anody z katodami).

    Jak wybierzesz opcję 1 (z npn), to steruj to "wierszowo" Podajesz na jeden z portów PA0 stan wysoki, ustawiasz na PA4-PA7 to co tam chcesz, po jakimś tam czasie wygaszasz PA4-PA7 i później Ustawiasz PA0 na niski, PA1 Na wysoki itd.

    Wtedy wszystkie diodki będą świecić tak samo.

    pozdrawiam
  • #9 6360400
    BąQ
    Poziom 11  
    Mam nadzieje że teraz już nic nie poknociłem... Wielkie dzięki za pomoc :)

    [Atmega] Atmega 16 + diody schemat.
  • #10 6360834
    _Robak_
    Poziom 33  
    Wydaje sie byc wporzadalu :)
REKLAMA