logo elektroda
logo elektroda
X
logo elektroda
Adblock/uBlockOrigin/AdGuard mogą powodować znikanie niektórych postów z powodu nowej reguły.

Sterownik led i fan

kacper25011 10 Kwi 2009 22:16 3456 16
  • #1 6399291
    kacper25011
    Poziom 14  
    Cześć!Jestem zielony co do rysowania schematów ale narysowałem coś takiego.Chciałbym aby ktoś dokończył ten rysunek gdyż chcę zamontować coś takiego w moim PC.

    Bardzo dziękuje za odpowiedzi!

    Sterownik led i fan
  • #2 6399384
    Mery84
    VIP Zasłużony dla elektroda
    Samymi potencjometrami nie wysterujesz wentylatorów. Musisz tam zaaplikować popularny układ na LM317.
  • #3 6399393
    Xylometazolin!
    VIP Zasłużony dla elektroda
    A opis znajdziesz w FAQ.
  • #4 6399552
    kacper25011
    Poziom 14  
    a reszta???
  • #5 6399571
    Mery84
    VIP Zasłużony dla elektroda
    kacper25011 napisał:
    a reszta???


    Resztą to się później będziesz martwił. Zainteresuj się najpierw układem sterowania wentylatorami.
  • Pomocny post
    #6 6400682
    mgpentium
    Poziom 16  
    Sterownik led i fan

    Regulator obrotów wyciągnięty z elektrody.
  • #7 6400739
    kacper25011
    Poziom 14  
    Bardzo dziękuje mgpentium masz w prezencie kilka punktów!
    Czyli mam zrobić 3 takie regulatory obrotów, a co z LEDami???

    Dodano po 1 [minuty]:

    I dzięki za opis z legendą (dla zielonych) :D:D

    Post poprawiłem.

    Ari2k5
  • #9 6400807
    kacper25011
    Poziom 14  
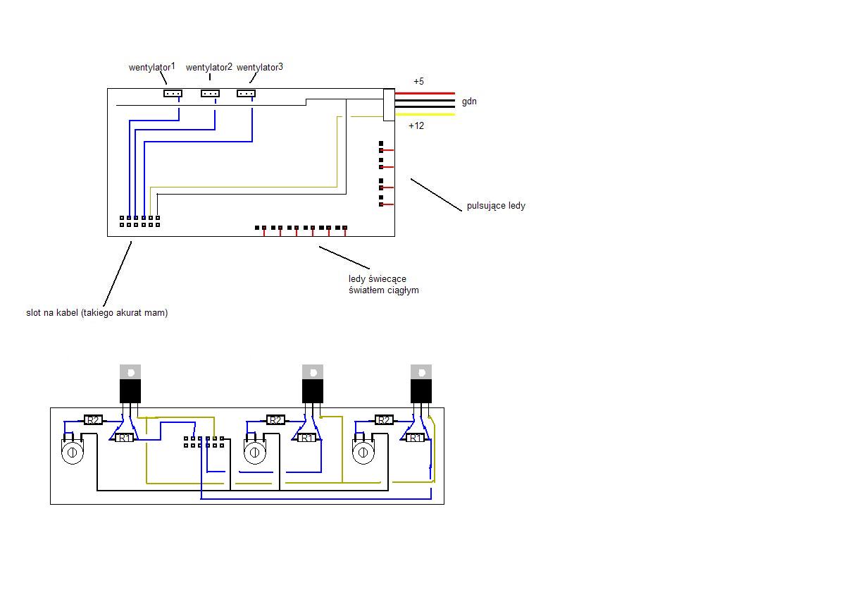
    Pomogło mi to ale ledy nie mają mieć nic wspólnego z fan tylko chce aby do jednego slotu od zasilacza było to podłączone więc te u dołu mają świecić światłem ciągłym a z boku migać ale jak to zrobić aby ich nie spalić???

    Dodano po 45 [minuty]:

    A tak teraz to narysowałem! jest dobrze???

    Sterownik led i fan
  • #10 6401048
    Mery84
    VIP Zasłużony dla elektroda
    Do podłączenia wentylatorów potrzebujesz jeszcze masy. Bierzesz tą samą masę, którą dajesz do zasilania układów na LM czyli musisz czarny kabelek poprowadzić jeszcze do wyjść na wentylatory.
  • Pomocny post
    #11 6401105
    Xylometazolin!
    VIP Zasłużony dla elektroda
    kacper25011 napisał:
    Pomogło mi to ale ledy nie mają mieć nic wspólnego z fan tylko chce aby do jednego slotu od zasilacza było to podłączone więc te u dołu mają świecić światłem ciągłym a z boku migać ale jak to zrobić aby ich nie spalić???

    Dodano po 45 [minuty]:

    A tak teraz to narysowałem! jest dobrze???

    Sterownik led i fan


    Czyli trochę diod ma po prostu świecić, a trochę migać?

    Z migającymi to najłatwiej kupić już gotowe (migające). Należy pamiętać o dobraniu odpowiedniego rezystora (dla 12V zastosuj około 1kΩ). Podłączysz je np: do molexa.
  • #12 6401153
    kacper25011
    Poziom 14  
    Mery84 napisał:
    Do podłączenia wentylatorów potrzebujesz jeszcze masy. Bierzesz tą samą masę, którą dajesz do zasilania układów na LM czyli musisz czarny kabelek poprowadzić jeszcze do wyjść na wentylatory.
    To ja wiem nie dorysowałem (niedopatrzenie)

    Dodano po 19 [minuty]:

    Z tymi ledami to chyba jednak zrezygnuję zrobię discolitez pod LPT ale nie wiem jakie oporniki do tego przylutować?!
    Znowu zasięgnę do painta aby narysować nieudolnie schemat tego co chcę zrobić a ja poproszę was abyście go poprawili.xD

    Sterownik led i fan

    i teraz pytanie jak podłączyć to (kolory kabelków bo mam ucięty kabel) i jakich rezystorów użyć???
  • #13 6401415
    mgpentium
    Poziom 16  
    6 ledów chcesz zamontować ? jeżeli jeden led ma 3 v to razem wychodzi 18. a ty to podłączasz do zasilania 12 v z tego co widzę . Chyba że nie znam podstaw elektroniki.
  • #14 6401618
    dangerousrider
    Poziom 16  
    Też mam 6 ledów i do każdego osobno mam opornik w kompie.
  • #15 6401841
    kacper25011
    Poziom 14  
    mgpentium napisał:
    6 ledów chcesz zamontować ? jeżeli jeden led ma 3 v to razem wychodzi 18. a ty to podłączasz do zasilania 12 v z tego co widzę . Chyba że nie znam podstaw elektroniki.
    tam jest na 8 ledów...
  • Pomocny post
    #16 6401969
    dangerousrider
    Poziom 16  
    To przed każdym ledem dajesz opornik 520 Ohm i tyle. Jak pomogłem to proszę mi dać pomógł.

    Moderowany przez Mery84:

    Jeszcze jeden taki roszczeniowy post i wyzeruję koledze licznik pomógł w nagrodę. Pomógł daje autor na podstawie samodzielnej oceny przydatności postu, a kolegi dopraszanie się jest zwyczajnie niegrzeczne!
    Regulamin forum pkt. 16.

  • #17 6402751
    kacper25011
    Poziom 14  
    No niech będzie dam pomógł ale nie domagaj się już tego!!

    Dodano po 2 [minuty]:

    dziękuje teraz nie mam funduszy ani czasu aby to zrobić ale pokażę kiedyś efekty:D:D:D:!:
REKLAMA