logo elektroda
logo elektroda
X
logo elektroda
Adblock/uBlockOrigin/AdGuard mogą powodować znikanie niektórych postów z powodu nowej reguły.

szukam schematu elektrycznego do golf IV

adam_89 23 Kwi 2009 11:12 14849 7
  • #1 6447165
    adam_89
    Poziom 11  
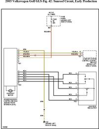
    Potrzebny mi schemat elektryczny do golfa IV a mianowicie do szyberdachu.
  • #3 7402386
    Pacific TDI
    Poziom 12  
    Zamontowałem szyberdach w New Beetle. To w zasadzie to samo co golf 4, nawet kolory przewodów się zgadzają. Podpiąłem przewód 1 i 4 czyli zasilanie i masę a dach nawet nie ruszył. Byłem pewiem że nie podłączając przewodów 2 i 3 nie będę miał domykania a dach bedzie działał.Czy koniecznie muszą być podpięte pod moduł komfortu przewody 2,3 i co na nich się pojawia? Dlaczego nie chodzi, skoro ma podane zasilanie i masę?
  • #4 7407650
    Bart86ca.
    Poziom 17  
    niby to samo a jednak jakies male roznice sa ,jesli bedziesz potrzebowal do innego rocznika to mi napisz .szukam schematu elektrycznego do golf IV
  • #5 7410718
    Pacific TDI
    Poziom 12  
    To jest do rocznika 2003. Mam prośbę byś zamieścił do roku 1999-2000. Na Twoim schemacie wychodzi 6 przewodów. U mnie 4 (2piny są wolne). Nie wiem w które miejsce w module komfortu wpiąć te co są na pinach 2 i 3 w dachu. 1 i 4 podpiąłem oraz sterowanie. I z ciekawości jak to działa? Dlaczego muszą być te dwa przewody wpięte pod moduł komfortu?
    Mam wersję 1,9Tdi z elektrycznymi szybami. Ciekawe czy wogóle mój moduł komfortu obsłuży dach.
  • #6 7411316
    Bart86ca.
    Poziom 17  
    Jesli sie nie myle to te 2 kable do module comfort sa dlatego ze vw ma fuckcje domykania szyb i szyber dachu .szukam schematu elektrycznego do golf IV

    Dodano po 3 [minuty]:

    teraz moge przyrownac te schematy i wyglada na to ze nie powinienes miec juz problemu bo tu juz ilosc kabli sie zgadza wedlug Twojego opisu.pozdrawiam
  • #7 7411727
    Pacific TDI
    Poziom 12  
    Dzięki. W poniedziałek wypróbuje. Czyli przy manualnych szybach wpinam się w pin 4 i 8, a że ja mam elektryczne to w 7 i 10. Nie wiadomo tylko czy nie trzeba coś przekodować w module komfortu w związku z tym, że doszedł dach. Jeśli miałbyś kodowanie modułu to proszę podaj. W poniedziałek mogę podać numer mojego sterownika.
  • #8 7423148
    Pacific TDI
    Poziom 12  
    Dzięki Bart86ca. Dach chodzi pięknie. Jednak te dwa przewodziki muszą być wpięte do modułu komfortu. Jeszcze zrobię domykanie z pilota i będzie git.
REKLAMA