logo elektroda
logo elektroda
X
logo elektroda
REKLAMA
REKLAMA
Adblock/uBlockOrigin/AdGuard mogą powodować znikanie niektórych postów z powodu nowej reguły.

Atmega nie chce ruszyć. Co może być przyczyną?

Sand_Man 05 Maj 2009 10:19 1365 4
REKLAMA
  • #1 6491586
    Sand_Man
    Poziom 11  
    Mam mały problem. A mianowicie po oprogramowaniu atmegi8 nie chce ona ruszyć. I nie wiem co może byc tego przyczyną.
    Zaczynam dopiero przygode z programowaniem uC. I nie wiem jak to ugryźć. Program jaki wgralem do uC wygląda następująco:

    /* 8 diod LED przyłączonych do portu D */
    /* ATmega 1MHz */
    
    #define F_CPU 1000000L
    
    #include <avr/io.h>
    #include <util/delay.h>
    
    int main(void)
    {   
       /* Wszystkie linie portu D będą wyjściami */
       DDRD = 0xFF;  /* 0xFF binarnie 1111 1111 */
    
       /* Początek nieskończonej pętli */
       while(1)
       {
          PORTD = 0xaa;    /* 0xaa binarnie 1010 1010 */
          /* opóźnienie 0.33 sek. */
          _delay_ms(330); 
           PORTD = 0x55;    /* 0x55 binarnie 0101 0101 */
          /* opóźnienie 0.33 sek. */
          _delay_ms(330);
       }
    }

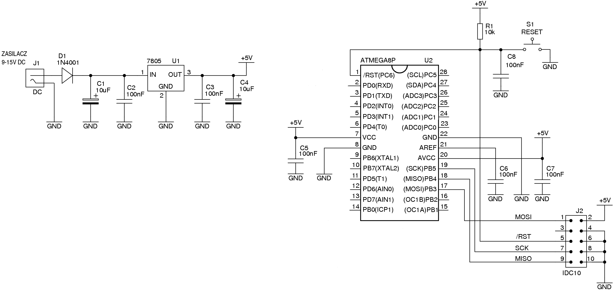
    A układ w jakim pracuje atmega polaczylem zgodnie ze schematami:
    http://xyz_skasowałem
    http://xyz_skasowałem
    Ale nic sie nie dzieje. Jedyną diodą jaka świeci jest ta podlączona pod PD1. Czemu program sie nie uruchamia?

    Cytat:
    Make z AVRstudio.
    A co do zdjęć to nie chciało mi sie ich wstawiac szybciej bylo dac linki:D



    Przychylam się do raportów - proszę zamieścić zdjęcia zgodnie z wytycznymi zawartymi np tu:
    https://www.elektroda.pl/rtvforum/topic796975.html
    I stosować znaczniki code przy umieszczaniu listingów.
    Brak reakcji spowoduje zablokowanie tematu.
    [c_p]
  • REKLAMA
  • #2 6491781
    dawid512
    Poziom 32  
    AVR Studio czy własny make?
  • REKLAMA
  • #3 6491887
    mirekk36
    Poziom 42  
    Czy ty nie nauczysz się wklejać fotek - zdjęć na serwer elektrody ??? za darmo, szybko, łatwo i przyjemnie - zamiast tych jakichś kocich serwerów http://xyz.org - które na dodatek "gryzą" jakimś spamem i adware jak się na nie włazi??? chcesz ludzi pozarażać ? ;)

    - przecież wszędzie piszą jak prosto dodać fotkę na elektrodzie
  • REKLAMA
  • #4 6492230
    arrevalk
    Poziom 25  
    Sand_Man nie podchodź w ten sposób do tematu bo może nie znajdzie się w takim razie osoba która zechce Ci pomóc.
    Czy fusebity masz prawidłowo ustawione?
    I wrzuć schematy na normalny serwer bo ja np nie mogę ich zobaczyć, cały czas przekierowuje mnie na dziwną stronę.
  • #5 6492347
    Sand_Man
    Poziom 11  
    OK. Mea culpa.
    W takim razie zamieszczan jeszcze raz schematy.
    Atmega nie chce ruszyć. Co może być przyczyną?
    Atmega nie chce ruszyć. Co może być przyczyną?

    A co do fuse bitów to nie wiem. Przy programowaniu AVRDUDE mam tak ustawiony:
    Atmega nie chce ruszyć. Co może być przyczyną?
REKLAMA