logo elektroda
logo elektroda
X
logo elektroda
REKLAMA
REKLAMA
Adblock/uBlockOrigin/AdGuard mogą powodować znikanie niektórych postów z powodu nowej reguły.

Rejestrator GPS wyzwalany bezprzewodowo

Defenestrator 12 Maj 2009 13:51 3866 0
REKLAMA
  • Rejestrator GPS wyzwalany bezprzewodowo

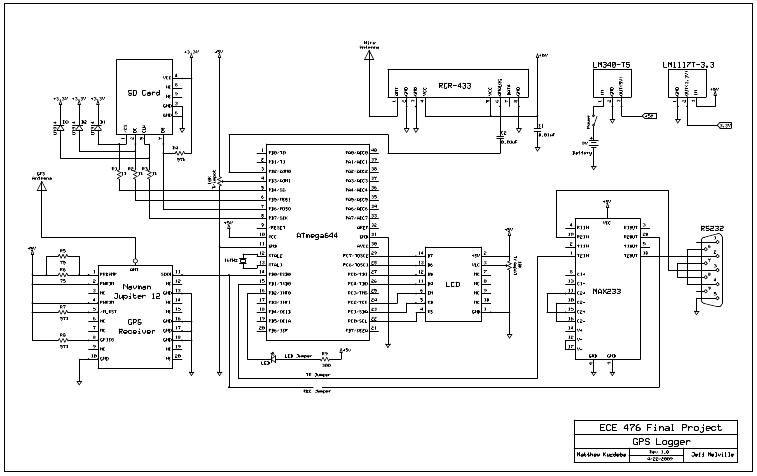
    Przedstawiane urządzenie potrafi zapisywać współrzędne odczytane z modułu GPS zarówno z ustawionym interwałem czasu, jak i pod wpływem komendy wysłanej bezprzewodowo. Do czego może się to przydać? W tym projekcie zapis powodowany jest przez naciśnięcie migawki aparatu fotograficznego, co umożliwia publikacje zdjęć wraz ze współrzędnymi na takich portalach jak np. Google Earth. Część sprzętową oparto o mikrokontroler ATmega644, do którego podłączono wyświetlacz LCD, kartę pamięci SD, moduł GPS i moduł do komunikacji bezprzewodowej. Nieco wysiłku wymagała modyfikacja aparatu fotograficznego, polegająca na dodaniu nadajnika powodującego zapis danych w urządzeniu. Na stronie projektu można znaleźć szczegółowy opis konstrukcji oraz kod źródłowy programu mikrokontrolera.

    Źródło

    Rejestrator GPS wyzwalany bezprzewodowo Rejestrator GPS wyzwalany bezprzewodowo

    Fajne? Ranking DIY
    O autorze
    Defenestrator
    Poziom 14  
    Offline 
    Defenestrator napisał 148 postów o ocenie 99. Jest z nami od 2007 roku.
  • REKLAMA
REKLAMA