logo elektroda
logo elektroda
X
logo elektroda
Adblock/uBlockOrigin/AdGuard mogą powodować znikanie niektórych postów z powodu nowej reguły.

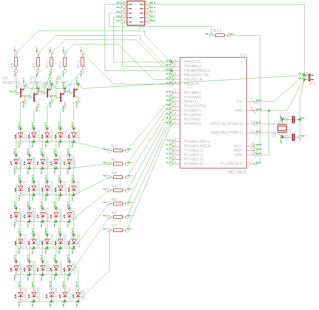
wyprowadznie na programator

lucaass 19 Maj 2009 18:25 2462 18
  • #1 6549595
    lucaass
    Poziom 12  
    Witam

    wyprowadznie na programator

    jak do tego schematu poprawadzic jakas wtyczke na programator ?
    tak zebym mogl podlaczyc programator i zaprogramowac uklad
  • #2 6549629
    dawid512
    Poziom 32  
    Dodaj standardowe złącze 10-pinowe standard Kanada i po kłopocie. Podłącz tylko te piny które widzisz na obrazku.

    wyprowadznie na programator
  • #3 6551442
    rpal
    Poziom 27  
    I dodaj kolego rezystor np. 20 k między linią RST a plusem zasilania bo reset tobie wisi w powietrzu.
  • #4 6552014
    lucaass
    Poziom 12  
    jak to rozumiec ze reset wisi w powietrzu ?
  • #5 6552038
    _Robak_
    Poziom 33  
    Nalezy rozumiec tak, ze nie jest podciagniety do plusa. Daj pomiedzy reset a pin resetu rezystorek 4k7.
  • #6 6552297
    lucaass
    Poziom 12  
    a moga byc 2 rezystor 3,3k szeregowo ?

    Dodano po 4 [minuty]:

    nie przeszkadza ze juz mosi i miso sa podlaczone ?
  • #7 6552381
    _Robak_
    Poziom 33  
    No moze przeszkadzac, jakis czas temu ktos mial podbiete pod te linie tranzystory i mial spory z ym problem. Dwa rezystorki mozesz dac spokojnie. A co do miso i mosi to daj dip switcha i po problemie :)
  • #8 6552402
    lucaass
    Poziom 12  
    wyprowadznie na programator

    czy tak moze byc podlaczone ?

    nie wiem ktore zlacze w eaglu do kanada wiedz wzialem jp5 na rysunku jako JP1
  • #9 6552437
    _Robak_
    Poziom 33  
    Pomiedzy linie wspoldzielone daj dip switche, bo mozesz miec problemy z programowaniem! Daj je tak zeby mozna bylo wylaczyc sterowanie tranzystorami.
  • #11 6552483
    lucaass
    Poziom 12  
    wow narazie zrobie rozlaczane recznie bo to moj pierwszy schemacik.
  • #12 6552934
    rpal
    Poziom 27  
    Daj switch tak jak tobie radzą ale w tym przypadku będzie on zbyteczny, ponieważ masz podłączone rezystory w obwodach bazy tranzystorów. Jednym ze sposobów na "odizolowanie" programatora od reszty układów podpiętych pod SPI są właśnie szeregowe rezystory i w sumie dotyczy to tych układów które "coś" od siebie nadają kiedy "poczują" sygnał zegarowy. Tak czy owak ten switch poza twoim dobrym samopoczuciem i koniecznością przełączania się na czas programowania niczego nie zmieni.
  • #13 6553261
    _Robak_
    Poziom 33  
    Tak jak pisalem, jakis czas temu byl spory watek o tym ze nie dalo sie programowac mimo rezystorkow na liniach sterujacych bazami. Juz nie pamietam czy bylo rozwiazanie, jesli bylo jakies, albo gdzie byl problem.
  • #14 6554348
    rpal
    Poziom 27  
    Kol Robak w którejś z not aplikacyjnych Atmela osobiście widziałem rozwiązanie na rezystorach albo buforach 3-stanowych. Sam to kilkukrotnie spradziłem i działa. Dodatkowo znalazłem w tej chwili pomysł z rezystorami w książce niejakiego J.Dolińskiego "Mikrokontrolery AVR w praktyce" strona 302. Więc jeśli coś jest nie teges, to wina konstruktora któremu to coś nie wychodzi :)
  • #16 6554664
    janbernat
    Poziom 38  
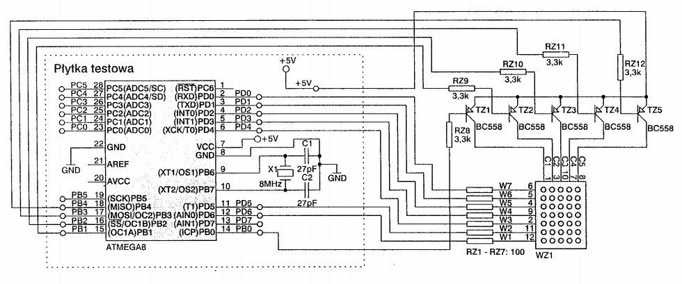
    M. Wiązania-str.189-schemat tego układu.
    str. 144-schemat całej płytki ZL2AVR.
    str.332-333-płytka drukowana.
    Nie mam, nie sprawdzałem.
    Ale trochę sprzedali-więc raczej działa.
    Ja bym kupił płytkę(gdybym potrzebował)-niż robił.
  • #17 6554769
    Konto nie istnieje
    Poziom 1  
  • #18 6559984
    lucaass
    Poziom 12  
    no ten rezystor r13 dolozylem bo ktos napisal zeby wpiac rezystor 4k7 miedzy pin a reset.
  • #19 6560026
    _Robak_
    Poziom 33  
    Miedzy reset a Vcc :> Czyli dopinasz do linii reset Vcc poprzez rezystorek.
REKLAMA