logo elektroda
logo elektroda
X
logo elektroda
REKLAMA
REKLAMA
Adblock/uBlockOrigin/AdGuard mogą powodować znikanie niektórych postów z powodu nowej reguły.

Scherzo 200 Naprawa

Nicolas26 21 Maj 2009 08:57 3042 6
REKLAMA
  • #1 6555766
    Nicolas26
    Poziom 12  
    Witam wszystkich.
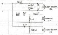
    Nie dawno dostałem uszkodzone Tonsile Scherzo 200.Uszkodzenie polega na tym iż nie ma w nich głośników basowych czyli w sumie czterech GDN-ów 20/60/3 15ohm,mało tego w zwrotnicy z tego co widzę są potopione i przepalone cewki i brakuje kilku kondensatorów. Co do wysoko tonowego i średniego to dam sobie radę bo je zregeneruje. Basowe zastąpię Eksportowymi tonsilami czyli Westry SW-200-1304 one mają oporość 4 ohmy ale podłączy się je szeregowo. Moje pytanie polega na tym co ze zwrotnicą? Czy zastosować oryginalną od nowa?

    Dodano po 5 [minuty]:

    Oryginalna wygląda tak.Scherzo 200 Naprawa

    Dodano po 1 [minuty]:

    Czy może jakieś małe korekty jeszcze tej oryginalnej???
    Pozdrawiam
  • REKLAMA
  • #2 6555850
    mateo-salvadore
    Poziom 15  
    Mi osobiście wydaje się, że do nowych głośników warto zastosować nową (i nowoczesną przy okazji) zwrotnicę. Nie żeby Tansilowskie był złe, ale myślę, że jeśli zainwestujesz w nowy, wyższej klasy sprzęt (nie najtańszy, ale i niekoniecznie najdroższy) to z nowymi głośnikami długo Ci posłuży. Głównym powodem przemawiającym za tym rozwiązaniem jest możliwość dobrania odpowiedniej zwrotnicy do głośników jakie wstawisz. Dlatego nie śpiesz się z wymianą głośników, tylko najlepiej kup je razem ze zwrotnicą...
  • REKLAMA
  • #3 6555885
    Nicolas26
    Poziom 12  
    Zwrotnice mam ochotę właśnie nową zrobić w oparciu o oryginalną. A co do głośników to Westry to nówki nie są lecz używane a GDWK i GDM to będą zregenerowane. Dlatego ciekawi mnie to czy składając nową zwrotkę pod te głośniki i kierując się powyższym schematem należało by coś zmienić???
  • #4 6555944
    mateo-salvadore
    Poziom 15  
    Osobiście, jeśli głośniki będą przystające do oryginalnych , to niczego bym nie zmieniał... ważne jest jednak, żeby głośniki niskotonowe wytrzymały podarowaną im częstotliwość :] Ale to wszystko leży w zamyśle użytkownika - co i jak chce używać ;) Jeśli dane głośników zgadzają się z oryginałem - nic bym nie zmieniał. :]
  • REKLAMA
  • #5 6558367
    Tomq
    Poziom 38  
    Cytat:
    wytrzymały podarowaną im częstotliwość :]

    raczej moc ;)

    Cytat:
    tylko najlepiej kup je razem ze zwrotnicą...

    Z gotowa zwrotnica? To juz lepiej by zostawic oryginalna.

    Cytat:
    czy składając nową zwrotkę pod te głośniki i kierując się powyższym schematem należało by coś zmienić???
    Skoro piszesz ze
    Cytat:
    w zwrotnicy z tego co widzę są potopione i przepalone cewki i brakuje kilku kondensatorów.
    to bedzie to konieczne. Wymien te elementy na takie ktore sa w schemacie. Nie wiem na jakich czesciach jest zlozona ta zwrotnica, ale zawsze mozesz zastosowac lepsze elementy. Np wymieniajac cewki do GDnow, patrz by byly z grubego drutu, roznie mowia o zalecanej grubosci, ale 1mm bedzie chyba minimum dla tych glosnikow. Natomiast do glosnikow wysokotonowych zaleca sie cewki powietrzne, moga byc z cienszego drutu (np 0,7mm). Jesli oryginalne kondensatory sa jakies slabe albo bardzo stare rowniez warto je wymienic na jakies foliowe, np mkt a do gl. wysokotonowych mozesz pokusic sie o kondensatory Jantez.

    Jesli chcesz dokonac jakiejsc ingerencji w sama zwrotnice (chodzi mi m.in o podzial czestotliowosci) to powinienes najpier okreslic co chcesz zmienic? Czy np wybijajace sie na pierwszy plan wysokie tony, czy zbyt wycofane srednie lub zbyt wysoko odciete glosniki niskotonowe?
  • REKLAMA
  • #6 6558392
    kris_k73
    Poziom 19  
    Witam.
    Ja przed decyzją stworzenia nowej przyjrzał bym się tym typowanym przez Ciebie zamiennikom, na ile różnią się od oryginalnych ? Jeżeli charakterystyka i skuteczność w przenoszonym paśmie jest zbliżona to o ile nie dysponujesz zapleczem pomiarowym lepszym moim zdaniem jest pomysł zregenerowania oryginalnej zwrotnicy.
  • #7 6559327
    Nicolas26
    Poziom 12  
    Co do tych GDN-ów, to ciężko cokolwiek odszukać na ich temat (chodzi charakterystykę itd.).Kiedyś znalazłem temat , już dokładnie nie pamiętam gdzie,ale pisało tam że to podobne głośniki do 20/60/3, A więc na razie je zostawimy. Co do zwrotnicy to będę te moje reanimował zgodnie ze schematem.( zobaczymy jak to zagra).
REKLAMA