Witam, tak jak w temacie chce zrobić pomiar obciążenia silnika prądu stałego na Atmega32 z wykorzystaniem 10-bitowego przetwornika ADC w jaki jest wyposażony ten uC. Główny problem to nie bardzo wiem jak napisać program do pomiar napięcia na rezystorze obciążającym.
Pomiar obciążenia silnika elektrycznego polega to na tym ,że silnik łączy się prądnicą i w trakcie obciążania prądnicy rejestruje się prąd i napięcie obciążenia prądnicy . Moc wyliczoną z tych parametrów należy powiększyć o odpowiednią wartość uwzględniającą sprawność prądnicy i jest to moc na wale silnika.
np. jeżeli sprawność prądnicy wynosi 97% , to moc na wale silnika będzie równa P=UxIx1.03 [W] gdzie U,I to prąd i napięcie obciążenia prądnicy.
A teraz jak chce to zrealizować:
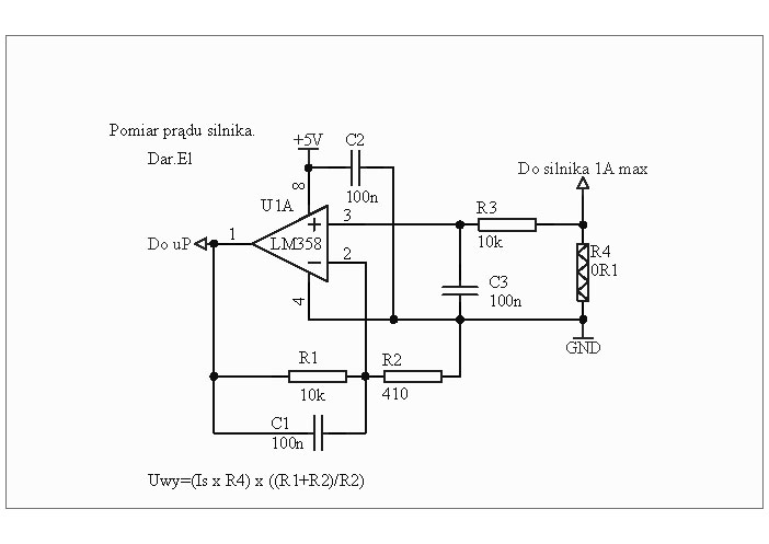
Pomiar bedzie odbywał się za pomocą układu który znalazłem a elektrodzie jakiś czas temu.
Dzięku temu będę miał pomiar napięcia, znając jego wartość i mają wartość rezystora (w tym przypadku 100ohm 1%) wyliczę prąd. Podstawiając do wzoru wartośc obciązenia będę wyświetlał na LCD(2x16)
Wydaje mi sie ze koncepcja rozwiązania tego przypadku jest dobra.
Z wykonaniem tego od strony technicznej nie będzie problemu gorzej jest od strony programowej i w tej kwestii prosiłbym o pomoc. Wszelkie wskazówki mile widziane
Pomiar obciążenia silnika elektrycznego polega to na tym ,że silnik łączy się prądnicą i w trakcie obciążania prądnicy rejestruje się prąd i napięcie obciążenia prądnicy . Moc wyliczoną z tych parametrów należy powiększyć o odpowiednią wartość uwzględniającą sprawność prądnicy i jest to moc na wale silnika.
np. jeżeli sprawność prądnicy wynosi 97% , to moc na wale silnika będzie równa P=UxIx1.03 [W] gdzie U,I to prąd i napięcie obciążenia prądnicy.
A teraz jak chce to zrealizować:
Pomiar bedzie odbywał się za pomocą układu który znalazłem a elektrodzie jakiś czas temu.
Dzięku temu będę miał pomiar napięcia, znając jego wartość i mają wartość rezystora (w tym przypadku 100ohm 1%) wyliczę prąd. Podstawiając do wzoru wartośc obciązenia będę wyświetlał na LCD(2x16)
Wydaje mi sie ze koncepcja rozwiązania tego przypadku jest dobra.
Z wykonaniem tego od strony technicznej nie będzie problemu gorzej jest od strony programowej i w tej kwestii prosiłbym o pomoc. Wszelkie wskazówki mile widziane
