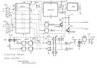
Witam według schematu zamieszczonego poniżej chciałem się zapytać czy to działa w 100% z euroscanem ...
Co do programowania at90 czy wystarczy mu wrzucić tylko wsad i będzie działał ,czy trzeba przestawiać fuse bity o których nie mam pojęcia....
Oraz przydał by mi się jakiś adres ,gg , do kogoś kto trawi płytki bo nie wiem gdzie u mnie papier kredowy kupić a po drugie jeszcze nie robiłem płytek z tym papierem..
a z poza tematu w jakim programie najlepiej połączyć schemat jak mam w kilku plikach bo już się z tym męczę dosyć długo i też mi nie idzie a mam do panasonica rx-28
bardzo proszę o odpowiedzi Dzięki wielkie pozdrawiam

Co do programowania at90 czy wystarczy mu wrzucić tylko wsad i będzie działał ,czy trzeba przestawiać fuse bity o których nie mam pojęcia....
Oraz przydał by mi się jakiś adres ,gg , do kogoś kto trawi płytki bo nie wiem gdzie u mnie papier kredowy kupić a po drugie jeszcze nie robiłem płytek z tym papierem..
a z poza tematu w jakim programie najlepiej połączyć schemat jak mam w kilku plikach bo już się z tym męczę dosyć długo i też mi nie idzie a mam do panasonica rx-28
bardzo proszę o odpowiedzi Dzięki wielkie pozdrawiam