logo elektroda
logo elektroda
X
logo elektroda
REKLAMA
REKLAMA
Adblock/uBlockOrigin/AdGuard mogą powodować znikanie niektórych postów z powodu nowej reguły.

Regulator napięcia APE 15RAa 14V

zonkil 30 Maj 2009 12:15 22938 14
REKLAMA
  • #1 6593422
    zonkil
    Poziom 31  
    Witam
    Posiadam dwa takie regulatory napięcia

    Regulator napięcia APE 15RAa 14V

    i nie mogę znaleźć do nich schematu podłączenia. Wie ktoś gdzie doprowadzić napięcie do stabilizacji??
  • REKLAMA
  • #2 6593438
    Konto nie istnieje
    Konto nie istnieje  
  • #3 6593441
    zonkil
    Poziom 31  
    Potrzebuje po prostu uruchomić taki regulator w motorze i nie wiem do którego kabla mam doprowadzić napięcie czy da się coś takiego zrobić? Czy każdy z tych regulatorów przystosowany jest do alternatorów:

    Regulator napięcia APE 15RAa 14V
  • #4 6593493
    Konto nie istnieje
    Konto nie istnieje  
  • REKLAMA
  • #5 6593517
    zonkil
    Poziom 31  
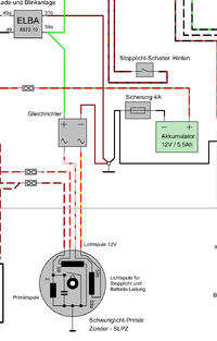
    To jest simson sr50 i posiada cewkę bezmasową po której jest prostownik dokładnie jak na tym schemacie:
    Regulator napięcia APE 15RAa 14V

    Cały czas myślę jak najtańszym kosztem zrobić ładowanie bo nie chce kupować oryginalnej ELBY.
  • #7 6596444
    romoo
    Użytkownik obserwowany
    Nie da rady- bardziej podejdzie regulator od skuterów.
  • REKLAMA
  • #8 6597107
    zonkil
    Poziom 31  
    No właśnie a te są znowu drogie. A był jakiś fiat 126p który miał regulator napięcia bez wzbudzania?
  • #9 6597133
    romoo
    Użytkownik obserwowany
    Bo to są 2 różne rzeczy regulator wzbudzenia i regulator napięcia stratny.
    Jak ma być budżetowo to zastosuj scalak LM350 i masz wszystko.Obudowa w twojej gestii.
  • REKLAMA
  • #14 6598484
    Konto nie istnieje
    Konto nie istnieje  
  • #15 6702780
    zonkil
    Poziom 31  
    Jeszcze jedno pytanie bo, żeby lądować akumulator potrzebuje około 14V tak? Czy tym układem go uzyskam?
REKLAMA