logo elektroda
logo elektroda
X
logo elektroda
REKLAMA
REKLAMA
Adblock/uBlockOrigin/AdGuard mogą powodować znikanie niektórych postów z powodu nowej reguły.

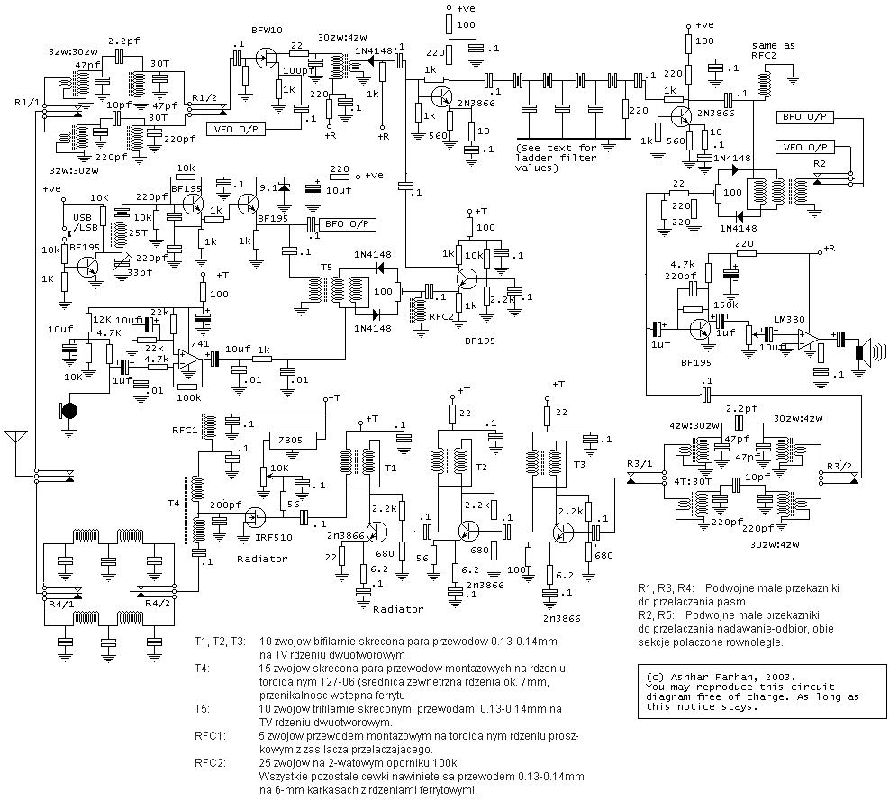
Prosty Transceiver SSB (PA na IRF510)

ASmi 03 Cze 2009 17:18 7656 4
REKLAMA
  • O autorze
    ASmi
    Poziom 2  
    Offline 
    ASmi napisał 2 postów o ocenie 3. Mieszka w mieście Bydgoszcz. Jest z nami od 2007 roku.
  • REKLAMA
  • #2 6630797
    mleczarz
    Poziom 15  
    A co jest w środku? Może jakiś opis, spis części, zdjęcie? Trochę tak dziwnie w ciemno pobierać.
  • REKLAMA
  • #3 6634204
    ASmi
    Poziom 2  
    Prosty Transceiver SSB (PA na IRF510)

    Dodano po 5 [minuty]:

    W artykule PDF m-dzy innymi znajdziesz metodę doboru kwarców do filtra kwarcowego i sposób jego obliczania.
  • REKLAMA
  • #4 6645010
    SQ9IWE
    Poziom 12  
    Proste.

    Modulacja jednowstęgowa (SSB z ang. Single Side Band) – rodzaj modulacji amplitudowej charakteryzującej się znaczną oszczędnością mocy i szerokości pasma. Polega na wysyłaniu tylko jednej wstęgi bocznej, górnej (ang.) – Upper SideBand (USB) lub dolnej – Lower SideBand (LSB), bez fali nośnej (praktycznie ze znacznym jej wytłumieniem).
    
    Modulacja amplitudowa generuje sygnał, który ma pasmo dwa razy większe niż sygnał oryginalny. Modulacja jednowstęgowa unika podwajania pasma i utraty mocy potrzebnej do przesyłania nośnej kosztem niewielkiego skomplikowania urządzenia.
    
    Korzyści wynikające z zastosowania SSB:
    cała moc nadajnika jest wykorzystywana do wyprodukowania tylko jednej wstęgi bocznej
    nadajnik zajmuje węższe pasmo częstotliwości, co pozwala na pracę większej ilości nadajników w pasmie o tej samej szerokości
    zwężenie o około 50% pasma odbieranego przez odbiornik, co daje dodatkowy zysk w postaci poprawy stosunku odbieranego sygnału do szumu (zwężenie pasma o 50% to o 3 dB mniejsza moc szumów na wyjściu odbiornika)
    brak fali nośnej powodującej wzajemne interferencje sygnałów o zbliżonych częstotliwościach utrudniające odbiór, co stwarza możliwość czytelnego odbioru sygnałów odległych o kilkaset Hz od innego sygnału SSB
    
    Pierwszy raz modulacja SSB została komercyjnie wykorzystana 7 stycznia 1927 r. w komunikacji radiowej między Londynem a Nowym Jorkiem.
    
    Modulacja SSB była również wykorzystywana w liniach telefonicznych jako cześć technologii FDM (multipleksacja z podziałem częstotliwości).


    Źródło Link
  • #5 6650793
    sp9eno
    Poziom 1  
    mleczarz napisał:
    A co jest w środku? Może jakiś opis, spis części, zdjęcie? Trochę tak dziwnie w ciemno pobierać.


    Kompletny opis znajduje się na stronie autora tej konstrukcji
    czyli VU2FAX

    http://www.phonestack.com/farhan/xcvr1.html

    sp9eno
REKLAMA