Witam potrzebuje zrobić prosty układzik do obracania silnika bipolarnego
na atmedze8515 i jako driver dałem L293D
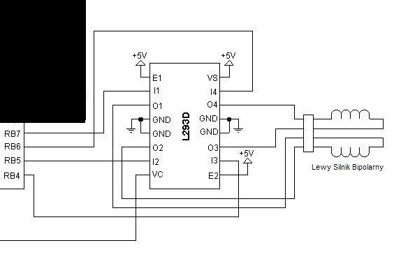
Układ zrobiłem według schematu, napisałem prosty kod
Poradzcie?
$regfile = "m8515.dat"
$crystal = 16000000
Do
Set Porta.0 : Reset Porta.1 : Set Porta.2 : Reset Porta.3
Waitms 10
Set Porta.0 : Reset Porta.1 : Reset Porta.2 : Set Porta.3
Waitms 10
Reset Porta.0 : Set Porta.1 : Reset Porta.2 : Set Porta.3
Waitms 10
Reset Porta.0 : Set Porta.1 : Set Porta.2 : Reset Porta.3
Waitms 10
Loop
L293 jest na porcie A
Schemat ściągnąłem, może ktoś ma doświadczenie z L293D jak to sterować??
Sygnały z procka dochodzą do scalaka, ale na wyjściu jego jest cały czas
stan wysoki??
na atmedze8515 i jako driver dałem L293D
Układ zrobiłem według schematu, napisałem prosty kod
Poradzcie?
$regfile = "m8515.dat"
$crystal = 16000000
Do
Set Porta.0 : Reset Porta.1 : Set Porta.2 : Reset Porta.3
Waitms 10
Set Porta.0 : Reset Porta.1 : Reset Porta.2 : Set Porta.3
Waitms 10
Reset Porta.0 : Set Porta.1 : Reset Porta.2 : Set Porta.3
Waitms 10
Reset Porta.0 : Set Porta.1 : Set Porta.2 : Reset Porta.3
Waitms 10
Loop
L293 jest na porcie A
Schemat ściągnąłem, może ktoś ma doświadczenie z L293D jak to sterować??
Sygnały z procka dochodzą do scalaka, ale na wyjściu jego jest cały czas
stan wysoki??