logo elektroda
logo elektroda
X
logo elektroda
REKLAMA
REKLAMA
Adblock/uBlockOrigin/AdGuard mogą powodować znikanie niektórych postów z powodu nowej reguły.

Kolumny do domu i na inne przestrzenie - jakie?

xTrEmE_baSS 11 Cze 2009 13:34 2494 25
REKLAMA
  • #1 6642567
    xTrEmE_baSS
    Poziom 23  
    Witam!
    Posiadam Sharp SX8800 i zamierzam dorobić do niego kolumny. Mają być do domu i (czasem) na dyskoteki klasowe. Konstrukcja myślę, że trzydrożna lub 2 drożna.Impendancja kolumn musi wynosić 8 ohm. Na średniotonowy i wysokotonowy nie mam pomysłu, ale niskotonowymi mogły by być m.in:
    Głośnik GDN-32/300/8 SC STX
    Głośnik GDN-32/300/8 SS STX
    Głośnik GDN-42/300/8 SC STX
    Głośnik GDN-38/300/8 AE STX

    Najbardziej interesują mnie 2 ostatnie. Czy ktoś może mi o nich coś powiedzieć? Proszę o porady, bo nie chcę kupić jakiegoś sprzętu, który się okaże klapą. Na obie kolumny mam 800zł. Chcę mieć dużo basu i przyzwoity dźwięk. Jeszcze do wyboru zostaje mi Altus 300.
    Pokój mam 20mkw, a sala na klasowe dyskoteki to jakies 40mkw.
    Dotychczas posiadałem Altus 110 + Technics SU-500 (2x35w RMS).
    Pozdrawiam !
  • REKLAMA
  • Pomocny post
    #2 6643187
    mczeslaw
    Poziom 36  
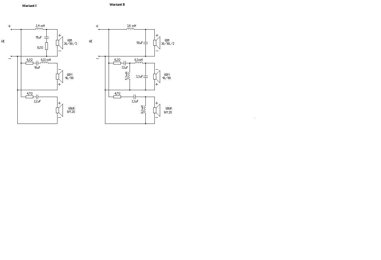
    Za 800 PLN warto wejść w jednak Tonsila:
    Kolumny do domu i na inne przestrzenie - jakie?
    Kolumny do domu i na inne przestrzenie - jakie?
    Dwa warianty tańszy z prostszą zwrotnicą i z GDM16/18 i droższy z bardziej złożoną zwrotnicą i z GDM 18/80.
    Oczywiście te głośniki mogą występować w obu wariantach zamiennie.
    W 800 stówkach się zmieścisz. Zamiast jednego dużego otworu mogą być dwa mniejsze o φ 6,8 cm.
  • #3 6643508
    xTrEmE_baSS
    Poziom 23  
    gdn 30/80??
    nie jest on czasem zbyt słaby?
    mogę dowiedzieć się co nie co o tych stx'ach? (właśnie kręci mnie rozmiar :D)
  • #4 6643572
    irek26,09
    Poziom 11  
    xTrEmE_baSS napisał:
    Witam!
    Posiadam Sharp SX8800 i zamierzam dorobić do niego kolumny. Mają być do domu i (czasem) na dyskoteki klasowe. Konstrukcja myślę, że trzydrożna lub 2 drożna.Impendancja kolumn musi wynosić 8 ohm. Na średniotonowy i wysokotonowy nie mam pomysłu, ale niskotonowymi mogły by być m.in:
    Głośnik GDN-32/300/8 SC STX
    Głośnik GDN-32/300/8 SS STX
    Głośnik GDN-42/300/8 SC STX
    Głośnik GDN-38/300/8 AE STX

    Najbardziej interesują mnie 2 ostatnie. Czy ktoś może mi o nich coś powiedzieć? Proszę o porady, bo nie chcę kupić jakiegoś sprzętu, który się okaże klapą. Na obie kolumny mam 800zł. Chcę mieć dużo basu i przyzwoity dźwięk. Jeszcze do wyboru zostaje mi Altus 300.
    Pokój mam 20mkw, a sala na klasowe dyskoteki to jakies 40mkw.
    Dotychczas posiadałem Altus 110 + Technics SU-500 (2x35w RMS).
    Pozdrawiam !


    z tych stx co podałes to chyba nie ma w sprzedaży o ile się nie myle..
  • #5 6643648
    xTrEmE_baSS
    Poziom 23  
    ale są w sklepie nowyelektronik.pl
  • REKLAMA
  • #6 6643719
    mczeslaw
    Poziom 36  
    80 wat dla GDN30/80 to moc jaką może on przyjmować przez kupę godzin, STX-y mają w oznaczeniu podawane moce szczytowe, stąd tak to ładnie wygląda.
    Dla całego pasma akustycznego 60% idzie na bas na średnie około 15% na wysokie tony około 1,5%, reszta to straty. W tym przypadku może on z powodzeniem być zastosowany w zespole o długotrwałej macy 120-140 wat, a chwilowo i 300 wat.
    Ten głośnik miał zastosowanie w Alton i Mildton tych największych tylko w innej obudowie. Ta jest optymalna dla niego pod względem najlepszego zejścia, impulsu i wytrzymałości mocowej oraz mechanicznej.
    Inne niby mocniejsze tonsilowskie 30-stki /100 i na /120 niby maja większe moce i większe wychyły liniowe, ale 30/80 najniżej schodzi i ma największą efektywność z nich wszystkich.
    Zresztą 20-30 wat bez zniekształceń doprowadzone do kolumny o sporej efektywności to już jest bardzo głośno.
  • #7 6643753
    xTrEmE_baSS
    Poziom 23  
    STX'y mają podawane moce znamionowe.
    Końcówka ma 2x200w sin przy oporze 8 ohm i małym THD, a 2x320w przy większym THD.
    Dlaczego STX'y się nie nadadzą? 38/300 ma dobre zejście jak i kopnięcie.

    Boję się tylko o piankowe zawieszenie w tych tonsilach, mam z tym nieciekawe przejścia. Kiedyś Tonsile to były Tonsile sam to wiem, a przytoczę tu na przykład moje altusy 110. Były w nich od nowości GDN 25/40/3 8ohm bez zawieszenia, byłem młody i zrobiłem do nich zawieszenie z butaprenu i szmatki. Grało to rewelacyjnie! Niestety, spaliłem te glośniki długim graniem na wzmaku bodajże 90w. Z racji tego, że tak fajnie grały te GDN'y postanowiłem kupić nowe z e-tonsilu. Po 2 dniach czekania doszły. Podłączyłem je. Zdziwienie! Nie ma tego co było pierwotnie w Altusach, tego fajnego basu. Na tym się zawiodłem. I dlatego jestem zrażony do Tonsila naszych czasów :(
  • #9 6643782
    xTrEmE_baSS
    Poziom 23  
    No nie wiem, boję się ryzykować. Proszę przeczytać mój poprzedni post.
  • #10 6643996
    poborcapodatkowy
    Poziom 14  
    GDN 38/300 - nieśmiertelny temat palących się linek.
    Do pozostałych, które podałeś nie ma prawie żadnych parametrów.
    Z STXów pasowałby GDN-32-450-8-SC albo, w kierunku imprez, GDN-32-400-8-SE.

    GDN 30/80 Tonsila to chyba żart? Sharp SX8800 nie jest może cudem techniki, ale mocy trochę ma.
  • #11 6644079
    xTrEmE_baSS
    Poziom 23  
    na początku były te palące się linki lecz później je poprawiono.
    GDN-32-400-8-SE będzie miał niedobór mocy
  • #12 6645199
    poborcapodatkowy
    Poziom 14  
    xTrEmE_baSS napisał:
    GDN-32-400-8-SE będzie miał niedobór mocy
    Krzywda mu się przez to nie stanie :wink:
    Będzie miał jakieś 100W zapasu, więc wszystko ok.
  • #13 6645710
    xTrEmE_baSS
    Poziom 23  
    nie zabiję go przesterem?
    Zawęził się wybór:
    GDN-42/300/8 SC
    GDN-38/300/8 AE
    GDN-32-400-8-SE
    Czy te estradowce z STX dobrze zagrają w domu?
  • REKLAMA
  • #14 6647085
    poborcapodatkowy
    Poziom 14  
    xTrEmE_baSS napisał:
    nie zabiję go przesterem?
    Naczytałeś się mitów :wink: Moc głośnika nie ma wpływu na pracę wzmacniacza. Tak samo możesz przesterować wzmacniacz, mając doń podłączony głośnik o mocy równej mocy wzmacniacza, jaki i dziesięciokrotnie mocniejszy. To, że nie wykorzystasz 100% mocy głośnika nie szkodzi ani wzmacniaczowi, ani, tym bardziej, samemu głośnikowi. Przester to nie jest coś, co pojawia się nie wiadomo skąd i atakuje podstępnie. Przester słychać, ważne więc, by z głową (i z uchem :wink: )kręcić gałką Volume.
  • #15 6647552
    xTrEmE_baSS
    Poziom 23  
    ale to tylko 32cm..
    troszkę mało
    najbardziej pasuje mi GDN-38/300/8 AE
  • #16 6647740
    poborcapodatkowy
    Poziom 14  
    W sumie parametry wyglądają nieźle, lepiej od nowszych 38-550. Próbuj:D
  • #17 6649149
    xTrEmE_baSS
    Poziom 23  
    https://www.elektroda.pl/rtvforum/topic969793.html
    co myślicie o tym? tzn:
    - strojenie 50hz, paczka 101l
    Niskotonowy Stx 38-300-AE-8
    Średniotonowy Alpharda EM801 (200W, 100Watt RMS, 94db)
    Wysokotonowy Stx GDWT-10-200-8-PB
    Czekam na opinie! ewentualnie jaki dać inny średni/wysoki?
  • #18 6651044
    poborcapodatkowy
    Poziom 14  
    Jeżeli kolumny mają być raczej co domu, średniotonowy wziąłbym GDM-14-150-8-SCX, a wysokotonowy GDWK-10-200-8-PJ.
    Gdzieś widziałem charakterystykę tego Alpharda - wygląda mniej więcej jak duża litera M, czyli nie za ciekawie. Z kolei wysokotonowe z tubą mają charakterystyczne brzmienie, które w domu nie wypada za dobrze.
    Ten GDN ma niezbyt "estradową" efektywność, więc myślę, że ożenek z domowymi średniakiem i wysokotonowym może dać ciekawy efekt w postaci mocnego basu i "czystej" reszty pasma.
  • REKLAMA
  • Pomocny post
    #20 6651889
    Tomq
    Poziom 38  
    Proponowalbym ta http://img218.imageshack.us/i/3waystxep8od6.gif/

    700 hz to za wysoki podzial jak na tego niskotonowca... ta zwrotnica do ktorej link wkleilem tez ma nieco za wysoki podzial (500hz), ale lepsze to niz ta gotowa z stxa... Przynajmniej GDm i Pj sa idealnie zgrane. Zwrotnice moge ci zrobic na zamowienie. Szczegoly na gg lub priv.
  • #21 6652328
    poborcapodatkowy
    Poziom 14  
    Zwrotnicę, jeżeli umiesz, zrób sam, jeżeli nie to zamów w Polinku albo poproś kolegę, skoro proponuje :wink:
    Widziałbym podział 400/4000Hz.
  • #22 6653160
    karasws502
    Poziom 17  
    Alphardy se odpuść bo to Chiński szajs jest..
    Bierz STX-y albo jak kolega na początku pisał jakieś z tych najmocniejszych Tonsili 30/120 z zeusów bądź 30/100 z Altusów 300 :)

    A nie lepiej było by Ci kupić używane Altus 300??
    Zmieścił byś się w cenie i zaoszczędził byś se potów i wysiłku.
  • #23 6653870
    xTrEmE_baSS
    Poziom 23  
    ale nie wiem czy altusy dały by radę wytrzymać 250-320w / na kanał :D
    poza tym chciałbym zrobić coś sam i mieć z tego satysfakcję ;]
  • #25 6653939
    xTrEmE_baSS
    Poziom 23  
    tomq8888
    twój projekt zwrotnicy zapisałem sobie na pendrivie. Jak tylko będę miał pieniądze to zamawiam u Ciebie tą zwrotkę ;]
    aha, co do paczek:
    chciałbym, żeby bass-reflex był prostokątny
    czy ktoś mógłby policzyć mi obudowę?
    pozdrawiam!
REKLAMA