Witam.
Mam zamiar podświetlić sobie klawisze mojej klawiatury. Jest to Chicony KB-9810. Myślałem nad zrobieniem jakiegoś układu dzięki któremu ledy włączały by się w określonych godzinach np. 19.00-7.00. Ale nie mogłem znaleźć żadnego schematu który by to umożliwiał. W końcu wpadłem na pomysł napisania programu, ale moja wiedza dotycząca c++ jest zbyt mała by taki program napisać. Dodam że zasilanie do ledów będzie z molexa 12V. Jeżeli ktoś ma jakiś pomysł i potrafi coś takiego wykonać to proszę dać pomysły.
Mam zamiar podświetlić sobie klawisze mojej klawiatury. Jest to Chicony KB-9810. Myślałem nad zrobieniem jakiegoś układu dzięki któremu ledy włączały by się w określonych godzinach np. 19.00-7.00. Ale nie mogłem znaleźć żadnego schematu który by to umożliwiał. W końcu wpadłem na pomysł napisania programu, ale moja wiedza dotycząca c++ jest zbyt mała by taki program napisać. Dodam że zasilanie do ledów będzie z molexa 12V. Jeżeli ktoś ma jakiś pomysł i potrafi coś takiego wykonać to proszę dać pomysły.
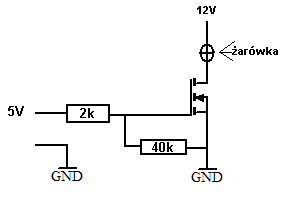
, IRL540 i odpowiednio dobrane rezystory dla diod, powinno działać.

