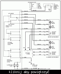
Witam. Mam problem z przełącznikiem lusterek (jojstik) który występuje w samochodach passat 98-, golf IV, lub bora. Problem polega na tym iż nie działa mi nowy przełącznik i nie jestem pewien czy instalacja w kostce którą się podpina do przełącznika jest dobrze zrobiona. Prośba moja polega na tym, iż potrzebowałbym schemat lub rozpisaną kolejność kabli która oryginalnie idzie w kostce. Interesuje mnie tylko kostka. Z góry wszystkim dziękuję. Pozdrawiam
