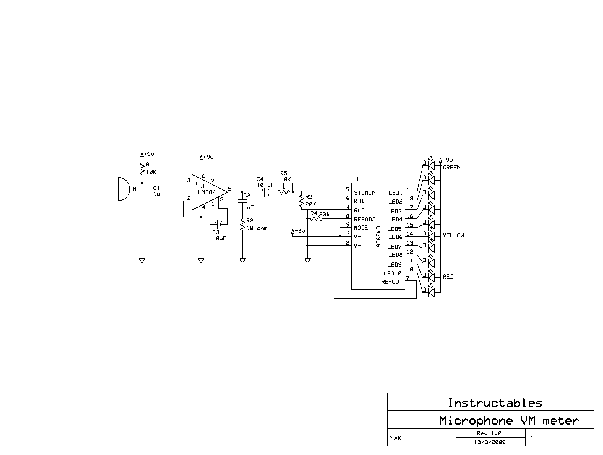
Układ składający się z 10 diod LED, układu scalonego LM3916 IC i LM386 IC, dwóch gniazd na baterie zegarkowe,mikrofonu, a także przycisku pozwala na stworzenie prawdziwego wskaźnika wysterowania. Urządzenie zostało zaprojektowany by można było je schować np. do kieszeni.
Poniżej znajduje się schemat konstrukcji:
Poniżej przedstawiono filmy ukazujące działanie urządzenia:
Więcej informacji można znaleźć pod adresem: http://www.instructables.com/id/Battery-Powered-Portable-VU-Meter/
Fajne? Ranking DIY
