logo elektroda
logo elektroda
X
logo elektroda
REKLAMA
REKLAMA
Adblock/uBlockOrigin/AdGuard mogą powodować znikanie niektórych postów z powodu nowej reguły.

Prosta gra "tamagochi" (dokończenie schematu)

Mega_Man 26 Cze 2009 15:13 3049 18
REKLAMA
  • #1 6706276
    Mega_Man
    Poziom 12  
    Witam, jest to mój pierwszy temat na tym forum i chciałbym was forumowiczów prosić o pomoc. Mam 13 lat i zainteresowały mnie mikrokontrolery i postanowiłem że zakupię jeden a potem pomyślę co z tego można by było zrobić. Postawiłem na Attiny13 bo była tania. W sklepie poradzono mi bym zrobił sobie płytkę testową ale niestety nie znalazłem takiej dla Attiny13. Poszukawszy trochę w internecie znalazłem ten projekt:

    Prosta gra "tamagochi" (dokończenie schematu)
    Prosta gra "tamagochi" (dokończenie schematu)

    i pomyślałem że ty by się mogło stać dla mnie płytką testową.

    Jest to projekt MasterMatana jednak tyle co mi się udało z nim skontaktować to powiedział mi że projekt należy skończyć i jeżeli już będzie mógł pomóc to dopiero w Niedziele bo ma spsuty komputer.

    I tutaj proszę o taką pomoc:
    Czu ktoś mógłby skończyć ten schemat? Bo tam trzeba podostawiać oporniki itd a ja się na tym zbytnio nie znam.
  • REKLAMA
  • Pomocny post
    #2 6706491
    kuuczoo
    Poziom 26  
    Witam
    Moim zdaniem ATiny nie jest najszczęśliwszym wyborem do nauki programowania AVR. Najlepiej gdybyś zakupił mega8. To najpopularniejszy AVR i na niego jest w sieci najwięcej programów i porad. Co do samego projektu jaki przedstawiłeś należałoby dodać rezystory szeregowo do LEDów (np. 1k) oraz silnik podłączyć przez tranzystor (aby nie zmieniać programu - pnp np. bc547).
  • #3 6706582
    Mega_Man
    Poziom 12  
    czy tak?

    Prosta gra "tamagochi" (dokończenie schematu)

    Bo ja bym chciał mieć to na zasilaniu z USB a diody to niebieskie (bo mam z zapalniczek), będzie działać w takiej konfiguracji jak podałeś??

    A attiny13 dla tego że był po 1zł (ponoć magazyn z 13 czyszczą) a atmega8 16pu była za 4,5zł więc dla tego się skusiłem.
  • Pomocny post
    #4 6707059
    Leszek_
    Poziom 11  
    1K coś CI sie kolego pomyliło, przy takim napięciu to rezystory w granicach 100 - 200ohm. Silnik podepnij na kolektor tranzystora bazę na procek poprzez rezystor 1k a na emiter daj napięcie radzę tranzystor pnp.
  • REKLAMA
  • #6 6707571
    Mega_Man
    Poziom 12  
    Dzięki ale yyyyymmmm....
    Ktoś to może narysować na schemacie bo nie rozumiem?
    (np. przerobić te od MasterMatana albo machnąć nowy)
    A i tam jest mimośród od nokii gdyby to pomogło.
  • REKLAMA
  • Pomocny post
    #7 6708592
    kuuczoo
    Poziom 26  
    Leszek_ : Stosuje rezystor 1k do napięcia 5V zawsze gdy potrzebuje aby dioda coś sygnalizowała a nie oświetlała mi pokój i jest dobrze.
    Mega_Man : Trochę samodzielności. Mówisz że chcesz rozpocząc zabawę z elektroniką a nie potrafisz sam podpiąc w szereg rezystora z diodą. Opis wystarczający dostałeś w odpowiedziach. W ostateczności przerysuj schemat tak jak go zrozumiałeś a my ci go sprawdzimy.
  • #8 6709157
    Mega_Man
    Poziom 12  
    Nie wiedziałem tylko co to jest
    "Silnik podepnij na kolektor tranzystora bazę na procek poprzez rezystor 1k a na Link daj napięcie radzę tranzystor pnp."

    Tam usunąłem mimośród bo tak jak zauważył pixel7 jest RESET

    I wszystko tak zrozumiałem, chyba będzie źle i to z dużymi bykami... :(
    Prosta gra "tamagochi" (dokończenie schematu)
  • Pomocny post
    #9 6709293
    sp3ots
    Poziom 38  
    Witam !
    Mam parę pytań.
    1. Czy chcesz wykonać ten projekt, czy tylko zacząć programowanie i naukę na podstawie tego schematu ?
    2. Czy wiesz że sama Tina13 bez wsadu ( programu napisanego do określonego projektu) nic nie da.
    3. Czy masz programator do programowania Tiny13 ?
    Pozdrawiam. Stefan GG6293398
  • REKLAMA
  • #10 6709488
    Mega_Man
    Poziom 12  
    Witam i odpowiadam :)
    1.Chcę zacząć programowanie na podstawie tego schematu (nie lubię zabawek tamagochi ;))
    2.Tak, wiem. Chcę się nauczyć programować (na sam początek migać diodą a potem jeszcze zobaczę co z tego da się wycisnąć).
    3.Tak, mam zrobiony na port LPT i jeden dostałem od kolegi na port RS232 (który będzie lepszy?)
  • #11 6709825
    Piotr59mb
    Poziom 19  
    Zdaje się, że kolega jeszcze nie ma bladego pojęcia o tranzystorach :wink: ,a Wy mu odrazu każecie podłączać takiego pod procka :]
    Mega_Man, poczytaj najpierw chodźby na wiki o tranzystorach bo 'bez tego ani rusz'
  • #12 6709864
    Mega_Man
    Poziom 12  
    No teraz już wiem ;)
  • #13 6710972
    maly_elektronik
    Poziom 23  
    Zamiast kombinować z tranzystorami może gotowy układ mostku H :?: Jakiś najprostszy to chyba ULN2003 :)
  • #14 6711140
    pubus
    Poziom 30  
    ULN2003 to nie jest mostek H...
    Radzę zaglądnąć do noty...
    Startowanie do uC bez elementarnej wiedzy z elektroniki to pomyłka...
  • #15 6711255
    Mega_Man
    Poziom 12  
    pubus "Startowanie do uC bez elementarnej wiedzy z elektroniki to pomyłka..."
    rozumiem że to jest śmieszne ale raczej dla mnie chodzi o to żeby zacząć programować, mieć styczność z czymś takim jak mikrokontroler. Chyba każdy przyzna że programowanie w emulatorze to żadna zabawa i satysfakcja, mi chodzi o tę magię, czar małej kosteczki która rządzi i mryga tymi diodami. Każdy chyba był zadowolony ze swojego małego udrządzonka lub programiku który poprawnie działa i coś robi. Tak przyznaję się nie znam się na elektronice bo mnie to wcześniej nie interesowało, jakieś rezystorki czy oporniczki to był dla mnie odległy świat aż tu nagle przypadkowo w wyszukiwarce wpisałem AVR i w ten sposób zacząłem się tym interesować.

    Tak więc pozdrawiam Cię pubus i przepraszam jeżeli cały mój temat jest dla Ciebie śmieszny i że takie coś pojawia się na tak profesjonalnym forum jednak gdzieś się o pomoc musiałem zwrócić.
  • #16 6711277
    snow
    Poziom 31  
    Tylko po co komu tutaj mostek H? Z tego co widzę ma być sterowanie w jednym kierunku to nie potrzeba mostka, wystarczy jeden tranzystor.
  • #17 6711364
    pubus
    Poziom 30  
    Temat nie jest śmieszny i na jak najbardziej odpowiednim forum może jedynie wypadałoby zaglądnąć do działu początkujący...
    Jeżeli temat Cię zainteresował to bardzo dobrze...
    Sugeruję jednak by na początku wyhamować trochę i poznać minimum podstaw które pozwolą realizować na uC twoje pomysły...
  • Pomocny post
    #18 6711876
    kuuczoo
    Poziom 26  
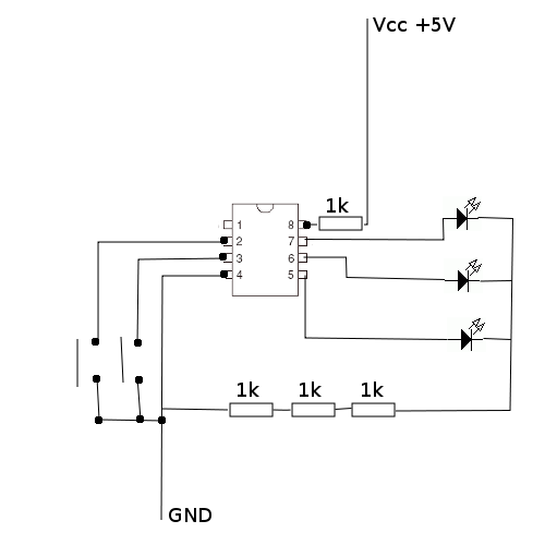
    Żeby nie przedłużać i nie męczyć. Tu masz schemat do swojej zabawki. Oczywiście bez tego wibratora aby nie używać resetu.
    Prosta gra "tamagochi" (dokończenie schematu)
    Ale prawda jest taka, że jeśli chciałbyś na prawdę pobawić się uP to nie masz wyjścia i musisz poznać takie podstawy jak rezystorki, kondensatorki i inne tranzystorki. Na samym uP nic nie zrobisz. Najlepiej poszukaj w sieci artykułów z EdW pt. "Ośla łączka". Tam praktycznie od zera opisane są poszczególne elementy.
  • #19 6712694
    Mega_Man
    Poziom 12  
    Wielkie dzięki i za pomoc i postaram się ogarnąć te podstawy elektroniki. Temat zamykam.
REKLAMA