Witam jestem tu nowy więc proszę o wyrozumiałość,
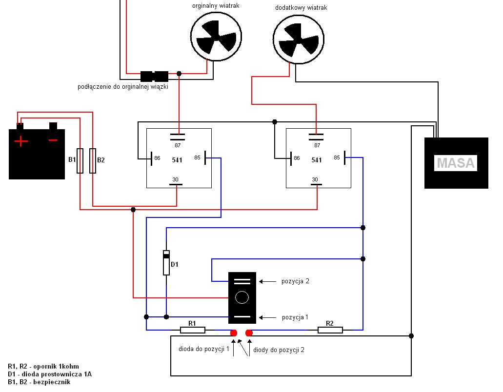
Chce podłączyć w moim autku (FSO Polonez) dwa wiatraki do chłodnicy tylko tak aby były włączane przez przełącznik; przełącznik kupiłem taki Link, Link i teraz pytanie jest takie czy umiecie zrobić coś takiego jak na tym zdjęciu Link te czerwone kropki to byłyby diody żeby było tak ze jak ustawie na pozycje 1 (czyli jeden wiatrak) to zapali sie jedna diodka a jak na pozycje 2 (czyli oba wiatraki na raz) to zapala sie obie diodki (jakie diodki i jakie oporniki no nich??) no i oczywiście poza tym cały schemacik jak podpiąć te wiatraki przez przekaźniki (przez jaki??) jak pozycja 1 to jeden wiatrak i logicznie jak 2 to 2 wiatraki, a jak sie sam włącza wiatrak (przez termostat) to tylko jeden.
Jeśli jest ktoś w stanie narysować schemat czegoś takiego to byłoby super
Chce podłączyć w moim autku (FSO Polonez) dwa wiatraki do chłodnicy tylko tak aby były włączane przez przełącznik; przełącznik kupiłem taki Link, Link i teraz pytanie jest takie czy umiecie zrobić coś takiego jak na tym zdjęciu Link te czerwone kropki to byłyby diody żeby było tak ze jak ustawie na pozycje 1 (czyli jeden wiatrak) to zapali sie jedna diodka a jak na pozycje 2 (czyli oba wiatraki na raz) to zapala sie obie diodki (jakie diodki i jakie oporniki no nich??) no i oczywiście poza tym cały schemacik jak podpiąć te wiatraki przez przekaźniki (przez jaki??) jak pozycja 1 to jeden wiatrak i logicznie jak 2 to 2 wiatraki, a jak sie sam włącza wiatrak (przez termostat) to tylko jeden.
Jeśli jest ktoś w stanie narysować schemat czegoś takiego to byłoby super