logo elektroda
logo elektroda
X
logo elektroda
REKLAMA
REKLAMA
Adblock/uBlockOrigin/AdGuard mogą powodować znikanie niektórych postów z powodu nowej reguły.

AN17831 Można zmostkować?

szczaw89 30 Cze 2009 19:55 1657 5
REKLAMA
  • #1 6723130
    szczaw89
    Poziom 12  
    Witam. Mam pytanie czy można zmostkować układ scalony AN17831
    Jeśli tak to czy wystarcza zwykły odwracacz fazy?

    Pytam, ponieważ na schemacie widzę, że wyjście na głośniki nie jest tak, że jedna żyła z głośnika do "+" a druga do masy tylko obydwie żyły do konkretnych nóżek.

    Zamieszczam link do noty tej kostki
    http://pdf1.alldatasheet.com/datasheet-pdf/view/116183/ETC/AN17831A.html

    Szukałem w "goglach"... niestety niewiedzą

    Z góry dziękuję za odpowiedź.
    Pozdrawiam Mateusz
  • REKLAMA
  • #2 6723177
    wisnialdz
    Poziom 15  
    Z tego co widzę to układ jest już zmostkowany więc jeszcze raz nie można go mostkować
  • REKLAMA
  • #3 6724047
    szczaw89
    Poziom 12  
    Wg mnie nie jest on zmostkowany(oczywiście mogę się mylić). W kinie domowym mam trzy takie końcówki, a jest sześć kanałów.
  • REKLAMA
  • #4 6724123
    Jarosx9
    Poziom 35  
    Ten układ to dwa mostki, czyli cztery końcówki mocy. Ściągnij sobie pdf'a i zobacz.
    Z internetu nie umiesz korzystać?.
  • REKLAMA
  • Pomocny post
    #5 6725495
    wisnialdz
    Poziom 15  
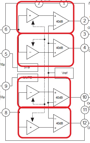
    AN17831 Można zmostkować?

    Kolorem czerwonym masz pokazane odpowiednio 1,2,3,4 końcówkę mocy
  • #6 6739017
    szczaw89
    Poziom 12  
    wisnialdz dzięki za zaznaczenie zmostkowanych końcówek.

    Jarosx9 napisałem tutaj aby otrzymać odpowiedź na moje pytanie a nie po to aby być skrytykowanym. A pomyślałeś, że patrząc na schemat mogę nie wiedzieć które to końcówka? Jeśli masz pisać posty typu "Nie umiesz z internetu korzystać" to nie pisz wogóle.
REKLAMA