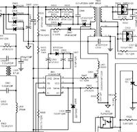
Witam ,mam w naprawie zasilacz z tegoż monitora,wymienilem w nim sg6841D,oraz tranzystor kluczujący.Mam jeszcze uszkodzoną diodę która jest połączona równolegle z kondensatorem 10nf/250 o nazwie P6KE130 lub P6KEI30.Wygląda mi ona na diodę zenera tylko czy na napięcie 130v albo 30v.Nie posiadam schematu zasilacza ,może ktoś zna parametry tej diodylub też naprawiał taki zasilacz.Proszę o podpowidzi.Pozdrawiam.
