logo elektroda
logo elektroda
X
logo elektroda
Adblock/uBlockOrigin/AdGuard mogą powodować znikanie niektórych postów z powodu nowej reguły.

BaloonSat Extreme - komputer do eksperymentów kosmicznych

Defenestrator 11 Lip 2009 11:43 10983 43
  • BaloonSat Extreme - komputer do eksperymentów kosmicznych

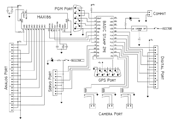
    BaloonSat Extreme to komputer do prowadzenia eksperymentów na granicy ziemskiej atmosfery, gdzie ma zostać wyniesiony (jak sama nazwa wskazuje :) ) za pomocą balonu. Został on zbudowany z wykorzystaniem mikrokontrolera BASIC Stamp 2pe, a zaprojektowano go tak, by mógł kontrolować kamery, serwa i GPS-a oraz zapewniono pięć dodatkowych cyfrowych portów I/O. Komputer wyposażono również w 12 bitowy przetwornik analogowo - cyfrowy do rejestracji wyników eksperymentów. Wadą tego projektu jest ograniczenie pamięci danych do 30 kb, co przy tak rozbudowanych funkcjach pomiarowych wydaje się być niewystarczające. Autor opublikował kompletną dokumentacje projektu wraz ze wzorami płytek drukowanych.

    Źródło

    BaloonSat Extreme - komputer do eksperymentów kosmicznych BaloonSat Extreme - komputer do eksperymentów kosmicznych

    Fajne? Ranking DIY
    O autorze
    Defenestrator
    Poziom 14  
    Offline 
    Defenestrator napisał 148 postów o ocenie 99. Jest z nami od 2007 roku.
  • #2 6769963
    Jacek31
    Warunkowo odblokowany
    W sumie ciekawi mnie niezawodność takiej samoróbki? Takie urządzenie raczej będzie musiało pracować w trudnych, jeżeli nie ekstremalnych warunkach. Raczej nie było by wskazane stosowanie podstawek pod IC.
    Ogólnie ciekawostka. Wątpię aby udało się autorowi dokonać jakiś bardziej rewolucyjnych eksperymentów, na tej platformie.
  • #3 6771143
    VaM VampirE
    Poziom 22  
    Wiesz zawsze można to zalać żywicą, zresztą ma to lecieć balonem, więc nie wytłucze się tak jak w rakiecie, czy promie. Bardziej zastanawiają złącza RS, nie mają żadnego zabezpieczenia przed wypięciem, do jednego ma być wpięty gps, drugie to chyba serwisowe. Ciekawe czy będą jakoś zabezpieczać port dla gps? I jak to zniesie promieniowanie kosmiczne. W sumie fajne bo nietypowe :]
  • #4 6772770
    kmicic25
    Poziom 13  
    Witam

    Wtrące swoje dwa grosze.
    Jedna rzecz rzuca mi sie na oczy. Waga projektu. Powinien być jak najlżejszy. A tu dwa złacza i w sumie luźno zaprojektowana płytka. Może jakby całość zmniniaturyzować byłby super projekt, a tak niesmak pozostał.



    Pozdrawiam
  • #5 6772965
    lord_blaha
    Poziom 33  
    Jakie promieniowanie kosmiczne? Przecież poza granice atmosfery nie wyleci :) W balonach meteorologicznych różnica 5g nie stanowi problemu, mają one dość duży udźwig, bo mają sporą objętość. Nie ma sensu bawić się w większą miniaturyzację.
    Jedynym czynnikiem, który mógłby zagrozić pomysłowi jest temperatura- trzeba by tak dobrać scalaki, żeby mogły pracować w pożądanym zakresie, ale to też problem do rozwiązania...
  • #6 6773099
    vcd_a
    Poziom 18  
    Witam!
    Widzę, że wszyscy zapominają o podstawowym problemie, a mianowicie o ciśnieniu. Układy, których używamy na ziemi, a dokładniej ich "packaging", nie są przystosowane do ciśnień równych w przybliżeniu próżni. W obudowie każdego układu scalonego są bardzo małych rozmiarów pęcherzyki powietrza, które wraz ze spadkiem ciśnienia powiększają swoją objętość, co w ostateczności może skutkować tym, że "packaging" zostanie rozerwany i tym samym układ scalony zniszczony. Dlatego cała elektronika, która lata w przestrzeni kosmicznej to raczej nie układy, które możemy kupić w sklepie na końcu ulicy.

    Pozdrawiam Krzysiek
  • #7 6789123
    sledzik1984
    Poziom 14  
    Bez histerii... widziałem sporo projektów DIY balonów i nic się nie działo - układy nie eksplodowały, kamerki nagrywały filmiki, aparaty robiły zdjęcia, GPSy rejestrowały trasę... I bynajmniej nie mówię tu o lotach na wysokość kilkuset metrów...

    Przykład:
    http://www.natrium42.com/halo/flight2
  • #8 6789257
    vcd_a
    Poziom 18  
    Na własne oczy widziałem zniszczone elementy, które były wysyłane w przestrzeń kosmiczną. Być może nowe układy scalone są bardziej odporne na niskie ciśnienia.

    Pozdrawiam Krzysiek
  • #9 6789415
    elektronik999
    Poziom 26  
    A możesz jakieś zdjęcia wstawić?
  • #10 6789895
    vcd_a
    Poziom 18  
    Niestety widziałem to na własne oczy, a zdjęć nie zrobiłem.

    P.S. Użyj wyobraźni...

    Pozdrawiam Krzysiek
  • #11 6791698
    Rinho
    Poziom 19  
    vcd_a napisał:
    Na własne oczy widziałem zniszczone elementy, które były wysyłane w przestrzeń kosmiczną.


    Ale to w przestrzeń kosmiczną, a ten balon prawdopodobnie nie przekroczy nawet 40.000m a do granicy kosmosu zostaje jeszcze 60km.

    Wiadomo ciśnienie jest ważne, balony meteorologiczne są budowane tak że na pewnej wysokości pękają (rozprężający się gaz rozrywa balon), a instrumenty pomiarowe spadają na spadochronie.

    Bardziej niebezpieczne dla tej konstrukcji raczej będzie czynnik temperatury, wg danych ze strony którą podał @sledzik1984 to temperatura spadłą na pewnej wysokości do o -45'C. Ciśnienie też było niskie ale jakoś nie zaszkodziło sprzętowi.
  • #12 6793655
    dnuk
    Poziom 12  
    balony tego typu nie przekraczają przeważnie 30km a temperatura jest faktycznie niska nawet do -50'C. interesuję się tą tematyką od jakiegoś roku i w przeciągu miesiąca mam zamiar wypuścić na próbę kapsułę z aparatem i telefonem (do odzysku przez namierzenie) na pokładzie. Jak uda mi się odzyskać kapsułę to napiszę jak sprzęt zniósł lot.
  • #13 6793732
    vcd_a
    Poziom 18  
    A powiedz jak jest z pozwoleniem na lot takiego balonu?, bo z tego co się orientuję to nie można ot tak sobie wysłać w niebo takiego balonu.

    Pozdrawiam Krzysiek
  • #14 6793768
    dnuk
    Poziom 12  
    Masz rację trzeba mieć pozwolenie na lot od Polskiej Agencji Żeglugi Powietrznej. Na razie jeszcze nie wiem jak uzyskać od nich zgodę ale myślę że nie będzie to jakiś duży problem. Skontaktuję się w tej sprawie z organizacją która wypuszcza takie balony co roku (copernicus Project) może mi powiedzą u uzyskaniu takiej zgody conieco. jak nie uzyskam zgody to trudno trzeba być optymistą :).

    ________________

    Dowiedziałem się że uzyskanie zgody na lot jest całkiem proste.

    Minimum 10 dni przed planowanym startem wysyłamy prośbę o udzielenie zgody na numer faksu PAŻP.
    W przesłanym dokumencie podajemy wszelkie szczegóły dotyczące lotu:
    - współrzędne miejsca startu
    - data startu
    - godzina startu
    - dane organizatora startu (numer telefonu, jakiś faks na który ma być wysłana zgoda na start)
    - typ balonu
    - rozmiar w momencie startu
    - prędkość wznoszenia
    - przewidywany rozmiar w momencie pęknięcia
    W przypadku dodatkowych pytań ATM może dzwonić do organizatora lotu.
    Zgoda przesyłana jest na numer faksu podany we wniosku
  • #15 6796895
    vcd_a
    Poziom 18  
    Osobiście bym nie ryzykował wysyłania czegokolwiek bo cholera wie co tam się w powietrzu stanie ;-), nad głowami lata mnóstwo samolotów...

    @dnuk
    Chętnie usłyszę o Twoim przyszłych dokonaniach ;-)

    Pozdrawiam Krzysiek
  • #17 6797327
    badworm
    Poziom 18  
    dnuk napisał:
    balony tego typu nie przekraczają przeważnie 30km a temperatura jest faktycznie niska nawet do -50'C. interesuję się tą tematyką od jakiegoś roku i w przeciągu miesiąca mam zamiar wypuścić na próbę kapsułę z aparatem i telefonem (do odzysku przez namierzenie) na pokładzie. Jak uda mi się odzyskać kapsułę to napiszę jak sprzęt zniósł lot.


    Temperatura nie powinna być raczej problemem - przy dobrej izolacji termicznej pojemnika z elektroniką to ciepło przez nią generowane powinno pozwolić na utrzymanie odpowiedniej temperatury.
  • #18 6798117
    dnuk
    Poziom 12  
    vcd_a napisał:
    Osobiście bym nie ryzykował wysyłania czegokolwiek bo cholera wie co tam się w powietrzu stanie ;-), nad głowami lata mnóstwo samolotów...

    Właśnie po to jest ta zgoda. Jest ona informacją dla pilotów że w danej okolicy leci balon. Jak znajdę czas to zrobię fote kapsuły. W porównaniu z profesjonalnymi jest maleńka bo ma tylko 300g (inne mają po 1.5 do 5kg)
  • #19 6799286
    vcd_a
    Poziom 18  
    Gdzie kupujesz balon, czym napełniasz, jakie są koszty takiego przedsięwzięcia?

    Pozdrawiam Krzysiek
  • #20 6799540
    piotrekg1987
    Poziom 11  
    Witam, polecam stronę:
    http://copernicus-project.org/dzial,97,copernicus_project

    Czytałem że można napełnić balon tylko częściowo aby opuźnić jego pęknięcie na skutek rozprężania gazu.
    Myślę także co jeśli by wzmocnić balon oplatając go bardzo drobno oczkową siatką, lub wykorzystać galony gumowe do tego celu. Jak widać na stronie http://www.natrium42.com/halo/flight2/ na wysokości 30 km sprzęt zachowywał się nadal dobrze a ciśnienie było już bliskie zeru jak widać na wykresach na dole strony.
  • #21 6799785
    dnuk
    Poziom 12  
    vcd_a napisał:
    Gdzie kupujesz balon, czym napełniasz, jakie są koszty takiego przedsięwzięcia?

    Początkowym celem całego przedsięwzięcia było skonstruowanie balonu jak najmniejszym kosztem w warunkach domowych. Balon nośny w moim przypadku to balon weselny o średnicy max 1 metra (600g siły nośnej). Z braku funduszy zmuszony jestem do napełniania go wodorem własnej produkcji.
    Koszty do tej pory są niewielkie jak na lot czegoś takiego. balony kupilem na allegro po ok. 5-10zl sztuka, telefon dostałem prawie za free(naprawa softu), aparat cyfrowy kupiłem za poł darmo też na allegro. w sumie cała impreza wyniesie mnie w sumie do 200zł max. Dla porównania normalnie koszt samej elektroniki do "pro-kapsuł" to 400-500zł.
    Co do wznoszenia to zanim jeszcze kupiłem sam balonik porobiłem obliczenia. Napełnię balon do trochę ponad połowy (ma unieść 300g sprzętu + siła do wznoszenia). Muszę znaleźć jakąś stałą o ile balon się rozszerzy na każdy 1 km żeby oszacować maksymalny pułap.
    Apropo Copernicus project. Mają obszerną galerię fotek i filmów z lotów polecam przejrzeć bo są świetne niektóre :D
    Załączam fotki kapsuły z osprzętem.
    BaloonSat Extreme - komputer do eksperymentów kosmicznych BaloonSat Extreme - komputer do eksperymentów kosmicznych
  • #22 6800434
    spearhead
    Poziom 12  
    a jakby tak zostawić balon u dołu otwarty, to gaz rozprężając się by uciekał dołem, a na dużej wysokości grawitacja jest dużo słabsza, więc by leciał nadal nawet z mniejszą ilością gazu. ale co zamierzacie zrobić, jak wiatr powieje ten balon np. za granicę i ktoś pomyśli że to terroryzm:)
  • #23 6800961
    lord_blaha
    Poziom 33  
    dnuk napisał:
    Z braku funduszy zmuszony jestem do napełniania go wodorem własnej produkcji.

    Jak przechowujesz wytworzony wodór? Od razu do balonu czy najpierw gdzieś go sprężasz? Wodór wytwarzasz na drodze elektrolizy czy chemicznie?
    spearhead napisał:
    na dużej wysokości grawitacja jest dużo słabsza

    Kolega rozumiem jeszcze fizyki się w życiu nie uczył, prawda?
  • #24 6800985
    dnuk
    Poziom 12  
    spearhead napisał:
    a jakby tak zostawić balon u dołu otwarty, to gaz rozprężając się by uciekał dołem, a na dużej wysokości grawitacja jest dużo słabsza, więc by leciał nadal nawet z mniejszą ilością gazu. ale co zamierzacie zrobić, jak wiatr powieje ten balon np. za granicę i ktoś pomyśli że to terroryzm:)

    Po 1. spróbuj nadmuchać gumowy balonik i zostawić go otwartym...
    po 2. na wysokości 30km ciążenie nadal jest na tyle silne że spadek wagi będzie żędu kilku, kilkunastu gram max
    no i po 3. mieszkam w okolicy szszecina i wszystkie baloniki które wypuszczałem wcześniej (takie małe z karteczką i e-mailem) leciały na północny-wschód w kierunku Nowogardu i nie były to wielkie podróże bo około 40-50km przy powolnym wznoszeniu. Przy szybszym wznoszeniu balon spadnie około 20-30km od miejsca startu. No i wrazie czego zawsze się umieszcza na kapsule info i nr telefonu jakby ktos go znalazł przed nami. O terroryzm mnie nie posądzą raczej :D

    lord_blaha napisał:
    dnuk napisał:
    Z braku funduszy zmuszony jestem do napełniania go wodorem własnej produkcji.

    Jak przechowujesz wytworzony wodór? Od razu do balonu czy najpierw gdzieś go sprężasz? Wodór wytwarzasz na drodze elektrolizy czy chemicznie?


    Wodór otrzymuję chemicznie bo to najszybszy i najwydajniejszy (choć mało bezpieczny) sposób... pakuję go od razu do balonu po przefiltrowaniu w wodzie, ochłodzeniu i osuszeniu przez granulat (ten z pudełek po butach)
  • #26 6801443
    vcd_a
    Poziom 18  
    @dnuk

    Zrób urządzenie GPS + GSM, żeby po wylądowaniu wysyłał informację z położeniem geograficznym kapsuły.

    Pozdrawiam Krzysiek
  • #27 6801535
    dnuk
    Poziom 12  
    vcd_a napisał:

    Zrób urządzenie GPS + GSM, żeby po wylądowaniu wysyłał informację z położeniem geograficznym kapsuły.

    Na początku chciałem zrobić coś takiego ale nie jastem tak zaawansowany... chyba że ktoś robił lub ma schematy czegoś takiego(byłbym wdzięczny)

    lord_blaha napisał:
    Jaką reakcję wykorzystujesz?

    reakcja wodnego roztworu wodorotlenku sodu(soda kaustyczna) z aluminium
  • #28 6801644
    vcd_a
    Poziom 18  
    @dnuk

    Ostatnio był taki temat w dziale DIY, GPS + GSM, zerknij.

    Pozdrawiam Krzysiek
  • #29 6801982
    lord_blaha
    Poziom 33  
    dnuk napisał:
    vcd_a napisał:

    Zrób urządzenie GPS + GSM, żeby po wylądowaniu wysyłał informację z położeniem geograficznym kapsuły.

    Na początku chciałem zrobić coś takiego ale nie jastem tak zaawansowany... chyba że ktoś robił lub ma schematy czegoś takiego(byłbym wdzięczny)

    Telefon z symbianem i możliwość łączenia sie po GPRS z netem- i jest masa programów, które wysyłają pozycje na serwer, np. niemiecki RunGPS.
  • #30 6802235
    dnuk
    Poziom 12  
    telefon jaki posiadam to stary siemens a65. Pomysł łączenia się przez neta całkiem niezły ale i tak na wysokości 650m sygnał gsm (więc gprs też chyba) zanika więc lokalizacja możliwa jest po wylądowaniu no i telefon ten nie ma symbiana.
    można spróbwać podpiąć moduł gps i napisać program w javie ktory by wysyłal sms'em dane z gps'a. nie mam ani modułu gps ani nie znam javy... dlatego skorzystam z namierzania samego telefonu (www.gdziejestdziecko.pl) sam mam jednak mieszane odczucia co do tej usługi...
REKLAMA