logo elektroda
logo elektroda
X
logo elektroda
REKLAMA
REKLAMA
Adblock/uBlockOrigin/AdGuard mogą powodować znikanie niektórych postów z powodu nowej reguły.

programator sample electronics

bakardi 22 Lip 2009 23:38 2759 13
REKLAMA
  • #1 6811638
    bakardi
    Poziom 12  
    Witam

    Mam pytania odnośnie właśnie tego programatora.
    a więc żeby nie było niedomówień jego schemat wygląda tak
    programator sample electronics

    To tak. Mamy na nim dwa podłączenia GND.
    Gdzie mam podłączyć te dwie masy??

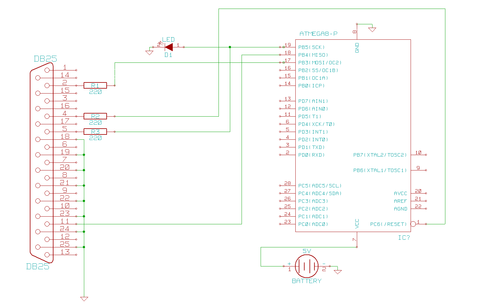
    czy ten schemat dobrze narysowałem?
    programator sample electronics

    powiedzmy że te 5V biorę z zasilacza. czy schemat dobrze narysowałem?? jeżeli nie to jak powinien być narysowany??

    Post raportowany - przenoszę do Mikrokontrolery AVR.
    [Dr.Vee]
  • REKLAMA
  • #2 6812330
    Konto nie istnieje
    Konto nie istnieje  
  • REKLAMA
  • #3 6812691
    bakardi
    Poziom 12  
    czy aby na pewno ?? wole sie upewnić żebym potem nie miał niespodzanek.
    zrobiłem bardziej czytelny schemat
    programator sample electronics
    a i gdzie mam podłączyć tą masę co jest w DB25?? do masy zasilaczy czy do masy uC??? powiedzmy że zasilam zasilaczem
  • Pomocny post
    #4 6817748
    sp3ots
    Poziom 38  
    Witam !
    Masy z DB25 połącz z masą zasilania i z masą ATmega8.
    Pozdrawiam. Stefan
  • Pomocny post
    #5 6819297
    ZbeeGin
    Poziom 39  
    Schemat niepoprawny. LED obciąża SCK. Brak połączenia z AVCC. Czytać noty katalogowe.
  • REKLAMA
  • #6 6823114
    simpson777
    Poziom 11  
    witaj
    A do czego ci jest ta dioda??
  • #7 6828908
    bakardi
    Poziom 12  
    Cytat:
    Schemat niepoprawny. LED obciąża SCK. Brak połączenia z AVCC. Czytać noty katalogowe.


    czytałem gdzieś na forum że taka dioda może być. AVCC jest zwarte w uC jeśli nie wierzysz to sprawdź miernikiem. ja sprawdzałem :D i się okazało że GND oraz AGND też są zwarte w środku.

    Cytat:
    A do czego ci jest ta dioda??


    dioda podczas programowania ma migać.
  • #8 6828951
    sp3ots
    Poziom 38  
    Witam !
    Ta dioda LED jest nie potrzebna, postęp wgrywania programu widać w oknie programatora.
    Pozdrawiam. Stefan
  • REKLAMA
  • Pomocny post
    #9 6829366
    ZbeeGin
    Poziom 39  
    bakardi napisał:
    AVCC jest zwarte w uC jeśli nie wierzysz to sprawdź miernikiem. ja sprawdzałem :D

    Zamiast leciwego już ATMega8 włóż tam jego nowszy model ATMega88 i możesz zapomnieć o programowaniu. Ponadto to nie jest zwarcie tylko rezystancja o wartości ok. 5Ohm - a to robi różnicę.
    Wiesz, siedzę w tym trochę dłużej i staram się dawać dobre rady, ale niekiedy nie docierają. Szkoda...
  • #10 6830109
    bakardi
    Poziom 12  
    Cytat:
    Witam !
    Ta dioda LED jest nie potrzebna, postęp wgrywania programu widać w oknie programatora.
    Pozdrawiam. Stefan


    ok diodę wywalę.

    Cytat:
    Zamiast leciwego już ATMega8 włóż tam jego nowszy model ATMega88 i możesz zapomnieć o programowaniu.


    Na razie zostanę przy 8 ale jak będę zmieniał na nowszy model to się zastanowię nad 88 :)

    Cytat:
    Ponadto to nie jest zwarcie tylko rezystancja o wartości ok. 5Ohm - a to robi różnicę.




    oo nie wiedziałem że rezystancja. Ok podłącze tam zasilanie.


    Cytat:
    Wiesz, siedzę w tym trochę dłużej i staram się dawać dobre rady, ale niekiedy nie docierają. Szkoda...


    Nie rozumiem. Sugerujesz mi że do mnie nie docierają wasze wskazówki??
  • #11 6841102
    simpson777
    Poziom 11  
    I jak poszło??
  • #12 6843113
    bakardi
    Poziom 12  
    działa :) mega bez problemu sie programuje! :D:D
  • Pomocny post
    #13 6843541
    Tom1988p
    Poziom 16  
    Ja znalazłem taki schemat podłączenia ATmegi8

    U mnie działa bezproblemowo

    programator sample electronics

    Może to się przyda Tobie :D
  • #14 6844232
    bakardi
    Poziom 12  
    Tom1988p napisał:
    Ja znalazłem taki schemat podłączenia ATmegi8

    U mnie działa bezproblemowo

    programator sample electronics

    Może to się przyda Tobie :D


    spoko ten mój też działa a ten twój to trochę bardziej rozbudowany :). Ale na pewno się przyda ten schemat jak nie mi to komuś innemu.

    Pozdrawiam
REKLAMA