logo elektroda
logo elektroda
X
logo elektroda
REKLAMA
REKLAMA
Adblock/uBlockOrigin/AdGuard mogą powodować znikanie niektórych postów z powodu nowej reguły.

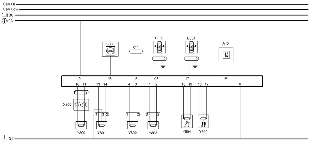
schemat airbag seat ibiza 2000r

chytry88 27 Lip 2009 22:35 5030 2
REKLAMA
  • #1 6828730
    chytry88
    Poziom 12  
    Witam. Potrzebuję schematu podłączenia poduszek powietrznych w samochodzie seat ibiza rocznik 2000 silnik 1.9TDI (AGR). Chodzi mi głównie o podłączenie poduszek bocznych (kolory przewodów)
  • REKLAMA
  • #2 6839884
    debik5
    Poziom 21  
    mam tylko coś takiego może się przyda?

    Dodano po 51 [sekundy]:

    schemat airbag seat ibiza 2000r
  • #3 6846457
    chytry88
    Poziom 12  
    Nie o to mi chodziło, ale dziękuje przynajmniej za chęci :D na innych forach prośba pozostała bez odzewu. Problem udało mi się już rozwiązać
REKLAMA