Witam!
Zrobiłem programator z tego schematu
Link
i gdy podłączam go do komputera i zasilania 5V to układ zaczyna się grzać dość mocno i oto jest moje pytanie czy to ma tak być czy źle to zrobiłem. I nie wiem jeszcze czy na tym obrazku piny są ponumerowane czy mam patrzeć według napisu i wcięcia na scalaku? Bo jak ja porównuje mój z tym na rysunku to tam gdzie jest 14 to ja mam 1 i wszystkie są na odwrót.
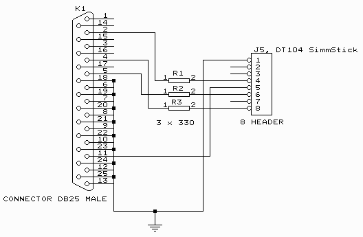
Zrobiłem programator z tego schematu
Link
i gdy podłączam go do komputera i zasilania 5V to układ zaczyna się grzać dość mocno i oto jest moje pytanie czy to ma tak być czy źle to zrobiłem. I nie wiem jeszcze czy na tym obrazku piny są ponumerowane czy mam patrzeć według napisu i wcięcia na scalaku? Bo jak ja porównuje mój z tym na rysunku to tam gdzie jest 14 to ja mam 1 i wszystkie są na odwrót.



