logo elektroda
logo elektroda
X
logo elektroda
REKLAMA
REKLAMA
Adblock/uBlockOrigin/AdGuard mogą powodować znikanie niektórych postów z powodu nowej reguły.

Citroen Xsara I 1,6 1998r brak przekaźnika

fordsierra1.6 01 Sie 2009 22:49 11614 27
REKLAMA
  • #1 6847005
    fordsierra1.6
    Poziom 11  
    Citroen Xsara I 1,6 1998r brak przekaźnika

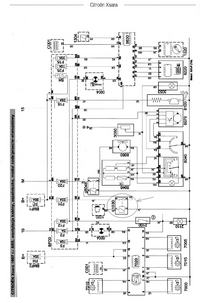
    Bardzo proszę o podpowiedź jaki tam ma być przekaźnik? Według schematów jakie posiadam ma być zwyczajny przekaźnik zwierający 30 z 87 gdy podane zostanie napięcie między 85 i 86 12Voltów. Nie rozumiem dlaczego wyjście z alternatora D+ czyli ten cienki przewód jest zasilaniem właśnie tego przekaźnika. Gdy włożyłem w jego miejsce normalny przekaźnik zwierny to po uruchomieniu silnika zaczeło sie "jarzyć" ładowanie. Gdy nie ma tego żółto-zielonego przewodu nawiew wewnątrz samochodu nie działa.

    [/img]
  • REKLAMA
  • #2 6847666
    fordsierra1.6
    Poziom 11  
    A może ma tam być ta zwora?
  • #3 6847732
    Konto nie istnieje
    Konto nie istnieje  
  • #4 6847787
    fordsierra1.6
    Poziom 11  
    Też tak myślałem, ale po włożeniu normalnego przekaźnika okazuje się że nawiewu wnętrza dalej nie ma, tz jest ale dopiero jak się uruchomi silnik, ale wtedy żarzy mi się ładowanie, może za mała rezystancja cewki przekaźnika. No sam nie wiem.
    A co z tymi 2,5V po włączonym zapłonie na zasilaniu tego przekaźnika? to chyba coś nie tak.
  • REKLAMA
  • #5 6847903
    Konto nie istnieje
    Konto nie istnieje  
  • REKLAMA
  • #6 6849898
    fordsierra1.6
    Poziom 11  
    W końcu ktoś potwierdza moje przemyślenia. podzielam zdanie odnośnie słabego alternatora, ponieważ u mnie ładowanie jest na poziomie 14,2V bez świateł, a jak już je włączę to mam tylko 13,9V, (wartości zmierzone po naładowaniu prostownikiem akumulatora) do tego dojdzie obciążenie praktycznie stale włączonego nawiewu i faktycznie tak może być.
    Nie rozumiem tylko jednego, a mianowicie: jeżeli jest tak jak mówisz i to akurat wynika ze schematu, jeżeli włączę tylko zapłon to nie będę miał możliwości włączenia nawiewu bo 2,4V nie załączy mi przekaźnika. To chyba nie normalne? Co to za frajda jeżeli będę mógł włączyć wentylator tylko jak uruchomię samochód. Załączam schemat: mówię o przekaźniku 1030.
    Pozdrawiam.
    Citroen Xsara I 1,6 1998r brak przekaźnika
  • #7 6850064
    Konto nie istnieje
    Konto nie istnieje  
  • REKLAMA
  • #8 6850147
    fordsierra1.6
    Poziom 11  
    Nie wiedziałem ze tak może być.

    Wielkie dzięki za odpowiedzi i podpowiedzi.
    Pozdrawiam
  • #9 6851457
    fordsierra1.6
    Poziom 11  
    14,2 V tyle jest na alternatorze, a na akumulatorze 14,1V.To sa max wartości napięcia bez włączonych świateł. Czy tak ma być, czy to troszkę nie za mało?????
  • #10 6851786
    Konto nie istnieje
    Konto nie istnieje  
  • #11 6852009
    fordsierra1.6
    Poziom 11  
    Przepraszam, że się tak czepiam ale teraz jak włożę przekaźnik w miejsce zwory to po uruchomieniu silnika kontrolka ładowania świeci słabo, ale świeci. Myślałem, że może mam za słabe napięcie ładowania, bo zawsze obstawiałem na 14,2V, ale na światłach. A teraz skoro z przekaźnikiem żarzy się kontrolka, to nie wiem w końcu czy alternator jest za słaby czy jest dobry??..... Jeżeli nie włożę przekaźnika tylko zworę to cały czas czy jadę samochodem czy samochód stoi w garażu załączony jest przekaźnik ten kolejny jak widać na schemacie załączający napięcie na min. wentylator i faktycznie samochód kilka dni postoi i akumulator pada. Sam się troszkę zdziwiłem bo jak jest po staremu to na postoju pobór prądu jest duży bo 200mA, a jak wypnę bezpiecznik poz 21 czyli ten stanowiący tor prądowy przekaźnika (zwory), to pobór prądu spada do30mA czyli wręcz idealnie. Więc teraz gdybam co jest złe: czy alternator jednak za słaby, czy..... no właśnie co??
  • #12 6853105
    emeryt2
    Poziom 42  
    No właśnie, na tej gałęzi zasilania masz pobór prądu. Tam częściowo pobiera prąd cewka przekaznika 8048. Co więcej , trzeba sprawdzić. \\wyciąg bezpiecznik f20 i sprawdzaj.
  • #13 6853319
    fordsierra1.6
    Poziom 11  
    Masz racje. Ale obciążeniem wyjścia alternatora D+ jest cewka przekaźnika. A gdy ten przekaźnik zamontuję to mi się kontrolka ładowania żarzy.
  • #14 6853366
    Konto nie istnieje
    Konto nie istnieje  
  • #15 6855007
    fordsierra1.6
    Poziom 11  
    Oto wartości pomierzone:
    Bez przekaźnika: B+ 14,28V, D+ 13,74V =kontrolka ładowania nie świeci
    z przekaźnikiem :B+ 14,27V, D+ 8,32V =kontrolka ładowania żarzy się.

    Czy wina leży po stronie alternatora a ściśle mówiąc po stronie regulatora napięcia?
  • #16 6856769
    fordsierra1.6
    Poziom 11  
    A czy ktoś mi może powiedzieć czy w citroenie "tak jak wyżej " czyli moim ten przekaźnik powinien być czy powinna być tylko zwora???
  • #17 6856830
    Konto nie istnieje
    Konto nie istnieje  
  • #18 6857175
    fordsierra1.6
    Poziom 11  
    Z tego co sprawdzałem takie samo napięcie jest w gnieździe przekaźnika. Ale jutro sprawdzę dokładnie.
    Dzięki.
  • #19 6860981
    fordsierra1.6
    Poziom 11  
    Tak jak myślałem. Ta sama wartość napięcia którą odczytałem bezpośrednio na wyjściu D+ alternatora, znajduje się w gnieździe nieszczęsnego przekaźnika. Czyli żadnych dodatkowych spadków po drodze nie ma. Pomyślałem że może rezystancja przekaźnika jest za mała ma za mało Omów więc podłączyłem dwie cewki przekaźników szeregowo tak aby prąd w tym obwodzie był mniejszy i żeby w ten sposób ograniczyć pobór prądu z wyjścia D+. Sprawdzałem to w samo południe i okazało się że prąd jest na prawdę mały bo żaden z przekaźników nawet nie kliknął jeden coś tam próbował, a kontrolka ładowania już nie żarzyła się tylko jakby tam
    leciutko próbowała mrygnąć, ale nie dała rady. Wychodzi więc że to jednak problem w alternatorze a raczej w regulatorze. Ciekawy jestem tylko czy ten samochodzik już od nowości posiadał taką zworkę czy w trakcie użytkowania ktoś wymienił alternator, bo pasek który napędza alternator jest 3 rowkowy i inny tam nie wejdzie, natomiast alternator ma koło z 4 rowkami więc troszkę szersze. Ale to może tylko przypadek???
  • #20 6861147
    Konto nie istnieje
    Konto nie istnieje  
  • #21 6861621
    fordsierra1.6
    Poziom 11  
    Sprawdzę jutro jak jest na pewno. a co z moim nieszczęsnym problemem z przekaźnikiem, czy masz jakiś pomysł???
  • #22 6864953
    fordsierra1.6
    Poziom 11  
    Wał korbowy ma dwa koła pasowe połączone ze sobą. Pierwsze ma 4 rowki i to ono napędza pompę wspomagania, a drugie ma trzy i ono napędza alternator. Tak jest u mnie i tak musi być.
  • #23 6865906
    Konto nie istnieje
    Konto nie istnieje  
  • #24 6867716
    fordsierra1.6
    Poziom 11  
    Dzięki jeszcze raz za wszystkie mądre rady. Postaram się załatwić jutro drugi alternator tylko od 1.4 także xsary. Mam nadzieję że się nada.
    Pozdrawiam.
  • #25 6888933
    fordsierra1.6
    Poziom 11  
    Jak sie okazało poszukiwania alternatora to nie takie proste zwłaszcza do tego modelu. Ale już mam. Teraz ładowania na właściwym poziomie, w miejsce brakującego przekaźnika umieściłem normalny przekaźnik jak do gazu czyli zwierny i jak na razie wszystko w idealnym porządku. Dziękuję wszystkim.
  • #26 14398861
    pablojarocin85
    Poziom 13  
    fordsierra1.6 napisał:
    Citroen Xsara I 1,6 1998r brak przekaźnika

    Bardzo proszę o podpowiedź jaki tam ma być przekaźnik? Według schematów jakie posiadam ma być zwyczajny przekaźnik zwierający 30 z 87 gdy podane zostanie napięcie między 85 i 86 12Voltów. Nie rozumiem dlaczego wyjście z alternatora D+ czyli ten cienki przewód jest zasilaniem właśnie tego przekaźnika. Gdy włożyłem w jego miejsce normalny przekaźnik zwierny to po uruchomieniu silnika zaczeło sie "jarzyć" ładowanie. Gdy nie ma tego żółto-zielonego przewodu nawiew wewnątrz samochodu nie działa.

    [/img]

    Gdzie znajdują się te przekaźniki??? Posiadam xsare 1,6 z 2000 roku i szukam przekaźnika od tylnej wycieraczki.
  • #27 14399321
    pepe150
    Poziom 36  
    Nie piszesz czy masz Xsare I czy Xsare II. Jak masz 2 to masz tam już w BSI.
  • #28 14405309
    pablojarocin85
    Poziom 13  
    Ja mam xsare I.
REKLAMA