Cześć
Zaczynam się uczyć obsługi wyświetlacza z Nokii3310 ze sterownikiem pcd8544. Posiadam zbudowany układ oparty na Atmedze128 (moduł ZL7AVR zintegrowanym kwarcem 16MHz) zasilanej z 5V, z podłączonym jest do niej wyświetlaczem poprzez bufor 74hc245. Całość programuję w języku C, za pomocą różnych aplikacji (winavr, avrstudio, codevision avr..)
Mam do Was koledzy prośbę - czy mógłby mi ktoś napisać max prosty program do tego wyświetlacza, żebym po prostu mógł zobaczyć czy on działa, czy schemat jest poprawny, czy sam wyświetlacz nie jest uszkodzony i żebym miał jakąś podstawę do dalszej pracy. Cokolwiek, żeby wyświetlał jakiś napis typu 'abc' albo nawet niech tylko się cały na czarno zamaluje
Nie jestem pewien tych połączeń i jak mi nic nie będzie chciało ruszyć to nie będę wiedział czy mam błąd w kodzie czy gdzieś indziej..
Połączenia wygladaję następująco:
PE3 --- SCK
PE4 --- SDIN
PE5 --- D/C
PE6 --- SCE
PE7 --- RES
Jeśli byłyby potrzebne klawisze to są one pod portami PF0 - PF5 (wciśnięcie przycisku to 0 logiczne)
W załączniku dodaję schemat
Z góry serdecznie dziękuję za pomoc!
Proszę nie dodawać obrazka w formie załącznika, tylko korzystać z przycisku "Dodaj obrazek" - poprawiłem.
[zumek]
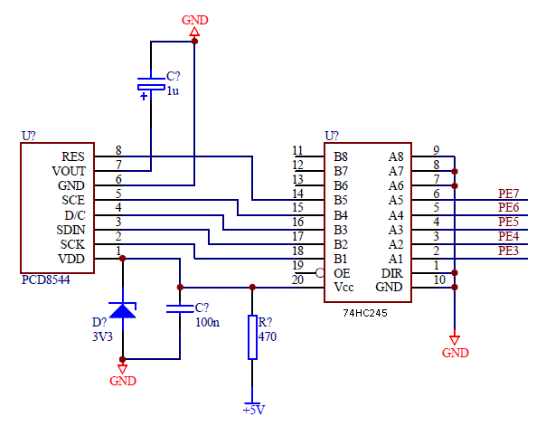
Zaczynam się uczyć obsługi wyświetlacza z Nokii3310 ze sterownikiem pcd8544. Posiadam zbudowany układ oparty na Atmedze128 (moduł ZL7AVR zintegrowanym kwarcem 16MHz) zasilanej z 5V, z podłączonym jest do niej wyświetlaczem poprzez bufor 74hc245. Całość programuję w języku C, za pomocą różnych aplikacji (winavr, avrstudio, codevision avr..)
Mam do Was koledzy prośbę - czy mógłby mi ktoś napisać max prosty program do tego wyświetlacza, żebym po prostu mógł zobaczyć czy on działa, czy schemat jest poprawny, czy sam wyświetlacz nie jest uszkodzony i żebym miał jakąś podstawę do dalszej pracy. Cokolwiek, żeby wyświetlał jakiś napis typu 'abc' albo nawet niech tylko się cały na czarno zamaluje
Połączenia wygladaję następująco:
PE3 --- SCK
PE4 --- SDIN
PE5 --- D/C
PE6 --- SCE
PE7 --- RES
Jeśli byłyby potrzebne klawisze to są one pod portami PF0 - PF5 (wciśnięcie przycisku to 0 logiczne)
W załączniku dodaję schemat
Z góry serdecznie dziękuję za pomoc!
Proszę nie dodawać obrazka w formie załącznika, tylko korzystać z przycisku "Dodaj obrazek" - poprawiłem.
[zumek]
