Witam!
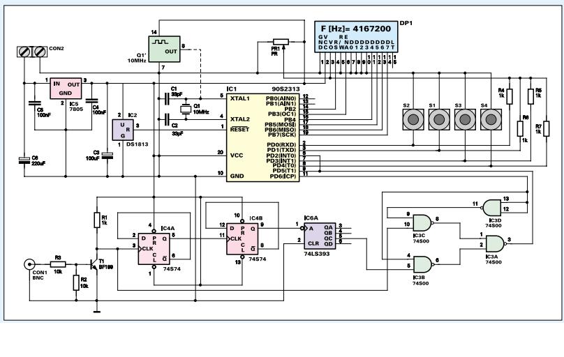
Ponieważ potrzebuję miernik częstotliwości do 160MHz, postanowiłem przerobić nieco projekt AVT3003. Zamiast kwarcu 10Hhz i AT90s2313 włożyłem ATTiny2313 z generatorem kwarcowym 20MHz. Przy takim taktowaniu należało zmienić również program. W komentarzu ' moja zmiana wskazałem, co zmieniłem - trzy linie programu. Problem jest taki,że podłączony do generatora taktującego procek (20MHz), wyśwlietlana jest wartość 20001 kHz zamiast okrągłego 20000. Zanim zmieniłem wskazane linie programu wskazywał równo 10000 kHz (wtedy odmierzana sekunda naliczania trwała 500ms, ze względu na dwa razy większe taktowanie). Tutaj jest schemat oryginalny, z kwarcem 10MHz.
----------
Przyznam uczciwie,ze nie do końca rozumiem te warunki. Dlaczego jest rozróżniana długość naliczania impulsów.
Z góry dziękuję
Proszę umieszczać listingi programów w znacznikach "Code". [c_p]
Ponieważ potrzebuję miernik częstotliwości do 160MHz, postanowiłem przerobić nieco projekt AVT3003. Zamiast kwarcu 10Hhz i AT90s2313 włożyłem ATTiny2313 z generatorem kwarcowym 20MHz. Przy takim taktowaniu należało zmienić również program. W komentarzu ' moja zmiana wskazałem, co zmieniłem - trzy linie programu. Problem jest taki,że podłączony do generatora taktującego procek (20MHz), wyśwlietlana jest wartość 20001 kHz zamiast okrągłego 20000. Zanim zmieniłem wskazane linie programu wskazywał równo 10000 kHz (wtedy odmierzana sekunda naliczania trwała 500ms, ze względu na dwa razy większe taktowanie). Tutaj jest schemat oryginalny, z kwarcem 10MHz.
$crystal = 20000000 'MOJA ZMIANA Z 10000000
Config Lcd = 16 * 1a
Dim Ccount As Byte
Dim Maincounter As Long
Dim C_counter As Word
Dim Flag1 As Bit
Dim Flag2 As Word
Dim Tuning As Word
Config Pind.0 = Input
Config Pind.1 = Input
Config Pind.2 = Input
Config Pind.3 = Input
Config Pind.4 = Input
Config Pind.5 = Input
Config Pind.6 = Output
Config Pinb.0 = Output
Load Timer0 20
Declare Sub Frequency
Declare Sub Events
S1 Alias Pind.1
S2 Alias Pind.0
S3 Alias Pind.3
S4 Alias Pind.4
Set Portd.6
Flag2 = 1
Call Frequency
Cls
Sub Frequency
Config Timer0 = Timer , Prescale = 8
Config Timer1 = Counter , Edge = Falling , Noice Cancel = 1
C_counter = 0
Set Portd.6
Cls
Cursor Off
Enable Timer0
Enable Interrupts
On Timer0 Timint
Enable Timer1
Ccount = 0
On Timer1 Int_0
Start Timer0
Start Timer1
Timer1 = 0
Do
Set Pind.1
Debounce Pind.1 , 0 , Main , Sub
Loop
End Sub
Timint:
Incr C_counter
If C_counter = Tuning Then
Stop Timer1
Stop Timer0
Maincounter = Ccount * 65536
Maincounter = Maincounter + Timer1
If Maincounter = 1 Then
Maincounter = 0
End If
If Maincounter < 30000 Then
If Portd.6 = 1 Then
Reset Portd.6
End If : End If
If Maincounter > 4500000 Then
If Portd.6 = 0 Then
Set Portd.6
End If : End If
If Maincounter = 0 Then
Set Portd.6
End If
If Portd.6 = 1 Then
Maincounter = Maincounter / 31
End If
Ccount = 0
If Portd.6 = 0 Then
Tuning = 9768 [b]' Moja zmiana z poprzedniego 4884 (pomnożyłem *2)
[/b]Else
Tuning = 9688 ' [b]Moja zmiana z poprzedniego 4844 (pomnożyłem *2)[/b]
End If
Timer0 = 0
Cls
If Portd.6 = 0 Then
Lcd "F [Hz]="
Else
Lcd "F[kHz]="
End If
Locate 2 , 1
Lcd " "
Locate 2 , 1
Lcd Maincounter ;
Locate 2 , 8
Lcd "*"
Waitms 200
Locate 2 , 8
Lcd " "
C_counter = 0
Maincounter = 0
Timer1 = 0
Start Timer0
Start Timer1
End If
Return
Int_0:
Incr Ccount
Return
Main:
Disable Timer0
Incr Flag2
If Flag2 > 2 Then
Flag2 = 1
End If
Select Case Flag2
Case 1 : Call Frequency
Case 2 : Call Events
End Select
Return
Sub Events
Cls
Stop Timer1
Locate 2 , 7
Lcd "E."
Wait 1
Counter1 = 0
Do
Debounce Pind.1 , 0 , Main , Sub
Home
Lcd Counter1
Set Portd.3
If Pind.3 = 0 Then Counter1 = 0
Set Portd.4
If Pind.4 = 0 Then Stop Timer1
Set Portd.0
If Pind.0 = 0 Then Start Timer1
Loop
End Sub
----------
Przyznam uczciwie,ze nie do końca rozumiem te warunki. Dlaczego jest rozróżniana długość naliczania impulsów.
If Portd.6 = 1 Then
Maincounter = Maincounter / 31
End If
Ccount = 0
If Portd.6 = 0 Then
Tuning = 9768 ' Moja zmiana z poprzedniego 4884 (pomnożyłem *2)
Else
Tuning = 9688 ' Moja zmiana z poprzedniego 4844 (pomnożyłem *2)
End If
Z góry dziękuję
Proszę umieszczać listingi programów w znacznikach "Code". [c_p]
